Тест4(5) (1053380)
Текст из файла
Московский Государственный Технический Университет им. Н.Э.Баумана
Тест №4 по курсу:
«Расчет и конструирование привода»
Билет №5
Выполнила: Сергеева Е.Ю.
группа МТ 11- 82
Проверил: Каменихин А.Т.
Москва,
2009 г.
| Билет № 5 |
| 1. Как изменится вид амплитудно-частотной характеристики вала привода установки резки слитков, ес-ли резцовая головка будет снабжена шпонкой? Для предложенного технического решения определите источники вынужденных колебаний и постройте соответствующие графики. Необходимые данные см. в лекции. 2. Предложить варианты схем привода вращения 12-ти позиционной карусели, приводимой в движение мальтийским ПФМ (z=6 и z=12). Сравнить предложенные варианты по критерию «время холостого хода ПФМ» . Обосновать выбор наилучшего варианта. |
Задача №1
Используем данные, приведенные в лекции:
Шпиндель имеет три скорости вращения:
n1= 3000 об/мин;
n2= 4000 об/мин;
n3= 5000 об/мин.
1. Определение прогибов в точках приложения сил
Используется метод Верещагина:
Прогибы: х1=2,6*10-3 мм; х2=-3,5*10-3 мм; х3=3,6*10-3 мм
2. Определение собственной частоты колебаний вала
p=198*2*π=1212.04
3. Источники вынужденных колебаний
Для шарикоподшипника (согласно условию):
При D=80 мм и d=50 мм
Возможными источниками колебаний могут быть дисбаланс, шпонка и подшипники.
По условию задачи рассматривается привод с параметрами из лекционного примера, но резцовая головка снабжена шпонкой, следовательно, шпонка будет являться источником вынужденных колебаний.
Таким образом,
2*
4.Определение критической скорости вала
Критическая скорость (резонанс) наступает, когда собственная частота колебаний совпадает с вынуждающей частотой:
, следовательно,
5.Амплитуда вращающегося вала со шпонкой
Задача №2
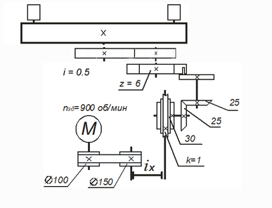
Поскольку мальтийский механизм с числом пазов z>6 не используется, то предложенный в условии вариант мальтийского механизма с числом пазов z=12 не может быть использован. Для 12-ти позиционной карусели предлагается 2 варианта схем привода вращения:
-
использование мальтийского механизма с 6-ю пазами и редуктора с i1=0,5 (рис.1)
Рис.1
Отсюда время поворота (время холостого хода): мальтийского механизма:
txх1= tп1= 30(z1-2)/( nпов1 z1)
2. использование мальтийского механизма с 4-мя пазами и редуктора с i2=1/3 (рис.2)
Рис.2
Отсюда время поворота (время холостого хода): мальтийского механизма:
txх2= tп2= 30(z2-2)/( nпов2 z2)
Из условия равенства времени рабочих ходов каруселей в 1ом и 2ом случаях:
tрх1 = tрх2
i1*30(z1+2)/( nпов1 z1) = i2*30(z2+2)/( nпов2 z2)
0,5*30(6+2)/( nпов1 6) = 1/3*30(4+2)/( nпов2 4)
Откуда nпов1=4/3*nпов2
Находится соотношение холостых ходов каруселей в 1ом и 2ом случаях:
txх1/ txх2 =( i1*30(z1-2)/( nпов1 z1))/ (i2*30(z2-2)/( nпов2 z2)) =
( 30(6-2)/( 4/3nпов2 6))/ (30(4-2)/( nпов2 *4))=0,5/(1/3)=1,5
Таким образом, при одинаковых рабочих ходах предложенных схем txх1 в 1,5 раза больше txх2. Поэтому наилучшим вариантом является 2-ая схема, в которой число пазов мальтийского механизма z=4.
Характеристики
Тип файла документ
Документы такого типа открываются такими программами, как Microsoft Office Word на компьютерах Windows, Apple Pages на компьютерах Mac, Open Office - бесплатная альтернатива на различных платформах, в том числе Linux. Наиболее простым и современным решением будут Google документы, так как открываются онлайн без скачивания прямо в браузере на любой платформе. Существуют российские качественные аналоги, например от Яндекса.
Будьте внимательны на мобильных устройствах, так как там используются упрощённый функционал даже в официальном приложении от Microsoft, поэтому для просмотра скачивайте PDF-версию. А если нужно редактировать файл, то используйте оригинальный файл.
Файлы такого типа обычно разбиты на страницы, а текст может быть форматированным (жирный, курсив, выбор шрифта, таблицы и т.п.), а также в него можно добавлять изображения. Формат идеально подходит для рефератов, докладов и РПЗ курсовых проектов, которые необходимо распечатать. Кстати перед печатью также сохраняйте файл в PDF, так как принтер может начудить со шрифтами.















