РПЗ краны4 (1053265)
Текст из файла
Министерство общего и профессионального образования РФ
Череповецкий государственный университет
Кафедра подъемно-транспортных машин и оборудования
ПОЯСНИТЕЛЬНАЯ ЗАПИСКА
ПО ПРЕДМЕТУ: ПОДЪЕМНО-ТРАНСПОРТНЫЕ МАШИНЫ И ОБОРУДОВАНИЕ
НА ТЕМУ:РАСЧЕТ И ПРОЕКТИРОВАНИЕ ТЕЛЕЖКИ МОСТОВОГО КРАНА
Вариант 04
Выполнил студент
Группы 3ММ-41
Голубьев В.В.
Проверил преподаватель
Задворнов С.И.
Отметка о зачете
Череповец 2001
СОДЕРЖАНИЕ
-
Задание на курсовой проект……………………………………………………………………..…..3
-
Расчет механизма подьема……………………………………………………………………….…4
-
Выбор типа подвески. Расчет канатов………………………………………………………4
-
Выбор крюка……………………………………………………………………………………..6
-
Расчет упорного подшипника крюка…………………………………………………………6
-
Расчет гайки крюка…………………………………………………………….……………….7
-
Расчет элементов подвески………………………………………………………………….7
-
Расчет блоков подвески………………………………………………………………………9
-
Расчет барабана………………………………………………………………………………11
-
Расчет узла крепления каната………………………………………………………..…….13
-
Выбор способа соединения редуктора с барабаном и расчет вала барабана…….14
-
Расчет подшипников оси барабана………………………………………………………..16
-
Расчет и выбор электродвигателя…………………………………………………………16
-
Выбор редуктора………………………………………………………………………………17
-
Расчет узла соединения редуктора с барабаном……………………………………….18
-
Расчет и выбор муфт………………………………………………………….……………..18
-
Расчет и выбор тормоза…………………………………………………………………….19
-
Расчет механизма передвижения………………………………………………………………..19
-
Определение сопротивления движению тележки……………………………………..19
-
Выбор двигателя, редуктора и муфт……………………………………………………..20
-
Проверка механизма на отсутствие буксования……………………………………….21
-
Расчет и выбор тормоза……………………………………………………………………21
-
Литература..………………………………………………………………………………………….23
Приложение 1……………………………………………………………………….………………24
Приложение 2……………………………………………………………………….………………25
- 2 -
1 ЗАДАНИЕ НА КУРСОВОЙ ПРОЕКТ
Рассчитать и спроектировать тележку мостового крана по исходным данным:
Грузоподъемность,т 25
Режим работы Л (3М)
Высота подьема груза,м 20
Скорость подьема груза,м/с 0,16
Скорость передвижения тележки,м/с 1
Графическая часть:
-
Механизм передвижения тележки(общий вид).
-
Конструкция барабана.
- 3 -
2.РАСЧЕТ МЕХАНИЗМА ПОДЬЕМА
Для расчета и выбора элементов механизма подьема необходимо составить его кинематическую схему. Она, как правило, включает электродвигатель 1, муфту 9, муфту с тормозом 2, редуктор 3, барабан 4, полиспаст 5, состоящий из подвижных и неподвижных блоков и ветвей каната, и крюковую подвеску 6, конструктивно обьединяющую подвижные блоки полиспаста и грузозахватный орган-крюк, подшипник 7, зубчатая муфта 8 (рис. 1).
Рис. 1. Схема механизма подьема
Расчет механизма подьема сводится к назначению типа и кратности полиспаста, выбору по ГОСТ каната и крюка, расчету параметров крюковой подвески и барабана, расчету и выбору электродвигателя, редуктора, муфт и тормоза.
2.1 ВЫБОР ТИПА ПОДВЕСКИ. РАСЧЕТ КАНАТОВ
В мостовых кранах для обеспечения строго вертикального подьема грузов применяются сдвоенные полиспасты, у которых на барабан наматываются две ветви каната (рис. 2). Число ветвей каната, на которых висит груз, зависит от грузоподьемности крана. Чем больше число ветвей, тем меньше усилие в канате, на барабане, а, следовательно, меньше диаметр и каната и барабана, меньше диаметр вала и размеры подшипников вала и т.д. Однако с увеличением числа ветвей увеличивается и число блоков, а это усложняет и утяжеляет подвеску.
В практике для грузоподъемности 20…30 т рекомендуется принимать 6…8 ветвей. Принимаем число ветвей z=8(рис. 2).
- 4 -
Р
ис. 2. Схема сдвоенного полиспаста
Полиспасты в кранах применяются для выигрыша в силе.Величина этого выигрыша характеризуется кратностью полиспаста и определяется по формуле
где z-число ветвей, на которых висит груз; zб-число ветвей, наматываемых на барабан (для сдвоенных полиспастов zб=2)
При использовании полиспаста скорость движения каната будет больше скорости подьема груза
где vk- скорость движения каната; vг- скорость подьема груза, vг=0,16 м/с;
Максимальное усилие в канате в точке набегания его на барабан определяется по формуле
где Q – грузоподъемность, кг, Q=25000 кг;
- КПД полиспаста,
=0,975;
-КПД
неподвижных блоков
=0,98 (n=3 – число таких блоков, приходящихся на одну ветвь каната).
Расчетное разрывное усилие в канате согласно правилам Госгортехнадзора определяется как
где kз- коэффициент запаса прочности, принимаемый для легкого режима равным 5.
- 5 -
Канат выбираем по таблицам ГОСТ 26688-80:канат двойной свивки типа ЛК-Р конструкции 6 х 9 + 1 о.с.
| Диаметр каната,мм | dk | 18 |
| Маркировочная группа, Мпа | - | 1764 |
| Разрывное усилие каната, Н | Fразр | 181500 |
2.2. ВЫБОР КРЮКА
В мостовых кранах общего назначения применяются кованые однорогие крюки по ГОСТ 6627-74. Выбор крюка производится по заданной грузоподъемности и режиму работы. В зависимости от типа подвески крюки могут быть укороченными или удлиненными. Удлиненные крюки применяются в подвесках, в которых ось блоков совмещена с траверсой крюка (рис. 2).
Рис. 3. Крюк однорогий
Крюк однорогий № 20. Размеры (ГОСТ 6627-74)
| D | S | b | h | d1 | d2 | d0 | L | l | l1 |
| 170 | 130 | 102 | 164 | 100 | 110 | Трап. 90x12 | 820 | 530 | 115 |
-
РАСЧЕТ УПОРНОГО ПОДШИПНИКА КРЮКА
Поскольку вращение крюка является только установочным, то расчет подшипника ведется по статической грузоподъемности, которая может быть определена по формуле
где kд=1,2 – динамический коэффициент.
- 6 -
Упорный подшипник (рис. 4) выбирается по ГОСТ 6874-75 исходя из расчетной нагрузки и диаметра хвостовика крюка. Верхнее кольцо подшипника устанавливается на хвостовик крюка по напряженной посадке.
Рис. 4. Шарикоподшипник упорный (легкая серия)(ГОСТ 6874-75)
| Типоразмер | d | D | H | Ca,H | Coa,H |
| 8220 | 100 | 150 | 38 | 132000 | 335000 |
2.4. РАСЧЕТ ГАЙКИ КРЮКА
Гайка крюка выполняется с уширением нижней части, которая охватывает упорный подшипник. Наименьший диаметр гайки определяется по формуле
где d0=90 – диаметр резьбы хвостовика крюка, мм.
По правилам безопасности стопорение гайги может осуществляться только при помощи планки, которая устанавливается в щлице нп торцовой части хвостовика и крепится болтами в тело хвостовика или гайки.
2.5. РАСЧЕТ ЭЛЕМЕНТОВ ПОДВЕСКИ
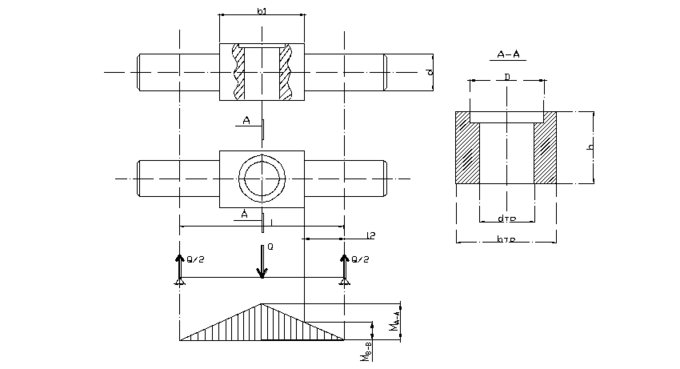
Траверса подвески (рис. 5) работает на изгиб. Расчет траверсы ведется по двум опасным сечениям: в середине (А-А) и в месте изменения сечения (В-В)
- 7 -
Рис. 5. Схема к расчету траверсы.
Максимальный изгибающий момент в сечении А-А определяется по формуле
где l- расчетная длина траверсы, см
где b=300 – расстояние между внутренними блоками крюковой подвески; b2=434 – расстояние между внешними блоками крюковой подвески
Ширину траверсы можно принять
мм, где D=150 – наружный диаметр упорного подшипника. Примем bтр=160 мм. Диаметр отверстия принимается на 2…5 мм больше диаметра хвостовика крюка. Примем dтр=105 мм.
Момент в сечении В – В будет равен
Параметры траверсы определяются проектным расчетом из условия прочности при изгибе
где М – момент, действующий в расчетном сечении, Н·см; W – момент сопротивления расчетного сечения, см3;
- допускаемое напряжение изгиба, МПа.
- 8 -
Траверса обычно изготавливается из стали 40 – 45 с пределом выносливости
=250…260 МПа. Поскольку траверса работает в пульсирующем цикле, то допускаемое напряжение для предварительного расчета может быть определено по упрощенной формуле
где К`0 – коэффициент, учитывающий конструкцию детали (для валов, осей и цапф К`0=2,0…2,8), К`0=2,5; [n] – допускаемый коэффициент запаса прочности (для легкого режима работы [n]=1,4).
Момент сопротивления в сечении А – А:
Характеристики
Тип файла документ
Документы такого типа открываются такими программами, как Microsoft Office Word на компьютерах Windows, Apple Pages на компьютерах Mac, Open Office - бесплатная альтернатива на различных платформах, в том числе Linux. Наиболее простым и современным решением будут Google документы, так как открываются онлайн без скачивания прямо в браузере на любой платформе. Существуют российские качественные аналоги, например от Яндекса.
Будьте внимательны на мобильных устройствах, так как там используются упрощённый функционал даже в официальном приложении от Microsoft, поэтому для просмотра скачивайте PDF-версию. А если нужно редактировать файл, то используйте оригинальный файл.
Файлы такого типа обычно разбиты на страницы, а текст может быть форматированным (жирный, курсив, выбор шрифта, таблицы и т.п.), а также в него можно добавлять изображения. Формат идеально подходит для рефератов, докладов и РПЗ курсовых проектов, которые необходимо распечатать. Кстати перед печатью также сохраняйте файл в PDF, так как принтер может начудить со шрифтами.















