1 (1053195), страница 3
Текст из файла (страница 3)
Допускаемое нормальное напряжение
[]доп=140МПа
[]доп.
Допускаемое касательное напряжение
[]доп.= 0,6
] = 0,6
140 = 84МПа.
Найдем катет шва - К, которым стрела приваривается к колоне. Кручением пренебрегаем
Отсюда К’=8.2мм.
Принимаем К=9мм.
3. Механизм передвижения
Назначение механизма передвижения кран-балки крана:
В соответствии с заданными требованиями данный механизм передвижения кран-балки предназначен для горизонтального перемещения грузов массой до 3200 кг (заданная максимальная грузоподъемность –32000 Н).
Механизм передвижения кран-балки состоит из следующих основных элементов:
-
двигатель
-
редуктор
-
предохраняющая муфта
-
тормоз
3.1. Вес крана
Исходные данные для расчёта:
Для электроталей можно принимать
. Чем меньше грузоподъёмность, тем таль относительно тяжелее; принимаем
3.2. Колёса
1). Выбираем колёса двухрёберные с точечным контактом:
2). Контактное напряжение при точечном контакте и стальном колесе, МПа:
где
- коэффициент эквивалентности;
г)
- коэффициент, зависящий от
где
- второй радиус в точке контакта
3) Допускаемое напряжение -
, МПа
- допускаемое напряжение при наработке
циклов, определяется по табл.
для стали 50.
Наработка колеса N :
- частота вращения колеса, мин -1;
- коэффициент, учитывающий уменьшение средней частоты вращения в период неустановившихся движений.
3.3. Сопротивление передвижению
Сопротивление передвижению при установившейся скорости и ходовых колёсах с ребордами без направляющих роликов, Н ;
где
- коэффициент трения качения для стали, принимают по табл. из [4];
- приведённый коэффициент трения в подшипниках качения;
- коэффициент, учитывающий трение реборд о рельсы, принимают по табл. из [4]
3.4. Двигатель
3.4.1 Предварительный расчёт
1) номинальная частота вращения:
2) передаточное отношение редуктора:
3) КПД механизма передвижения:
4) приведённый момент инерции при пуске:
5) относительное время пуска:
где:
в предварительном расчёте берём
для двигателей с повышенным скольжением.
6) время пуска:
7) номинально вращающий момент электродвигателя, необходимый для разгона с заданным ускорением:
8) номинальная мощность электродвигателя, необходимая для разгона с заданным ускорением:
9) определение PСТ :
ПВ=25%
10) выбор двигателя:
4АС80А6У3: РН =0,9 кВт; nН =860 мин -1; m=Tmax/TH =2,1; Iэл.д. =0,0031 кг*м 3
3.4.2 Корректировочный расчёт
1) номинальный вращающий момент электродвигателя:
2) передаточное отношение:
3) фактическая скорость передвижения:
4) отклонение фактической скорости от заданного значения:
5) приведённый момент инерции при пуске:
6) мощность электродвигателя при установившемся движении:
7) коэффициент загрузки электродвигателя по мощности:
8) относительное время пуска:
9) время пуска:
10) ускорение при пуске:
3.5 Выбор редуктора
1) наибольший вращающий момент на тихоходном вращающем валу редуктора:
2) коэффициент долговечности:
где:
- передаточное число тихоходной пары;
- частота вращения быстроходного вала;
- базовое число циклов перемены контактных напряжений для планетарного редуктора.
Коэффициент долговечности для планетарного редуктора должен удовлетворять условию
Данные для ввода в ЭВМ:
1. Tmax=219.86 H·м;
2. nб =79.6 об/мин
3. ресурс часов 4000
4. режим нагружения 4
5. передаточное отношение 10.8
6. коэффициент ширины венца 0
7. степень точности 8
8. коэффициент безопасности при изготовлении 2,2
9. твёрдость зубьев, HRC:
солнца 0
сателлита 0
эпицикла 0
10. число зубьев min (12…15) - 12
11. число сателлитов 3
12. коэффициент неравномерности распределения нагрузки по сателлитам 1,15;
Производим расчёт одноступенчатого планетарного редуктора.
3.6. Выбор тормоза
1) Приведённый момент при торможении
2) Время торможения
3) Обратный КПД механизма:
где
- прямой КПД механизма между тормозным шкивом и грузозахватным устройством.
4) Наименьший момент статического сопротивления, приводящий к тормозному шкиву:
- приведённый коэффициент трения в подшипнике (подшипник роликовый)
- внутренний диаметр подшипника
- коэффициент трения качения для материала сталь.
5) Требуемый момент тормоза:
3.7. Зубчатая муфта
3.7.1. Подбор муфты
Зубчатая муфта обладает высокой несущей способностью и надёжностью при малых габаритных размерах вследствие большого числа одновременно работающих зубьев; допускают значительную частоту вращения; окружная скорость на зубьях может составить 25 м/с.
Муфта подбирается в зависимости от расчётного момента Тр , который определяют по наибольшему действующему моменту Тн , передаваемому муфтой:
где
- коэффициент, учитывающий степень ответственности передачи;
- коэффициент, учитывающий условия работы
- при работе неравномерно нагруженных механизмов
- коэффициент углового смещения
выбираем муфту зубчатую по ГОСТ 50895-96, передающую вращающий момент
3.7.2. Расчёт болтов на срез и смятие
На муфту устанавливаем 3 болта с зазором и 3 без зазора. Это обеспечивает основной критерий работоспособности - несдвигаемость. Болты, поставленные без зазора по ГОСТ 7817-80.
Болты установлены без зазора. Отверстия для установки болта обрабатывают развёрткой по 7 квалитету. Стержень болта обрабатывают по 6 квалитету.
Несдвигаемость деталей соединения относительно друг друга обеспечивается за счёт сопротивления: а) срезу стержня болта, б) смятию боковой поверхности болта и соединяемых деталей.
С
ила, нагружающая болта из - за действия момента Т :
где
- вращающий момент;
- расстояние от оси вала да оси болта;
Условие прочности соединения (условие прочности болта на срез)
где
- сила нагружения всех болтов
- допускаемое напряжение на срез материала болта. Показатели для стали.
Следовательно, выбранный болт
с
проходит.
Условие прочности соединения на смятие. В качестве площади поверхности смятия берут её проекцию на плоскость:
- допускаемое напряжение на смятие для менее прочного материала (заготовки втулок и обойм муфты сделаны из стали марки 40)
Следовательно, наш болт удовлетворяет.
3.8. Проверочный расчёт вала
3.8.1. Расчётная схема.
Проверку статической прочности выполняют в целях предупреждения пластических деформаций в период действия кратковременных перегрузок.
Уточненные расчеты на сопротивление усталости отражают влияние разновидности цикла напряжений, статических и усталостных характеристик материалов, размеров, формы и состояния поверхности.
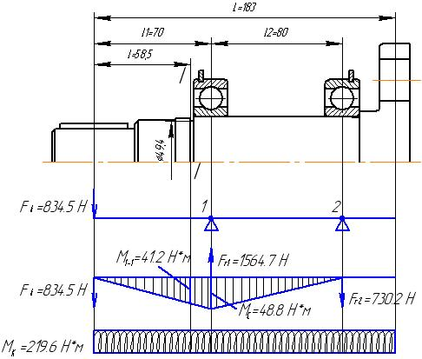
На рис. представлена конструкция выходного вала редуктора механизма передвижения кран-балки, а так же расчётная схема и эпюры изгибающих М и крутящего МК моментов, продольной осевой силы.
3.8.2. Определения сил, действующих на вал.
Для точки 2:
- консольная сила, действующая на вал со стороны муфты
- номинальный крутящий момент муфты.
3.8.3. Характеристики материала
Коэффициент перегрузки при расчёте на статическую прочность -
Вал изготовлен из стали марки 45 со следующими характеристиками статической прочности и сопротивления усталости:
- предел текучести при кручении,
- предел выносливости при изгибе,
- предел выносливости при кручении,
- коэффициент чувствительности к асимметрии цикла нагружения
Вал изготовлен без поверхностного уплотнения
- минимально допустимые запасы прочности по пределу текучести и сопротивлению усталости.
3.8.4. Определение внутренних силовых факторов
Эпюры внутренних силовых факторов приведены на рис.
Крутящий момент численно равен вращающему:
Рассмотрим наиболее опасное сечение ²-² :
Место установки шлицевой гайки:
Изгибающий момент:
Крутящий момент:
















