краны№19 (1053160), страница 2
Текст из файла (страница 2)
Определяем эквивалентную статическую нагрузку. Подшипники рассчитываем по статической грузоподъёмности, так как скорость вращения менее 10 об/мин.
P0 = X0Fr + Y0Fa (Fa = RА ) Fr=0
P0= 1.04*3105 = 3230H
Y0 = 0.22 ctg12=1.04
P0 Cor
Выбранные подшипники удовлетворяют требованиям.
Значения моментов в точках В и С
М= Q*0.4L = 5000*0.4*4000 = 8*106Нмм
М= Q*0.5L –RВ*0.1L = 5000*0.5*4000 – 9463*0.1*4000= 6.21*106Нмм
3. РАСЧЕТ СОЕДИНЕНИЙ
3.1 Шпоночные соединения.
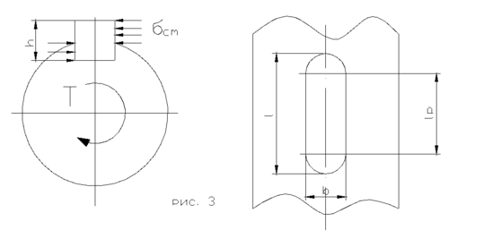
Рассчитаем шпоночное соединение при соединении тихоходного вала с барабаном. Шпонку выбираем призматическую по ГОСТ 23360-78 исходя из размеров тихоходного вала.
Для диаметра вала d=40 мм принимаем призматическую шпонку по
: bh =87 (t1 = 4).
Определяем расчетную длину призматической шпонки:
Принимаем длину шпонки
lшп = 43 мм
lст = 70 мм
“Шпонка 8743 ГОСТ 23360 –78”
3.2 Расчет соединения стрелы крана с опорным узлом.
Расчет оси на смятие.[см]
см =
МПа
см см=0.4т=96Мпа
Расчет оси на срез.
П
ринимаем [ср] = 0,3т = 0.3 * 240 = 72МПа
О
сь отвечает необходимым требованиям по прочности.
3.3 Расчет болтового соединения крепления крана к стене.
Необходимая сила затяжки болта из условия несдвигаемости:
г
де Kcц – коэффициент запаса сцепления;
z – число болтов; f – коэффициент трения для стыка металл – бетон;
i – чило рабочих стыков.
Необходимая сила затяжки болта из условия не раскрытия стыка: min ст>0
min ст = зат - м
Напряжение на стыке от затяжки болтов:
Н
апряжение на стыке от действия момента:
г
де - коэффициент основной нагрузки.
М1=RА*l1 =3105*160= 4.97*106Нмм
Вводя коэффициент запаса по не раскрытию стыка, получим:
П
ринимаем силу затяжки болта Fзат = 3317 Н, большую из двух необходимых.
Условие прочности болта имеет вид:
г
де А1 – площадь болта по диаметру d1;
Суммарная внешняя нагрузка приходящаяся на один болт:
Н
еобходимый диаметр болта из засчёта необходимой площади:
г
де []p = т / Sт – допускаемое напряжение для расчёта на растяжение;
т = 320 – предел текучести материала болта, для болтов класса прочности 4.8
Sт = 4 – коэффициент запаса прочности, для болтов с d < 30мм.
П
о результатам расчеты выбираем болт М16, т.к. у него d1 = 14,294
Проверка на прочность бетонного основания.
max ст = зат + м []см
где []см = 1.8 МПа – допустимое для бетона напряжение смятия.
Б
етонное основание достаточно прочное.
3.4 Блоки
Основные размеры ручья:
Принимаем R=4мм;
Принимаем h=14мм;
Подшипники блока:
Частота вращения наиболее быстроходного блока подвески крюка:
Наибольшая нагрузка на подшипник блока полиспастов:
Zn- число подшипников
Эквивалентная динамическая нагрузка на подшипник блока
Pe=Fn*V*Kb*Khe =5000*1.2*1.3*1 =7800H
Принимаем подшипники шариковые однорядные ГОСТ8338-75
№304 d=20мм, Сr=15900H, С0r= 7800H
4. Выбор смазочных материалов и системы смазки.
Для редукторов общего назначения рекомендуют жидкое минеральное масло марок И-Г-А-68.
Для осуществления смазки передач редуктора используем картерную систему смазки.
Полость подшипников заполнить пластичной смазкой Литол-24 ГОСТ21150-87
Список литературы.
-
Подъемно-транспортные машины. Атлас конструкций. Под ред. Решетова
-
Учебное пособие по курсовому проектированию средств механизации машиностроительного производства. Под ред. Гадолина, Решетова
-
Конструирование узлов и деталей машин. Леликов, Дунаев. М., “Высшая школа”, 1998 г.
-
Расчет механизмов кранов. Учебное пособие. Под ред. Решетова
-
Учебное пособие по проектированию и расчету металлоконстукций подъемно-транспортных устройств. Снесарев, Тибанов.
-
Расчет на прочность деталей машин. Справочник. Биргер И.А., Иосилевич Г.Б. М., Машиностроение, 1993г, 639с
21
















