Пояснительная записка (1052052), страница 13
Текст из файла (страница 13)
При всех случаях нарушения нормального процесса сгорания топлива ухудшается экономичность дизеля и увеличивается дымность выпускных газов. Дымление дизеля путевой машины наиболее наглядно показывает бесполезное выбрасывание топлива в атмосферу, которое при нормальных условиях работы двигателя могло быть использовано рационально. Кроме того, при дымлении загрязняется дизельное масло, в результате чего ухудшаются его физико-химические свойства, увеличивается износ деталей, сокращается их срок работы.
Значительные потери составляют при сливе, хранении и заправке топлива в баки путевых машин. Это происходит из-за неисправности оборудования и резервуаров, плохого соединения трубопроводов, неправильного использования шлангов, перенаполнения баков тепловозов, недослива топлива при сливе из цистерн и от других причин. Большие потери топлива составляют при заправке. Эти потери очень существенны и составляют в среднем по сети железных дорог сотни тонн.
Отработавшие газы путевых машин с карбюраторными двигателями в числе наиболее токсичных компонентов содержат оксид углерода, оксиды азота и углеводороды, а газы дизелей – оксиды азота, углеводороды, сажу и сернистые соединения. Одна путевая машина ежегодно поглощает из атмосферы в среднем более 4 т кислорода, выбрасывая при этом с отработавшими газами примерно 800 кг угарного газа, 40 кг оксидов азота и почти 200 кг различных углеводородов. Снижению токсичности и нейтрализации отработавших газов уделяется основное внимание, и в этом направлении ведутся постоянные технические разработки.[36]
Картерные газы вносят свою долю в загрязнение атмосферного воздуха. Их количество в двигателе возрастает с увеличением износа. Кроме того, оно зависит от условий движения и режима работы двигателя. На холостом ходу система вентиляции картерных газов, которой снабжены практически все современные двигатели, работает менее эффективно, что ухудшает экологические показатели путевых машин.
Испарения бензина также имеют место при работе двигателя и в нерабочем состоянии. Внутренняя полость бензобака автомобиля всегда сообщается с атмосферой для поддержания давления внутри бака на уровне атмосферного по мере выработки бензина. Это необходимо для нормальной работы всей системы питания двигателя, но в то же время создает условия для испарения легких фракций бензина и загрязнения ими воздуха.
Для cнижения негативного воздействия загрязнений воздушной среды при использовании бензиновых путевых машин ГОСТом Р 52033-2003 были предусмотрены специальные методы проверки и нормативные значения содержания СО и СН, т.е. помимо СО и СН здесь дополнительно должны нейтрализоваться и окислы азота NOx, считающиеся наиболее вредными компонентами выброса. При этом работу такого нейтрализатора контролируется по косвенным признакам, путем оценки λ-показателя, характеризующего коэффициент избытка воздуха при работе двигателя.
8.3 Расчет экрана для снижения шума в зоне жилой застройки при работе путевой машины
Расчетные уровни звукового давления L в октавных полосах частот производимого путевой машиной при реконструкции разъезда и предельный спектр в зоне жилой застройки (на расстоянии у = 30 м) заданы в таблице8.1.
Таблица 8.1 - Фактические данные звукового давления производимого путевой машиной
| Среднегеометрическая частота, Гц | 31,5 | 63 | 125 | 250 | 500 | 1000 | 2000 | 4000 | 8000 |
| Уровень звукового давления, дБ, путевой машины | 70 | 60 | 62 | 60 | 55 | 51 | 50 | 46 | 38 |
| Предельный спектр в зоне жилой застройки | 72 | 67 | 57 | 49 | 44 | 40 | 37 | 35 | 33 |
Определим, будет ли обеспечено снижение шума до нормируемого значения, если построить забор из железобетонных панелей высотой Н = 3 м.
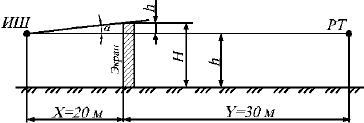
Расчетная точка (РТ) в зоне жилой застройки и источник шума (ИШ) расположены на одном уровне. Расстояние от экрана до наиболее удаленного ИШ- х = 20 м. Вычертим поперечный разрез места расположения ИШ, экрана и РТ (рисунок8.1).
Рисунок8.1. Схема расположения экрана относительно источника шума ИШ и расчетной точки РТ
Определим критерий затухания М, по которому из графика на рисуноке8.2 находим величину снижения шума D L.
Рассчитываем эффективность экрана методом Реттингера, для чего определим критерий затухания М [37; 38]:
– при расположении источника шума и рабочего места на одном уровне
, (8.1)
М31,5=0,001.
Расчет повторим для остальных среднегеометрических октавных частот. По графику (рисунок 8.2) определяем снижение шума D Lэкр для частоты 31,5 Гц, D Lэкр = 5 дБ и т. д. Расчет представим в табличной форме (таблица 8.2).
Рисунок 8.2. Зависимость эффективности экрана от критерия М
Таблица 8.2 - Результаты расчета
| Среднегеометрическая частота октавной полосы, Гц | 31,5 | 63 | 125 | 250 | 500 | 1000 | 2000 | 4000 | 8000 |
| l | 10,8 | 5,40 | 2,72 | 1,36 | 0,68 | 0,34 | 0,17 | 0,085 | 0,043 |
| M | 0,001 | 0,18 | 0,25 | 0,35 | 0,49 | 0,70 | 0,99 | 1,40 | 1,97 |
| L | 55 | 60 | 62 | 60 | 55 | 51 | 50 | 46 | 38 |
| D L | 5 | 7 | 8 | 9 | 10 | 12 | 14 | 17 | 19 |
| L – D L | 50 | 53 | 54 | 51 | 45 | 39 | 36 | 29 | 19 |
| L по СН | 83 | 67 | 57 | 49 | 44 | 40 | 37 | 35 | 33 |
| Превышение | – | – | – | 2 | 1 | – | – | – | – |
Превышения нормы, зафиксированные в октавных полосах со среднегеометрическими частотами 250 и 500 Гц, находятся в пределах точности измерений. Поэтому практически можно считать, что применение экрана позволило снизить уровень шума в зоне жилой застройки до нормы.
ЗАКЛЮЧЕНИЕ
В дипломном проекте в соответствии с поставленной целью и задачами проработаны и решены следующие вопросы реконструкции земляного полотна на разъезде Дальневосточный ДВЖД участка Волочаевка 1 – Комсомольск – на – Амуре:
1. Строительство дополнительных второго и третьего путей;
2. Удлинение существующих приемоотправочных путей № I,2,3;
3. Разработка ПОС по реконструкции разъезда;
4. Замена существующего звеньевого пути на бесстыковой с полной заменой старого балласта на новый;
5. Строительство и восстановление водоотводных и водопропускных сооружений;
6. Строительство автомобильных переездов вдоль строящихся (удлиняемых) путей для обслуживания инфраструктуры;
7. Операционный контроль качества;
8. Составление локального сметного расчета;
9. Разработке мероприятий по обеспечению безопасности жизнедеятельности при реконструкции разъезда Дальневосточный ДВЖД.
Дипломный проект выполнен в полном объеме в соответствии с заданием на выпускную квалификационную работу.
ЛИТЕРАТУРА
-
СП 119.13330.2012 «Железные дороги колеи 1520 мм»;
-
СП 32-104-98 «Проектирование земляного полотна железных дорог колеи 1520 мм»;
-
ГОСТ 25100-2011. Грунты. Классификация. Межгосударственный Стандарт. Дата введения 2013-01-01;
-
СНиП 23-01-99 «Строительная климатология».
-
СНиП 2.02.01-83 Строительные нормы и правила. Основания зданий и сооружений;
-
Организация и планирование железнодорожного строительства: Учеб. Для вузов // Г.Н. Жинкин, И.В. Прокудин, И.А. Грачев, Э.С. Спиридонов, С.К. Терлецкий. Под ред. Г.Н. Жинкина и И.В. Прокудина. – М.: Желдориздат, 1999. – 700 с.
-
Стратегия развития "РЖД" на период до 2030 года (основные положения);
-
Типовая технологическая карта на производство земляных работ погрузчиками;
-
Постановлением Правительства Российской Федерации от 16.02.2008 № 87 «О составе разделов проектной документации и требованиях к их содержанию»;
-
Государственные элементные сметные нормы на строительные работы. Сборник 1. Земляные работы (издание 2008 г. с учетом изменений и дополнений)
-
Государственные элементные сметные нормы на строительные работы. Часть 1. Земляные работы (редакция 2009 г.)
-
Государственные элементные сметные нормы на строительные работы. Сборник 2. Горновскрышные работы (издание 2008 г. с учетом изменений и дополнений);
-
Государственные элементные сметные нормы на строительные работы. Часть 28. Железные дороги (редакция 2009 г.)
-
Сметная стоимость строительства: методическое указание для выполнения курсовой работы. – Хабаровск: Изд-во ДВГУПС, 2001.
-
«Методическими указаниями по определению стоимости строительной продукции на территории РФ» МДС 81-35. 2004 (Постановление Госстроя от 05.03.2004 г. № 15.1)
-
Распоряжение ОАО «РЖД» от 29 декабря 2012 г. №2790р Об утверждении и введении в действие "инструкции по обеспечению безопасности движения поездов при производстве путевых работ"/Утверждена распоряжением ОАО «РЖД» от 29 декабря 2012 г. № 2790р;
-
Правила по охране труда при сооружении земляного полотна железных дорог (Утв. Минтрансстрой СССР от 1990-12-26)
-
ПОТ Р О-32-ЦП-652-99 Правила по охране труда при содержании и ремонте железнодорожного пути и сооружений
-
Инструкция по охране труда для машиниста бульдозера ИОТ РЖД-4100612-ЦДРП-021-2013 (Распоряжение ОАО РЖД от 3 февраля 2014 г. №239р)
-
Инструкция по охране труда для стропальщика при укладке кранами рельсошпальной решетки ИОТ РЖД-4100612-ЦДРП-022-2012 (утв.распоряжением ОАО «РЖД» от 14 февраля 2013г. №394р)
-
СП 12-136-2002 «Решения по охране труда и промышленной безопасности в ПОС и ППР
-
Строительные машины: Справочник: В 2 т. Т.1: Машины для строительства промышленных, гражданских сооружений и дорог / А.В. Ранеев, В.Ф. Корелин, А.В. Жаворонков и др.; Под общей ред. Э.Н. Кузина. – 5-е издание перераб. – М.: Машиностроение, 1991 г.
-
Пособие к СНиП 2.05.07-85 Пособие по проектированию земляного полотна и водоотвода железных и автомобильных дорог промышленных предприятий.
-
ГОСТ 8267-93.Щебень и гравий из плотных горных пород для строительных работ.
-
Постановлением Правительства Российской Федерации от 16.02.2008 № 87 «О составе разделов проектной документации и требованиях к их содержанию».
-
Технические условия на работы по ремонту и планово-предупредительной выправке пути, утверждённые МПС РФ № ЦПТ-53 от 30.09.2003, в редакции распоряжения ОАО "РЖД" № 2538р от 25.11.2011.
-
СНиП 3.05.06 – 85 «Электротехнические устройства».
-
ГОСТ 12.1.003-83. ССБТ. Шум. Общие требования безопасности
-
ГОСТ 12.1.012-90. ССБТ. Вибрационная безопасность. Общие требования.
-
ОСТ Р 54984-2012 Освещение наружное объектов железнодорожного транспорта.
-
ГОСТ 12.1.005-88. ССБТ. Общие санитарно-гигиенические требования к воздуху рабочей зоны.
-
ГОСТ 12.1.004-91. ССБТ. Пожарная безопасность. Общие требования.
-
ГОСТ 12.1.010-76. ССБТ. Взрывобезопасность. Общие требования.
-
Правила пожарной безопасности на железнодорожном транспорте. МПС России 11.11.92 ЦУО/112.
-
ГОСТ Р 52033-2003, Автомобили с бензиновыми двигателями. Выбросы загрязняющих веществ с отработавшими газами [Текст]/Нормы и методы контроля при оценке технического состояния. М.: Госстандарт России.
-
Охрана труда в грузовом хозяйстве железных дорог (с примерами решения задач) / В.И. Бекасов, Н.Е. Лысенко, В.А. Муратов и др. – М.: Транспорт, 1984.
-
2. Бобин, Е.В. Борьба с шумом и вибрацией на железнодорожном транспорте – 3-е изд., перераб. и доп. / Е.В. Бобин. – М.: Транспорт, 1973.
-
СП 48.13330.2011 Организация строительства.
-
СП 11-110-99 Авторский надзор за строительством зданий и сооружений.
-
СП 246.1325800.2016 Положение об авторском надзоре за строительством зданий и сооружений.
-
СНиП 3.02.01-87.
95
















