МОЙ ДИПЛОМ (1051977), страница 5
Текст из файла (страница 5)
Остаточный ресурс Тост, который характеризует остаточный срок эксплуатации до предельного состояния пролетного строения, с учетом перспектив по нагрузке и грузонапряженности определяется из условия
Где
- годовая мера повреждения от перспективной нагрузки
- перспективный коэффициент грузонапряженности участка:
= 1.
Усиление пролетного строения не целесообразно, так как: срок эксплуатации
= 81 года > 60-70 лет; остаточный ресурс
На основании расчёта грузоподъёмности балок проезжей части пролётного стоения, а также на основе аналица технического состояния моста в целом, можно сделать следующие выводы:
Пролётные строения подлежат замене, так как:
- техническое состояние пролётных строений в целом, неудовлетворительное;
- грузоподъёмность балок проезжей части не удовлетворяет пропуску заданной категории нагрузки;
- срок эксплуатации пролётного строения составляет 81 лет, тогда как нормативный срок службы металлических пролётных строений по ЦП-628 [19], составляет 50-60 лет;
- оставшийся усталостный ресурс пролётного строения составляет 6,8 лет, что меньше срока, на который делается усиление, который в свою очередь составляет 25 лет.
2.2. Расчет грузоподъемности опор моста.
Классификация подвижных нагрузок по воздействию их на опоры выполняется на основании Руководства по определению грузоподъемности металлических пролетных строений железнодорожных мостов и Руководства по пропуску подвижного состава по железнодорожным мостам с учетом динамических коэффициентов.
Грузоподъемность мостовых опор определяется по предельным состояниям:
на прочность кладки тела опоры и фундамента;
на прочность грунтового основания с проверкой положения равнодействующей нагрузок в уровне подошвы фундамента;
на устойчивость положения против опрокидывания и сдвига.
За предельное состояние опоры принято достижение в рассматриваемом сечении напряжения, равного расчетному сопротивлению кладки или грунта, а также равенство удерживающих и сдвигающих сил или опрокидывающих и удерживающих моментов. В каждом расчетном сечении опоры грузоподъемность определяется по фактическим размерам поперечных сечений и механическим характеристикам кладки, а в сечении по подошве фундамента по физико-механическим характеристикам грунтов.
2.2.1 Общие положения.
Грузоподъемность опор определяется по следующей статической схеме:
- Расчет по среднему давлению;
где m – коэффициент условий работы;
n – коэффициент надежности по назначению;
R – расчетное сопротивление кладки (с учетом деффектов) или несущая способность грунта;
А – рабочая площадь поперечного сечения;
доля вертикальной нагрузки от подвижного состава;
коэффициент надежности к временным нагрузкам;
- Расчет по максимальному давлению;
где
-момент сопротивления от постоянных нагрузок и временныхвертикальных и горизонтальных воздействий;
- вертикальные усилия от постоянных и временных нагрузок;
коэффициент сочетания нагрузок;
W – момент сопротивления для наиболее нагруженной грани;
- Расчет по устойчивости против опрокидывания;
где:
коэффициент надежности при проверки устойчивости;
коэффициент условий работы при проверке устойчивости на сдвиг и опрокидывание;
- Расчет по устойчивости против сдвига;
где:
- коэффициент трения кладки по поверхности грунта;
- Расчет по положению равнодействующей, находят относительный эксцентриситет;
где:
эксцентриситет приложения равнодействующей относительно центра тяжести;
радиус ядра сечения для определения положения равнодействующей
2.2.2. Расчет грузоподъемности береговой опоры № 0, № 7.
Данные необходимые для расчета грузоподъемности береговой опоры приведены в таблице 2.3.
Таблица 2.3. – Данные необходимые для расчета грузоподъемности.
1.Расчет по среднему давлению.
-
В сечении по подошве фундамента.
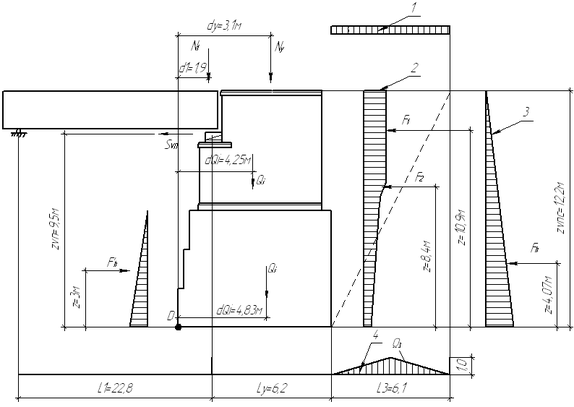
Расчетная схема загружения береговой опоры для расчета по среднему давлению приведена на рисунке 2.11.
Рисунок 2.11. - Расчетная схема загружения береговой опоры для расчета по среднему давлению.
где
сумма собственных весов частей тела устоя, расположенных выше рассматриваемого сечения с коэффициентами надежности по нагрузкам;
интенсивность постоянных распределенных по длине нагрузок;
коэффициенты надежности по нагрузке;
-
В сечении по обрезу фундамента.
-
Расчет по максимальному давлению.
-
В сечении по подошве фундамента.
Расчетная схема загружения береговой опоры по максимальному давлению приведена на рисунке 2.12.
-
Допускаемая временная вертикальная нагрузка интенсивностью- k
-
Эпюра горизонтального бокового давления на устой от транспортных средств на призме обрушения
-
Эпюра бокового давления от собственного веса грунта
-
Линии влияния вертикальных сил.
Рисунок 2.12. - Расчетная схема загружения береговой опоры для расчета по максимальному давлению.
где:
сумма собственных весов частей тела устоя, расположенных выше рассматриваемого сечения с коэффициентами надежности по нагрузкам;
интенсивность постоянных распределенных по длине нагрузок;
коэффициенты надежности по нагрузке;
эксцентриситет приложения равнодействующей относительно центра тяжести;
-
В сечении по обрезу фундамента.
Расчетная схема загружения береговой опоры по максимальному давлению приведена на рисунке 2.12.
-
Проверка эксцентриситета приложения равнодействующей.
Расчетная схема загружения береговой опоры по положению равнодействующей приведена на рисунке 2.12.
Так как
, следовательно, равнодействующая нагрузок не выходит за пределы ядра сечения, все сечения полностью работают на сжатие и уточнять класс опоры по положению равнодействующей не требуется.
-
Расчет на опрокидывание.
Расчетная схема загружения береговой опоры для расчета на опрокидывание приведена на рисунке 2.13.
-
Допускаемая временная вертикальная нагрузка интенсивностью- k
-
Эпюра горизонтального бокового давления на устой от нагрузки на призме обрушения
-
Эпюра бокового давления от собственного веса грунта
-
Линии влияния вертикальных сил.
-
Эпюра отпора грунта засыпки
-
D-центр опрокидывания.
Рисунок 2.13. - Расчетная схема загружения береговой опоры для расчета на опрокидывание.
5. Расчет на сдвиг.
Расчетная схема загружения береговой опоры для расчета на сдвиг приведена на рисунке 2.13.
Результаты расчетов береговых опор приведены в таблице 2.4.
Таблица 2.4. - Результаты расчетов береговых опор№0 (№5)
| Величины необходимые для подсчета класса устоя | Расчетные значения | |||||
| По среднему давлению | По максимальному давлению | На опрокидывание | На сдвиг | |||
| Подо шва | Обрез | Подо шва | Обрез | Подо шва | Подо шва | |
| k | 145,88 | 374,97 | 52,27 | 107,21 | 83,00 | 38,30 |
| λ | 28,35 | 28,35 | 34,45 | 34,15 | 6,1 | 6,1 |
| λу | 6,17 | 6,17 | 12,27 | 11,97 | - | - |
| kн | 1,658 | 1,658 | 1,549 | 1,552 | 2,34 | 2,34 |
| (1+µ) | 1,462 | 1,462 | 1,419 | 1,42 | 1,747 | 1,747 |
| K | 60,18 | 156,05 | 23,78 | 48,64 | 20,30 | 9,36 |
2.2.3 Расчет грузоподъемности опоры №1















