[28.10.11] Лекция №9 (1050522)
Текст из файла
Лекция №9 [28.10.11]
Схема асинхронного порта в режиме вывода:
При первом обращении значение флага 1, в регистре данных должен быть помещён байт данных, который затем попадёт на шину. АЦП анализирует состояние флага: 1 – команда обращения. Надо перевести буфер в рабочее состояние, коммутация содержимого регистра с шиной данных. Сигнал чтения сбрасывает значение флага готовности в 0. И так далее куча слов, я ничо не успел.
Сигналы готовности портов могут быть использованы как сигналы запросов внешних прерываний для ЦП. Это освобождает ЦП от проверки портов.
Особенности архитектур портов МК MCS-51 Intel и AVR
Все четыре порта реализуют ввод/вывод.
П
орты p0 и p2 работают параллельно для приёма адреса. Если к порту подключается внешняя память, то порт работает в режиме мультиплексирования. Сначала осуществляется передача младшего байта ячейки памяти, а затем принимается байт данных. Старший байт адреса передаётся через порт p2, а младший через p0.
p1 используется при программировании и чтении внутренней памяти программ. Старший байт через p2, а младший через p1.
p3 используется для передачи внешних запросов прерываний, выдачи управляющих сигналов работы с внешней памятью и каналов передачи временных интервалов.
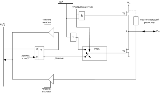
В состоянии записи в порт из внешнего устройства транзисторы T1 и T2 должны быть закрыты и представлять собой высокоимпендансный выход. В случае записи к ножке порта подключается подтягивающий резистор (10-300 кОм), чтобы не было наводящих помех.
При записи логической единицы автоматически в этом значении находится напряжение близкое к напряжению питания порта, не происходит замыкания входного порта на землю. При записи нуля, ножка замыкается на землю.
В режиме вывода бита информации на ножку порта подтягивающий резистор должен быть аппаратно отключён от ножки порта.
Данные поступают с двух направлений: с шины данных и с шины адреса. В режиме вывода транзистор T1 должен быть всегда в открытом состоянии, а определяющим значением на выводе порта является T2.
Если в триггер попала логическая единица, то информация берётся с инверсного выхода триггера. T2 в этом случае закрыт, точка A имеет потенциал близкий к питанию. А если в триггер попадает ноль, то на инверсном выходе единица, и T2 открывается.
Обобщённая структура портов МК AVR:
Структура одного разряда порта МК AVR:
Характеристики
Тип файла документ
Документы такого типа открываются такими программами, как Microsoft Office Word на компьютерах Windows, Apple Pages на компьютерах Mac, Open Office - бесплатная альтернатива на различных платформах, в том числе Linux. Наиболее простым и современным решением будут Google документы, так как открываются онлайн без скачивания прямо в браузере на любой платформе. Существуют российские качественные аналоги, например от Яндекса.
Будьте внимательны на мобильных устройствах, так как там используются упрощённый функционал даже в официальном приложении от Microsoft, поэтому для просмотра скачивайте PDF-версию. А если нужно редактировать файл, то используйте оригинальный файл.
Файлы такого типа обычно разбиты на страницы, а текст может быть форматированным (жирный, курсив, выбор шрифта, таблицы и т.п.), а также в него можно добавлять изображения. Формат идеально подходит для рефератов, докладов и РПЗ курсовых проектов, которые необходимо распечатать. Кстати перед печатью также сохраняйте файл в PDF, так как принтер может начудить со шрифтами.














