учебное пособие (1050267), страница 3
Текст из файла (страница 3)
Принцип стробирования выходных сигналов иллюстрируется на Рис. 10.
Количественный анализ "эффективного" коэффициента искажений, учитывающий интегрирование по периоду пятой гармоники, позволяет оценить следующая формула, описывающая "уничтожение" 5n-гармоник, в которой функция floor(x) определяет целую часть числа x:
В результате вычислений получаем: THD <1 %.
Рис. 10. Принцип синхронного детектирования
со стробированием по пятой гармонике, где СД – синхронный детектор
Но основным следствием стробирования является эффективное улучшение отношения “Сигнал/Шум” (или SNR – Signal to Noise Ratio) по сравнению с традиционным синхронным детектором. Это улучшение количественно можно оценить следующим образом. Пусть имеется гармонический сигнал с периодом TS, амплитудой ES. Пусть с ним аддитивно смешан некоторый стационарный шум En(t), энергия которого равномерно распределена во времени (это весьма точно выполняется для частот, удаленных от гармоник опорного колебания). Тогда для показателей увеличения SNR следует найти отношение средних величин (площадей):
которое составляет 3.7 раза. Поскольку средние мощности шумов одинаковы, делители в числителе и знаменателе выражения сокращаются. Оставшаяся дробь представляет собой отношение среднего значения синусоиды за половину периода к среднему за период строба. Множитель 5/2 отражает тот факт, что аддитивные шумы в сигнале в случае стробирования по периоду пятой гармоники воздействуют на выход синхронного детектора не весь период, а только 2/5 его длительности.
Этот результат позволяет увеличить динамический диапазон измерений в сторону малых сигналов теоретически на 11 дБ, т.е. почти на два двоичных разряда. Это существенно для исследований параметров ЦГД в условиях естественной подвижности пациента.
Реализация активных фильтров для усиления сигналов реограммы и ЭКГ
Для реализации фильтрующих цепей на выходе импедансного измерительного канала необходимо выполнение ряда требований, которые формируются на этапе проектирования. Основными из них являются:
ограничение полосы пропускания импедансного и ЭКГ каналов;
частотное разделение сигналов пульсового кровенаполнения Z и базового импеданса Zб;
обеспечение усиления сигналов для согласования с АЦП.
Новым техническим решением для импедансной аппаратуры является нормирующий фильтр-усилитель на выходе синхронного детектора, который позволяет использовать один канал АЦП для полного реографического сигнала, не разделяя его на базовый импеданс и пульсовую составляющую реограммы, тем самым сокращая аппаратные затраты и количество передаваемых данных.
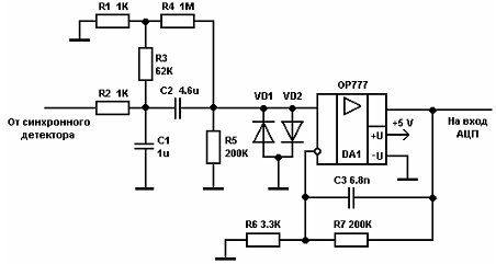
Принцип действия нормирующего фильтра-усилителя можно рассмотреть по электрической принципиальной схеме, представленной на Рис. 11.
Рис. 11. Нормирующий фильтр-усилитель. Схема электрическая принципиальная
Сначала сигнал реограммы с выхода синхронного детектора поступает на ФНЧ, частота среза которого составляет
В дальнейшем выделенная огибающая амплитудно-модулированного сигнала (текущий импеданс) проходит через двухступенчатый делитель с общим коэффициентом передачи
а переменный сигнал (пульсовая составляющая) – через ФВЧ с частотой среза
Н
22
еобходимость предварительного понижения амплитуды базового импеданса обусловлена биологической природой чрезвычайно малого индекса модуляции амплитудно-модулированного ВЧ-сигнала реограмм, который составляет для типичного в исследованиях центральной гемодинамики импеданса 25 Ом и амплитуды реографических волн 0,1 Ом всего 0,4 %. Большой коэффициент усиления (36 дБ), необходимый для согласования реографических сигналов со входным диапазоном АЦП, обеспечивает активный ФВЧ на базе микромощного прецизионного ОУ Rail-to-Rail выходом. Результатом полной обработки сигналов фильтрами является полоса пропускания по уровню –3 дБ от 0,17 Гц до 117 Гц. При проектировании нормирующего фильтра-усилителя необходимо было обеспечить достаточно низкое значение частоты среза ФВЧ, в частности 0,17 Гц, чтобы избежать серьезных амплитудных (почти в полтора раза на частоте среза) и фазовых искажений диагностических сигналов (которые достигают 45º фазового сдвига на частоте среза для фильтров первого порядка и больше для более высоких порядков).Известно, что фильтры с большими постоянными времени (или низкими частотами среза) обладают большим временем установления при амплитудных перегрузках по входу. Моменты включения преобразователя, двигательная активность пациента и т.п. приводят к возникновению в линейном фильтре высоких частот “мертвого” времени установления рабочего режима, в течение которого нормирующий фильтр-усилитель находится в нелинейном режиме и не отражает изменения входных сигналов на выходе. Оценка длительности этого процесса производится с учетом постоянной времени фильтра , определяемой как произведение RC. При этом считается, что линейный переходный процесс завершается за 3..5 и многократно возрастает в нелинейном режиме. Для ФВЧ с частотой среза 0,17 Гц длительность восстановления рабочего режима после возникновения перегрузки составляет десятки секунд, что доставляет существенные неудобства при проведении импедансных исследований. С целью уменьшения длительностей переходных процессов целесообразно применение схемы нелинейного установления режимов по постоянному току с использованием диодов VD1 и VD2. Результатом является быстрое восстановление работоспособности преобразователя после снятия условий амплитудной перегрузки.
Аналогичными частотными характеристиками и коэффициентом передачи должен обладать каскад усиления и фильтрации ЭКГ сигнала. Схемотехническая реализация ЭКГ сигнала мало отличается от канала преобразования импедансного сигнала.
Коррекция линейных частотных искажений, вносимых фильтрующими цепями
Линейные частотные искажения, вносимые импедансным измерительным преобразователем, требуют коррекции из-за создаваемой погрешности определения амплитуды и длительности фаз реосигнала. Постоянная времени фильтра высоких частот первого порядка реографа измеряется в процедуре калибровки (в данном случае частота среза составляет 0,17 Гц):
Комплексный коэффициент передачи фильтра ВЧ:
Частотная характеристика фильтра высоких частот:
Обратное преобразование Лапласа определяет импульсную функцию фильтра ВЧ:
Интегрируя импульсную, получим переходную функцию для ФВЧ, т.к. можно, зная переходную функцию, дифференцировать ее и получить импульсную:
Теперь проведем оценку длительностей переходного процесса по 3-м и 5-ти постоянным времени ФВЧ (Рис. 12).
Отсюда видно, что до 12-ти разрядной точности переходной процесс фильтра ВЧ устанавливается за 5.77 с. АЧХ непрерывного ФНЧ в логарифмическом масштабе представлена на Рис. 13.
Теперь, имея импульсную характеристику искажающего фильтра, можно, вводя дискретное время, получить системную функцию дискретного фильтра (сначала дискретизируем время в переходной функции фильтра затем, дифференцируем по индексам отсчетов для получения дискретной импульсной характеристики и после этого с использованием суммы геометрической прогрессии выполняем прямое Z-преобразование):
АЧХ непрерывного и дискретного фильтров представлена на Рис. 14.
Рис. 12. Переходная функция ФВЧ в логарифмическом масштабе
Рис. 13. АЧХ непрерывного ФНЧ в логарифмическом масштабе
Рис. 14. АЧХ непрерывного и дискретного фильтров
По полученным результатам видно, что получена правильная системная функция дискретного фильтра, а АЧХ фильтров практически совпадают (совпадают с высокой точностью), см. Рис. 14.
Теперь возможно синтезировать корректор с обратной частотной характеристикой. Для этого системную функцию запишем в привычном виде, в котором числитель отвечает за нерекурсивную часть фильтра, а знаменатель – за рекурсивную часть алгоритма.
Итоговая системная функция корректора:
Итоговая системная функция имеет полюс:
.
Полюс находится вне окружности единичного радиуса, следовательно, полученный фильтр неустойчив. АЧХ дискретного прототипа и корректора представлена на Рис. 15.
Неустойчивость корректора в принципе следует из того, что исходный (искажающий) фильтр имел нуль передаточной функции на нулевой частоте. Однако в области информативных частот корректор имеет требуемые свойства, а избавиться от неустойчивости можно, вводя отсутствующий в реальной схеме резистор большой величины параллельно конденсатору фильтра, Рис. 16 (б). При этом на низких частотах усиление корректора окажется ограниченным.
АЧХ непрерывного фильтра представлена на Рис. 17, АЧХ непрерывного корректора представлена на Рис. 18.
















