Описание ATmega16 (1044802)
Текст из файла
Описание ATmega16
Отличительные особенности:
-
8-разрядный высокопроизводительный AVR микроконтроллер с малым потреблением
-
Прогрессивная RISC архитектура
130 высокопроизводительных команд, большинство команд выполняется за один тактовый цикл
32 8-разрядных рабочих регистра общего назначения
Полностью статическая работа
Производительность приближается к 16 MIPS (при тактовой частоте 16 МГц)
Встроенный 2-цикловый перемножитель -
Энергонезависимая память программ и данных
16 Кбайт внутрисистемно программируемой Flash памяти (In-System Self-Programmable Flash)
Обеспечивает 1000 циклов стирания/записи
Дополнительный сектор загрузочных кодов с независимыми битами блокировки
Внутрисистемное программирование встроенной программой загрузки
Обеспечен режим одновременного чтения/записи (Read-While-Write)
512 байт EEPROM
Обеспечивает 100000 циклов стирания/записи
1 Кбайт встроенной SRAM
Программируемая блокировка, обеспечивающая защиту программных средств пользователя -
Интерфейс JTAG (совместимый с IEEE 1149.1)
Возможность сканирования периферии, соответствующая стандарту JTAG
Расширенная поддержка встроенной отладки
Программирование через JTAG интерфейс: Flash, EEPROM памяти, перемычек и битов блокировки -
Встроенная периферия
Два 8-разрядных таймера/счетчика с отдельным предварительным делителем, один с режимом сравнения
Один 16-разрядный таймер/счетчик с отдельным предварительным делителем и режимами захвата и сравнения
Счетчик реального времени с отдельным генератором
Четыре канала PWM
8-канальный 10-разрядный аналого-цифровой преобразователь
8 несимметричных каналов
7 дифференциальных каналов (только в корпусе TQFP)
2 дифференциальных канала с программируемым усилением в 1, 10 или 200 крат (только в корпусе TQFP)
Байт-ориентированный 2-проводный последовательный интерфейс
Программируемый последовательный USART
Последовательный интерфейс SPI (ведущий/ведомый)
Программируемый сторожевой таймер с отдельным встроенным генератором
Встроенный аналоговый компаратор -
Специальные микроконтроллерные функции
Сброс по подаче питания и программируемый детектор кратковременного снижения напряжения питания
Встроенный калиброванный RC-генератор
Внутренние и внешние источники прерываний
Шесть режимов пониженного потребления: Idle, Power-save, Power-down, Standby, Extended Standby и снижения шумов ADC -
Выводы I/O и корпуса
32 программируемые линии ввода/вывода
40-выводной корпус PDIP и 44-выводной корпус TQFP -
Рабочие напряжения
2,7 - 5,5 В (ATmega16L)
4,5 - 5,5 В (ATmega16) -
Рабочая частота
0 - 8 МГц (ATmega16L)
0 - 16 МГц (ATmega16)
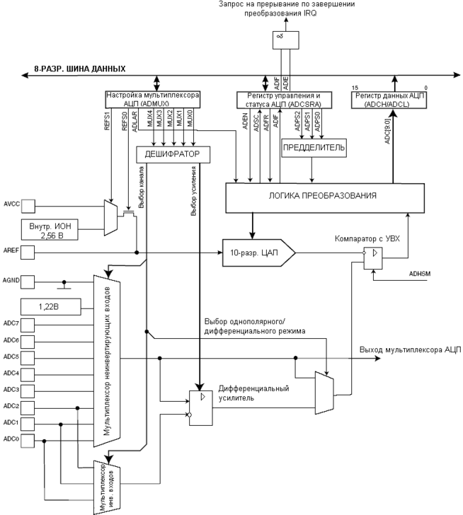
Блок- схема ATmega16:
Расположение выводов ATmega16:
Работа аналого-цифрового преобразователя
Аналого-цифровой преобразователь может работать в двух режимах: режиме однократного преобразования и режиме циклического преобразования. В режиме однократного преобразования каждое преобразование инициируется пользователем. В режиме циклического преобразования ADC осуществляет выборку и обновление содержимого регистра данных ADC непрерывно. Выбор режима производится битом ADFR регистра ADCSR.
Работа ADC разрешается установкой в состояние 1 бита ADEN в регистре ADCSR. Первому преобразованию, начинающемуся после разрешения ADC, предшествует пустое инициализирующее преобразование. На пользователе это отражается лишь тем, что первое преобразование будет занимать 27 тактовых циклов, вместо обычных 14.
Преобразование начинается с установки в состояние 1 бита начала преобразования ADSC. Этот бит находится в состоянии 1 в течение всего цикла преобразования и сбрасывается, по завершении преобразования, аппаратно. Если в процессе выполнения преобразования выполняется смена канала данных, то ADC вначале закончит текущее преобразование и лишь потом выполнит переход к другому каналу.
Поскольку ADC формирует 10-разрядный результат, то по завершении преобразования результирующие данные размещаются в двух регистрах данных ADCH и ADCL. Для обеспечения соответствия результирующих данных считываемому уровню используется специальная логика защиты. Этот механизм работает следующим образом: при считывании данных первым должен быть считан регистр ADCL. Как только ADCL считан обращение ADC к регистрам данных блокируется. Таким образом, если после считывания состояния ADCL, но до считывания ADCH, будет завершено следующее преобразование, ни один из регистров не будет обновлен и записанный ранее результат не будет искажен. Обращение ADC к регистрам ADCH и ADCL разрешается по завершении считывания содержимого регистра ADCH.
ADC имеет свое собственное прерывание, которое может быть активировано по завершению преобразования. Когда обращение ADC к регистрам запрещено, в процессе считывания регистров ADCL и ADCH, прерывание будет активироваться, даже если результат будет потерян.
Регистр управления мультиплексором АЦП– ADMUX
| Разряд | 7 | 6 | 5 | 4 | 3 | 2 | 1 | 0 |
|
|
| REFS1 | REFS0 | ADLAR | MUX4 | MUX3 | MUX2 | MUX1 | MUX0 | ADMUX |
| Чтение/запись | Чт./Зп. | Чт./Зп. | Чт./Зп. | Чт./Зп. | Чт./Зп. | Чт./Зп. | Чт./Зп. | Чт./Зп. |
|
| Исх. значение | 0 | 0 | 0 | 0 | 0 | 0 | 0 | 0 |
|
Разряд 7:6 – REFS1:0: Биты выбора источника опорного напряжения
Данные биты определяют какое напряжение будет использоваться в качестве опорного для АЦП (см. табл. 97). Если изменить значения данных бит в процессе преобразования, то новые установки вступят в силу только по завершении текущего преобразования (т.е. когда установится бит ADIF в регистре ADCSRA). Внутренний ИОН можно не использовать, если к выводу AREF подключен внешний опорный источник.
Таблица 97 – Выбор опорного источника АЦП
| REFS1 | REFS0 | Опорный источник |
| 0 | 0 | AREF, внутренний VИОН отключен |
| 0 | 1 | AVCC с внешним конденсатором на выводе AREF |
| 1 | 0 | Зарезервировано |
| 1 | 1 | Внутренний источник опорного напряжения 2.56В с внешним конденсатором на выводе AREF |
Разряд 5 – ADLAR: Бит управления представлением результата преобразования
Бит ADLAR влияет на представление результата преобразования в паре регистров результата преобразования АЦП. Если ADLAR = 1, то результат преобразования будет иметь левосторонний формат, в противном случае - правосторонний. Действие бита ADLAR вступает в силу сразу после изменения, независимо от выполняющегося параллельно преобразования. Полное описание действия данного бита представлено в “Регистры данных АЦП – ADCL и ADCH”.
Разряд 4:0 – MUX4:0: Биты выбора аналогового канала и коэффициента усиления
Данные биты определяют какие из имеющихся аналоговых входов подключаются к АЦП. Кроме того, с их помощью можно выбрать коэффициент усиления для дифференциальных каналов (см. табл. 98). Если значения бит изменить в процессе преобразования, то механизм их действия вступит в силу только после завершения текущего преобразования (после установки бита ADIF в регистре ADCSRA).
Таблица 98 – Выбор входного канала и коэффициента усиления
| MUX4..0 | Однополярный вход | Неинвертирующий дифференциальный вход | Инвертирующий дифференциальный вход | Коэффициент усиления, Ку |
| 00000 | ADC0 | Нет | ||
| 00001 | ADC1 | |||
| 00010 | ADC2 | |||
| 00011 | ADC3 | |||
| 00100 | ADC4 | |||
| 00101 | ADC5 | |||
| 00110 | ADC6 | |||
| 00111 | ADC7 | |||
| 01000 | Нет | ADC0 | ADC0 | 10 |
| 01001 | ADC1 | ADC0 | 10 | |
| 01010 | ADC0 | ADC0 | 200 | |
| 01011 | ADC1 | ADC0 | 200 | |
| 01100 | ADC2 | ADC2 | 10 | |
| 01101 | ADC3 | ADC2 | 10 | |
| 01110 | ADC2 | ADC2 | 200 | |
| 01111 | ADC3 | ADC2 | 200 | |
| 10000 | ADC0 | ADC1 | 1 | |
| 10001 | ADC1 | ADC1 | 1 | |
| 10010 | ADC2 | ADC1 | 1 | |
| 10011 | ADC3 | ADC1 | 1 | |
| 10100 | ADC4 | ADC1 | 1 | |
| 10101 | ADC5 | ADC1 | 1 | |
| 10110 | ADC6 | ADC1 | 1 | |
| 10111 | ADC7 | ADC1 | 1 | |
| 11000 | ADC0 | ADC2 | 1 | |
| 11001 | ADC1 | ADC2 | 1 | |
| 11010 | ADC2 | ADC2 | 1 | |
| 11011 | ADC3 | ADC2 | 1 | |
| 11100 | ADC4 | ADC2 | 1 | |
| 11101 |
| ADC5ADC21 | ||
| 11110 | 1.23В (VBG) | |||
Регистр А управления и статуса АЦП – ADCSRA
| Разряд | 7 | 6 | 5 | 4 | 3 | 2 | 1 | 0 |
|
|
| ADEN | ADSC | ADFR | ADIF | ADIE | ADPS2 | ADPS1 | ADPS0 | ADCSRA |
| Чтение/запись | Чт./Зп. | Чт./Зп. | Чт./Зп. | Чт./Зп. | Чт./Зп. | Чт./Зп. | Чт./Зп. | Чт./Зп. |
|
| Исх. значение | 0 | 0 | 0 | 0 | 0 | 0 | 0 | 0 |
|
Разряд 7 – ADEN: Разрешение работы АЦП
Характеристики
Тип файла документ
Документы такого типа открываются такими программами, как Microsoft Office Word на компьютерах Windows, Apple Pages на компьютерах Mac, Open Office - бесплатная альтернатива на различных платформах, в том числе Linux. Наиболее простым и современным решением будут Google документы, так как открываются онлайн без скачивания прямо в браузере на любой платформе. Существуют российские качественные аналоги, например от Яндекса.
Будьте внимательны на мобильных устройствах, так как там используются упрощённый функционал даже в официальном приложении от Microsoft, поэтому для просмотра скачивайте PDF-версию. А если нужно редактировать файл, то используйте оригинальный файл.
Файлы такого типа обычно разбиты на страницы, а текст может быть форматированным (жирный, курсив, выбор шрифта, таблицы и т.п.), а также в него можно добавлять изображения. Формат идеально подходит для рефератов, докладов и РПЗ курсовых проектов, которые необходимо распечатать. Кстати перед печатью также сохраняйте файл в PDF, так как принтер может начудить со шрифтами.
















