Ответы на теорию (1043330), страница 2
Текст из файла (страница 2)
Погрешность от геометрических неточностей оборудования (∑∆ст)
Погрешность от температурных деформаций Т.С. (∆t)
21. В каких случаях используют вероятностно-статистический метод при изготовлении деталей.
Вероятностно-статистический метод используют при изготовлении больших партий деталей. Однако поскольку он не позволяет вскрыть физическую сущность явлений, трудно управлять процессом и принимать конкретные ТР по увеличению точности. Тем не менее метод позволяет определять как суммарные так и единичные (первичные) погрешности.
22. На чем основан расчетно-аналитический метод и в каких случаях он применяется.
Расчетно-аналитический метод основан на использовании аналитических зависимостей и эмпирических формул, позволяющих достаточно полно и точно описать явление с учетом его физической сущности. Однако метод оправдывает себя в очень жестко регламентированных условиях, когда параметры ТП постоянны либо изменяются незначительно (детерминированные условия). Метод можно применять в условиях единичного и мелкосерийного производства.
23. Какие погрешности оценивают расчетно-статистическим методом?
В основе расчетно-статистического метода лежит подход, когда оценивают только основные погрешности, суммарное воздействие которых незначительно отличается от суммарного воздействие всех погрешностей.
24. Привести формулу функциональной зависимости суммарной погрешности с расшифровкой каждой из ее составляющих.
Суммарную погрешность, или поле рассеяния, определяют на основе функциональной зависимости
ℇ - погрешность установки заготовки на металлорежущий станок или в приспособление;
- погрешность, вызванная упругими деформациями технологической системы.
- погрешность, возникающая в результате размерного износа режущего инструмента.
- погрешность, связанная с настройкой режущего инструмента.
- погрешность, вызываемая тепловыми деформациями технологической системы.
- погрешности, связанные с геометрическими отклонениями оборудования.
25. Привести пример появления погрешности установки
для МАПР (с использованием приспособлений).
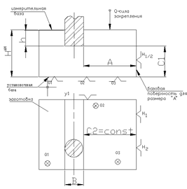
В начале рассмотрим появление погрешности установки (εу) для МАПР'а (с использованием приспособлений):
для ''h''
еобходимо обрабатывать паз «В» в размеры «А» и «h» - по чертежу детали.З
=const
аготовку устанавливаем на плоскость О1О2О3 - лишаем 3-х степеней свободы; направляющая плоскость Н1Н2 лишает 2-х степеней свободы и упор У1-1-й степени свободы. Инструмент перед обработкой устанавливается на два размера: вертикальный C1=const и горизонтальный С2=const.Рассмотрим выполнение размера «А»: при установке заготовки базовой поверхностью будет поверхность Н1Н2, а после обработки этаже поверхность будет измерительной базой, таким образом, измерительная и установочные базы для обработки размера «А» совпадают (или измерительная база = установочной), а когда они совпадают εбА всегда равна0, т.е. εбА=0. Значит, погрешность базирования возникает тогда, когда установочная и измерительная базы не совпадают.
Теперь рассмотрим выполнение размера «h» (вертикальный размер): установочной базой будет в этом случае поверхность О1О2О3 (см. схему), а измерительной базой будет другая поверхность, расположенная на расстоянии Н∆Н (см. схему), т.е. установочная и измерительная базы при обработке размера «h» не совпадают. В этом случае возникает погрешность базирования, т.е. εбh ≠0 . И эта измерительная база (верхняя поверхность детали) будет колебаться в пределах допуска на размер, соединяющий эти две базы, т.е. ∆Н. Иными словами:
h
1=Hmax-C1 ∆h=Hmax-Hmin=∆H,
h2=Hmin-C1 т.е. εбh =∆H
Из этого примера следует, что при выбранной схеме установки, получается погрешность обработки даже без учета таких динамических факторов, как износ инструмента, упругие отжатия технологической системы и т.д., т.е. в самой схеме установки уже заложена погрешность. Эта погрешность равна допуска на размер «Н». Размер «Н» характерен тем, что он связывает между собой установочную и измерительную базы. Т.о. можно сделать весьма важный для теории точности обработки вывод: при несовмещении установочной и измерительной баз возникает дополнительная погрешность равная колебанию расстояния между установочной и измерительной базами. Эту погрешность, возникающую в результате несовмещения измерительной и установочной баз, называют погрешностью базирования.
26. Привести формулу погрешности закрепления заготовки.
Погрешность закрепления εз – это разность предельных положений измерительной базы от действия сил закрепления (Q).
Т
является: состояние поверхностного слоя материала детали и опоры, шероховатость, колебание силы закрепления от Qmin до Qmax .
Для определения y = f(Q) подбирают кривую: y = С Qn; где С и n – хар-т условия контактирования (фор-
ма опоры, твердость, шероховатость и т.п.). Тогда: εз = Сmax Qnmin -Сmin Qnmin; Рассмотрим
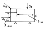
т
ри варианта приложения силы Q для обработки размеров А и ВПри QI → оказывает влияние только р-р А–0,05;
_"_ QII → оказывает влияние только р-р В–0,1;
_"_ QIII → оказывает влияние только р-р А и на р-р В;
QII – более предпочтителен, т.к. QII будет более точному размеру А.
Поэтому: при α = 00 → ε3 = max, при α =900 → ε3 = 0, т.к. Q будет более точному р-ру.
| Тогда ф-ла д/опред. | εз = (Сmax Qnmax -Сmin Qnmin) соs α; |
27. Привести формулу погрешности заготовки в приспособлении (
).
| § Погрешность положения заготовки в приспособлении (εп) |
Возникновение этой погрешности связано с точностью изготовления приспособления (εизг), с его износом (εизн) и с точностью положения приспособления на столе станка (εуст/ст),
т.е. εп = (ε2изг + ε2изн + ε2уст/ст) 1/2 ;
εизг – погрешность изготовления и сборки приспособления (обычно εизг= 0,005-0,01мм)
εизн – погрешность от износа базовых элементов приспособления: εизн = β(N) 1/2;
здесь: β- коэф-т, зависящий от вида опор:
→ для опор из стали 20Х; 45.
N – число контактов с опорами (число обр. деталей) в тысячах.
εуст/ст –погрешность установки приспособления на столе станка (направл. шпонки, фиксаторы или путем выверки); обычно εуст/ст= 0,005 ÷ 0,015 мм.
28. По какой формуле определяется общая суммарная погрешность установки (
).
Тогда общая погрешность установки (εу) заготовки в приспособлении будет равна:
| εу = √ε2б + ε2з+ ε2п = √ε2б + ε2з+ ε2изг + ε2изн+ ε2уст/ст | -эта ф-ла для МАПР`а | ||
29. Как определить погрешности положения при МИПРе?
| § Погрешность положения заготовки при МИПР`е | - только для единичного пр-ва, |
где нет приспособлений. В этом случае применяется выверка заготовки на станке рабочим с помощью измерительного инструмента.
Ц
ентр заготовки не совпадает с центром патрона (с центром вращения шпинделя) на какую-то величину. Для совмещения центров → производят выверку с помощью индикатора и путем перемещения кулачков. Тогда погрешность выверки (εв) будет
| равна | εв =Δмерит | при закреплении и послед. измерении | или: | εв =Δизм+ εз | В начале измерение, затем закрепление |
30. Привести основные положения принципа выбора баз.
§ Принцип выбора баз. Рассмотрим основные положения выбора баз.
Любая заготовка, как свободное тело имеет 6 степеней свободы (3-перемещения и 3-вращения).
-
Для полной ориентации заготовки количество установочных элементов д.б. таким, чтобы соблюдался принцип неотрывности заготовки от установочных элементов, т.е. заготовка должна занимать устойчивое положение относительно инструмента и станка (правило 6и точек).
-
Применение точечных опор характерно для заготовок, имеющих черновые базовые поверхности. Для базирования по обработанным поверхностям применяют опорные пластины с развитой поверхностью.
-
Базовые поверхности д.б. обработаны на первом этапе Т.П. с увязкой размеров с необрабатываемыми поверхностями, т.е. использовать так называемые черновые базы они д.б. гладкими, не иметь уклонов и т.п.
-
Следует применять принцип совмещения баз, т.е. установочная база должна быть измерительной (тогда
). Для этого конструктор должен представлять размеры с учетом этого принципа совмещения баз. -
Следует соблюдать принцип постоянства баз по всему Т.П. (т.е. одни и те же базы по всему Т.П.). В целях соблюдения принципа постоянства баз очень часто создают искусственные базы, не имеющие конструктивного назначения (центровые гнезда, 2а – отверстия, перпендикулярные им плоскости и т.п.). В этом случае обязательно производят пересчет конструкторских размеров на новые, технологические размеры от этой искусственной базы.
-
Установочная база должна обеспечивать достаточную устойчивость и жесткость установки заготовки.
31. Привести формулу для определения погрешности от упругих деформация TC
В процессе обработки всегда возникают силовые факторы, что характерно и для лезвийной и абразивной обработки.
P
z–тангенциальная составляющая силы резания; Py-радиальная составляющая силы резания и Рх- сила подачи инструмента.
). Для этого конструктор должен представлять размеры с учетом этого принципа совмещения баз.














