Защита (1042750)
Текст из файла
Арбузов Е.В. (далее А.) на защите всем практически без исключения задает один и тот же вопрос: «В чем физический смысл знака коэффициента влияния?». Для ответа на этот вопрос необходимо выучить досконально следующее предложение: Знак при αqi показывает соответствие погрешности элемента и погрешности выходного параметра от этого элемента(αqi >0, значит у погрешностей знаки одинаковые; αqi <0, значит у погрешностей знаки разные).
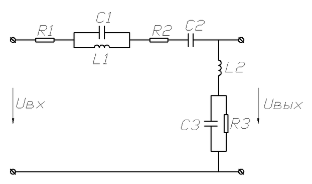
Также А. задает задачу: поставить около элементов схемы знаки, которые будут иметь их коэффициенты влияния и приводит схему, например моя:
Во-первых надо написать коэффициент усиления:
В принципе, знаки расставляются элементарно: для всех элементов схемы, кроме емкостей, в горизонтальной ветви ставится знак «–», а в вертикальной «+»; для емкостей все наоборот: в горизонтальной ветви ставится знак «+», а в вертикальной «–». Суть простановки этих знаков проста для примера рассмотрю по одному элементу из каждой ветви.
R1: Для определения знака коэффициента влияния сопротивление мысленно увеличиваем на небольшую величину, типа погрешность, и смотрим что происходит: R1 увеличился => увеличился весь знаменатель, а числитель нет => К уменьшается. Смотрим правило написанное выше и понимаем, что в данном случае знак при коэффициенте влияния «–» т.к. погрешность элемента >0, а выходного параметра <0.
L1: Для определения знака коэффициента влияния индуктивности надо вспомнить что ХL =L1·ω дальше проделываем операции, как и с сопротивлением, но только L1 соединено параллельно с С1, значит с начала рассмотрим дробь
: L1 увеличивается соответсвенно увеличивается и ХL и в числителе и в знаменателе, но в числителе в разы, а в знаменателе на эту погрешность, соответственно
увеличилось по сравнению с нулевым значанием погрешности => увеличился весь знаменатель, а числитель нет => К уменьшается. Смотрим правило написанное выше и понимаем, что в данном случае знак при коэффициенте влияния «–» т.к. погрешность элемента >0, а выходного параметра <0.
С1: Для определения знака коэффициента влияния индуктивности надо вспомнить что ХС=1/(С1·ω) дальше проделываем операции, как и с L1: С1 увеличивается => ХС уменьшается => ументшается весь знаменатель, а числитель нет => К увеличивается. Смотрим правило написанное выше и понимаем, что в данном случае знак при коэффициенте влияния «+» т.к. погрешность элемента >0, а выходного параметра >0.
Рассмотрение параметров вертикальной ветви аналогично, горизонтальной, только надо учесть в рассмотрение то, что теперь изменяется как числитель, так и знаменатель, но только в числителе это изменение заметнее, потому что в знаменателе много слагаемых соответственно вносимый вклад в него меньше, поэтому и происходит изменение знаков на противоположные, чем в горизонтальной ветви.
Удачной защиты.)
Ogr.
Характеристики
Тип файла документ
Документы такого типа открываются такими программами, как Microsoft Office Word на компьютерах Windows, Apple Pages на компьютерах Mac, Open Office - бесплатная альтернатива на различных платформах, в том числе Linux. Наиболее простым и современным решением будут Google документы, так как открываются онлайн без скачивания прямо в браузере на любой платформе. Существуют российские качественные аналоги, например от Яндекса.
Будьте внимательны на мобильных устройствах, так как там используются упрощённый функционал даже в официальном приложении от Microsoft, поэтому для просмотра скачивайте PDF-версию. А если нужно редактировать файл, то используйте оригинальный файл.
Файлы такого типа обычно разбиты на страницы, а текст может быть форматированным (жирный, курсив, выбор шрифта, таблицы и т.п.), а также в него можно добавлять изображения. Формат идеально подходит для рефератов, докладов и РПЗ курсовых проектов, которые необходимо распечатать. Кстати перед печатью также сохраняйте файл в PDF, так как принтер может начудить со шрифтами.















