Руководство пользователя MSP430 (1041606), страница 18
Текст из файла (страница 18)
10.1 Введение в сторожевой таймер
Первичная функция модуля сторожевого таймера (WDT) – выполнять рестарт управляемой системы при возникновении проблемы с программным обеспечением. Если установленный временной интервал истек, генерируется системный сброс. Если сторожевая функция в приложении не нужна, модуль может быть сконфигурирован как интервальный таймер для генерации прерываний через установленные интервалы времени.
Сторожевой таймер обладает следующими возможностями:
-
Восемь программно настраиваемых временных интервалов
-
Режим сторожевого таймера
-
Режим интервального отсчета
-
Доступ к регистру управления WDT защищен паролем
-
Управление функцией вывода nonRST/NMI
-
Возможность выбора источника тактовых импульсов
-
Возможность останова для уменьшения потребляемой мощности
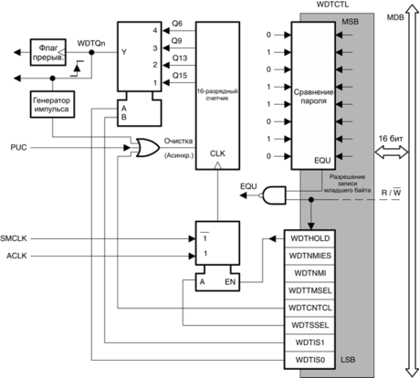
Блок схема модуля WDT показана на рис.9-1.
Рис.10-1 Блок-схема сторожевого таймера
| Примечание: Работа сторожевого таймера после подачи питания |
10.2 Функционирование сторожевого таймера
Модуль WDT можно сконфигурировать с помощью регистра WDTCTL как сторожевой либо интервальный таймер. Регистр WDTCTL также содержит управляющие биты для конфигурирования вывода nonRST/NMI. WDTCTL – это 16-разрядный, защищенный паролем регистр чтения/записи. Любое чтение или попытка записи должны использовать команды-слова, а попытка записи должна содержать пароль записи 05Ah в старшем байте. Любая запись в WDTCTL любого значения, отличного от 05Ah в старшем байте приведет к нарушению ключа безопасности и запуску системного сброса PUC независимо от режима таймера. При любом чтении WDTCTL в старшем байте читается 069h.
10.2.1 Счетчик сторожевого таймера
Счетчик сторожевого таймера (WDTCNT) – это 16-разрядный суммирующий счетчик, не имеющий прямого доступа из программы. Управление WDTCNT и выбор временных интервалов производится через регистр управления сторожевым таймером WDTCTL. WDTCNT может тактироваться от ACLK или SMCLK. Источник тактирования выбирается с помощью битаWDTSSEL.
10.2.2 Сторожевой режим
После состояния PUC, модуль WDT конфигурируется в сторожевом режиме с начальным интервалом сброса ~32 мС с использованием DCOCLK. Пользователь должен настроить, остановить или очистить WDT до истечения начального интервала сброса, в противном случае будет сгенерирован новый сигнал PUC. Когда WDT сконфигурирован в сторожевом режиме, запись в WDTCTL неправильного пароля или истечение выбранного интервала времени приведет к запуску PUC. PUC сбросит WDT к исходному состоянию и сконфигурирует вывод nonRST/NMI на режим сброса.
10.2.3 Режим интервального таймера
Установка бита WDTTMSEL в «1» приводит к выбору режима интервального таймера. Этот режим можно использовать для получения периодических прерываний. В режиме интервального таймера флаг WDTIFG устанавливается по истечении выбранного интервала времени. PUC не генерируется в режиме интервального таймера по истечении установленного временного интервала, а WDTIFG разрешает биту WDTIE оставаться неизменным.
Когда биты WDTIE и GIE установлены, флаг WDTIFG запрашивает прерывание. Флаг прерывания WDTIFG автоматически сбрасывается, когда обслуживается его запрос на прерывание, либо же он может быть сброшен программно. Адреса векторов прерывания различаются для интервального и сторожевого режимов таймера.
| Примечание: Модификация сторожевого таймера |
10.2.4 Прерывания сторожевого таймера
WDT использует два бита в SFR для управления прерыванием.
-
Флаг прерывания WDT, WDTIFG, расположенный в IFG1.0
-
Бит разрешения прерывания от WDT, WDTIE, расположенный в IE1.0
Если WDT используется в сторожевом режиме, флаг WDTIFG является источником вектора прерывания по сбросу. WDTIFG может быть использован процедурой обработки прерывания по сбросу для определения, был ли сторожевой таймер причиной сброса устройства. Если флаг установлен, состояние сброса было инициировано сторожевым таймером по истечении времени, либо произошло нарушение ключа безопасности. Если WDTIFG очищен, сброс был вызван другим источником.
При использовании WDT в режиме интервального таймера, флаг WDTIFG устанавливается после выбранного временного интервала и запрашивает прерывание интервального таймера WDT, если установлены биты WDTIE и GIE. Вектор прерывания интервального таймера отличается от вектора сброса, используемого в сторожевом режиме. В режиме интервального таймера флаг WDTIFG сбрасывается автоматически при обработке прерывания, либо же он может быть сброшен программно.
10.2.5 Работа в режимах пониженного энергопотребления
Устройства MSP430 имеют несколько режимов пониженного энергопотребления. Различные сигналы тактирования доступны в различных режимах пониженного энергопотребления. Потребности пользовательского приложения и тип используемой системы тактирования определяют, как WDT должен быть сконфигурирован. К примеру, WDT не должен конфигурироваться в сторожевом режиме с SMCLK в качестве источника тактирования, если пользователь хочет использовать 3-ий режим пониженного потребления, поскольку SMCLK не активен в режиме LPM3 и WDT не будет функционировать. Если сторожевой таймер не нужен, с помощью бита WDTHOLD можно остановить WDTCNT, чтобы уменьшить энергопотребление.
10.2.6 Примеры программного обеспечения
Любая операция записи в WDTCTL должна быть операцией-словом со значением 05Ah (WDTPW) в старшем байте:
; Периодическая отчистка активного сторожевого таймера
MOV #WDTPW+WDTCNTCL,&WDTCTL
;
; Изменение интервала сторожевого таймера
MOV #WDTPW+WDTCNTL+SSEL,&WDTCTL
;
; Останов сторожевого таймера
MOV #WDTPW+WDTHOLD,&WDTCTL
;
; Переключение WDT в интервальный режим с интервалом clock/8192
MOV #WDTPW+WDTCNTCL+WDTTMSEL+WDTIS0,&WDTCTL
10.3 Регистры сторожевого таймера
Регистры модуля сторожевого таймера приведены в таблице 10-1.
Таблица 10-1. Регистры сторожевого таймера.
| Регистр | Краткое | Тип | Адрес | Исходное |
| Регистр управления сторожевым таймером | WDTCTL | Чтение/запись | 0120h | 06900h после PUC |
| SFR регистр 1 разрешения прерываний | IE1 | Чтение/запись | 0000h | Сброс с PUC |
| SFR регистр 1 флагов прерываний | IFG1 | Чтение/запись | 0002h | Сброс с PUC1 |
1)WDTIFG сбрасывается с POR
WDTCTL, регистр сторожевого таймера
| 15 | 14 | 13 | 12 | 11 | 10 | 9 | 8 |
| Читается как 069h |
| WDTPWx, должен записываться как 05Ah |
| 7 | 6 | 5 | 4 | 3 | 2 | 1 | 0 |
| WDTHOLD | WDTNMIES | WDTNMI | WDTTMSEL | WDTCNTCL | WDTSSEL | WDTISx |
| rw-0 | rw-0 | rw-0 | rw-0 | r0(w) | rw-0 | rw-0 | rw-0 |
| WDTPWx | Биты | Пароль сторожевого таймера. Всегда читается как 069h. Должен записываться как 05Ah, в противном случае будет сгенерирован PUC. |
| WDTHOLD | Бит 7 | Останов сторожевого таймера. Этот бит останавливает сторожевой таймер. Установка WDTHOLD=1, когда WDT не используется, позволяет снизить энергопотребление. |
| WDTNMIES | Бит 6 | Выбор фронта NMI сторожевого таймера. Этот бит позволяет выбрать фронт прерывания для NMI прерывания при WDTNMI=1. Изменение этого бита может вызвать NMI. Чтобы избежать случайного запуска NMI следует изменять этот бит при WDTNMI=0. |
| WDTNMI | Бит 5 | Выбор NMI сторожевого таймера. Этот бит позволяет установить режим функционирования вывода nonRST/NMI. |
| WDTTMSEL | Бит 4 | Выбор режима сторожевого таймера |
| WDTCNTCL | Бит 3 | Очистка счетчика сторожевого таймера. Установкой WDTCNTCL=1 производится очистка счетчика до значения 0000h. Бит WDTCNTCL автоматически сбрасывается. |
| WDTSSEL | Бит 2 | Выбор источника тактирования сторожевого таймера |
| WDTISx | Биты 1-0 | Выбор интервала сторожевого таймера. Эти биты определяют интервал времени сторожевого таймера, по истечении которого устанавливается флаг WDTIFG и/или генерируется сигнал PUC. |
IE1, регистр 1 разрешения прерываний
| 7 | 6 | 5 | 4 | 3 | 2 | 1 | 0 |
|
|
|
|
|
|
|
| WDTIE |
| rw-(0) |
|
| Биты | Эти биты могут быть использованы другими модулями. См. справочное руководство конкретного устройства. |
| WDTIE | Бит 0 | Разрешение прерывания от сторожевого таймера. Этот бит разрешает прерывание WDTIFG в режиме интервального таймера. Нет необходимости устанавливать этот бит в режиме сторожевого таймера. Поскольку другие биты в IE1 могут быть использованы другими модулями, рекомендуется устанавливать и очищать эти биты с помощью команд BIS.B или BIC.B, а не командами MOV.B или CLR.B. |
IFG1, регистр 1 флагов прерываний
| 7 | 6 | 5 | 4 | 3 | 2 | 1 | 0 |
|
|
|
|
|
|
|
| WDTIFG |
| rw-(0) |
|
| Биты | Эти биты могут быть использованы другими модулями. См. справочное руководство конкретного устройства. |
| WDTIE | Бит 0 | Флаг прерывания сторожевого таймера. В сторожевом режиме WDTIFG остается установленным до сброса программным обеспечением. В интервальном режиме бит WDTIFG сбрасывается автоматически при обслуживании прерывания или же может быть сброшен программно. Поскольку другие биты в IE1 могут быть использованы другими модулями, рекомендуется устанавливать и очищать эти биты с помощью команд BIS.B или BIC.B, а не командами MOV.B или CLR.B. |
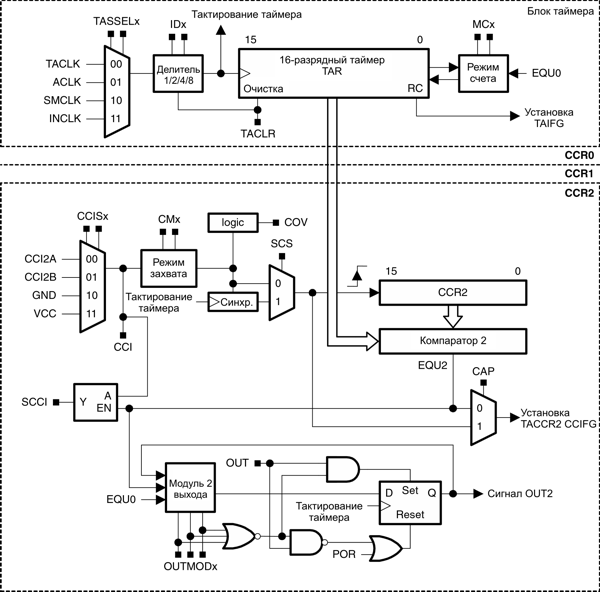
Раздел 11 Таймер А
Таймер А – это 16-разрядный таймер/счетчик с тремя регистрами захвата/сравнения. В этом разделе описывается таймер А. Он реализован во всех устройствах MSP430x1xx.
11.1 Введение в таймер А
Таймер А – это 16-разрядный таймер/счетчик с тремя регистрами захвата/сравнения. Таймер А может обеспечить множество захватов/сравнений, выходов ШИМ и выдержку временных интервалов. Таймер А также имеет обширные возможности прерывания. Прерывания могут быть сгенерированы от счетчика при переполнении и от каждого из регистров захвата/сравнения.
-
Таймер А обладает следующими возможностями:
-
Асинхронный 16-разрядный таймер/счетчик с четырьмя режимами работы;
-
Выбираемый и конфигурируемый источник тактирования;
-
Три конфигурируемых регистра захвата/сравнения;
-
Конфигурируемые выходы с возможностью ШИМ;
-
Асинхронная фиксация (защелка) входа и выхода;
-
Регистр вектора прерываний для быстрого декодирования всех прерываний таймера А.
Блок-схема таймера А показана на рис. 11-1.
| Примечание: Использование слова «счет» |
Рис.11-1 Блок-схема таймера А
11.2 Функционирование таймера А
Модуль таймера А конфигурируется программным обеспечением пользователя. Настройка и работа таймера А рассматриваются в нижеследующих разделах.
11.2.1 16-разрядный таймер-счетчик
Регистр 16-разрядного таймера/счетчика TAR, инкрементируется или декрементируется (в зависимости от режима работы) с каждым нарастающим фронтом тактового сигнала. TAR может быть программно прочитан и записан. Кроме того, таймер может генерировать прерывание при переполнении. TAR можно очистить установкой бита TACLR. Установка TACLR также очищает делитель тактовой частоты и направление счета для режима вверх/вниз.
| Примечание: Изменение регистров таймера А Рекомендуется останавливать таймер перед изменением режима его работы (за исключением операций с флагом прерывания и разрешения прерывания), чтобы предотвратить его некорректную работу. Когда сигнал TACLK асинхронен с сигналом тактирования ЦПУ, любое чтение из TAR должно происходить, когда таймер не работает, в противном случае результаты могут быть непредсказуемы. Любая запись в TAR приведет к немедленному результату. |
Выбор источника тактирования и делитель
















