пять (1041334)
Текст из файла
Московский Государственный Технический Университет
им. Н. Э. Баумана
Кафедра МТ7
РАСЧЕТНО-ПОЯСНИТЕЛЬНАЯ записка
к курсовому проекту
«Сварные конструкции»
Студент: Лавренчук ____ Гр. МТ7 – 83
Консультант: Выборнов Дата: ,
МОСКВА 2003.
-
Аннотация.
Целью данного курсового проекта является анализ двух вариантов изготовления сварных пространственных узлов главной и горизонтальной фермы мостового крана. Первый вариант рассчитан и спроектирован исходя из условия удобства сборки и сварки. Второй исходя из условия минимизации концентрации напряжений в сварных швах пространственных узлов.
-
Построение линий влияния.
-
Определение опорных реакций:
Составим уравнение моментов относительно точки В (см. Рис. 2.1.):
где 1 – единичная сила (далее Е. С.);
Х – координата положения Е. С.;
RA – реакция в точке А;
L – пролет фермы.
Составим уравнение моментов относительно точки А:
где RB – реакция в точке В.
-
Линия влияния стержня B5:
-
Е. С. правее точки O1:
Составим уравнение моментов относительно точки 01 (см. Рис. 2.1):
где B5 – усилие в стержне B5
L=16 м – длина крайних стержней верхнего пояса;
L2=1.7 м – длина остальных стержней нижнего пояса;
W=1.5 м – высота стоек вертикальной фермы.
Р
ис. 2.1. Построение линий влияния.
-
Е. С. левее точки O1:
Составим уравнение моментов относительно точки O1
где 32 – усилие в стержне Н3 направленное из точки 3 в точку 2.
-
Линия влияния стержня H3:
-
Е. С. правее точки O2:
Составим уравнение моментов относительно точки O2:
где 5/6/ – усилие в стержне В6 направленное из точки 5/ в точку 6/.
-
Е. С. левее точки O2:
Составим уравнение моментов относительно точки O2:
-
Линия влияния стержня Р5:
-
Е. С. правее точки 6/:
Составим уравнение проекций сил на вертикальную ось:
.
-
Е. С. левее точки 5/:
Составим уравнение проекций сил на вертикальную ось:
-
Линия влияния стержня С2:
Составим уравнение проекций сил на вертикальную ось в точке 2/:
где 2/1 – усилие в стержне С2 направленное из точки 2/ в точку 1.
-
Линия влияния стержня С1:
Составим уравнение проекций сил на вертикальную ось в точке 0/:
где 0/0 – усилие в стержне С1 направленное из точки 0/ в точку 0.
-
Определение усилий в стержнях от распределенной и сосредоточенной нагрузки.
-
Стержень Н3;
-
Усилие от распределенной нагрузки:
где Q=0.26 кН – распределенная нагрузка;
- площадь ограниченная линией влияния (заштрихованная область).
-
Усилие от сосредоточенной нагрузки:
а) Максимальное усилие:
где D=46,8 кН – вертикальная сила давления от колес тележки;
где LT=2.2 м – расстояние между колесами тележки (база тележки);
б) Минимальное усилие:
-
Стержень В6;
-
Усилие от распределенной нагрузки:
-
Усилие от сосредоточенной нагрузки:
а) Максимальное усилие:
б) Минимальное усилие:
-
Стержень Р6;
-
Усилие от распределенной нагрузки:
где а – координата пресечения линией влияния нуля (находиться методом подобия).
-
Усилие от сосредоточенной нагрузки:
а) Максимальное усилие:
б) Минимальное усилие:
-
Стержень С2;
-
Усилие от распределенной нагрузки:
-
Усилие от сосредоточенной нагрузки:
а) Максимальное усилие:
б) Минимальное усилие:
-
Стержень С1;
-
Усилие от распределенной нагрузки:
-
Усилие от сосредоточенной нагрузки:
а) Максимальное усилие:
б) Минимальное усилие:
-
Усилие в остальных стержнях.
Усилие для остальных стержней от нагрузок действующих на главную и горизонтальную фермы найдены с помощью расчетной программы и представлены в приложении.
-
Определение расчетных усилий в стержнях.
-
Главная ферма:
-
Верхний пояс:
где Nmax – максимальное усилие в стержне;
Nmin – минимальное усилие в стержне;
N(Q) – усилие в стержне от распределенной нагрузки;
N(QG) – усилие в стержне от распределенной горизонтальной нагрузки;
N(DG) – усилие в стержне от горизонтальной инерционной нагрузки;
Nmin(D) – минимальное усилие от силы давления колес тележки в стержне;
Nmax(D) – максимальное усилие от силы давления колес тележки в стержне.
-
Нижний пояс:
-
Раскосы:
-
Стойки:
-
Горизонтальная ферма:
-
Раскосы:
-
Стойки:
-
Коэффициент асимметрии цикла:
-
Результаты расчета.
Результаты расчетов по приведенным выше формулам сведены в таблицу 4.1..
Таблица 4.1. Максимальные и минимальные усилие в стержнях главной и
горизонтальной фермы.
| Стержень | Главная ферма | Горизонтальная ферма | ||||
| Nmax, kH | Nmin, kH | | Nmax, kH | Nmin, kH | | |
| В1 | 0 | 0 | 0 | |||
| В2 | -1175 | -1.6 | 0.001 | |||
| В3 | -137.4 | -1.6 | 0.012 | |||
| В4 | -253.1 | -3 | 0.012 | |||
| В5 | -253.5 | -3 | 0.012 | |||
| В6 | -278.5 | -3.5 | 0.013 | |||
| Н1 | 75.4 | 1.1 | 0.015 | |||
| Н2 | 177 | 2.4 | 0.014 | |||
| Н3 | 237.4 | 3.4 | 0.014 | |||
| Р1 | -96.4 | -1.6 | 0.017 | -13.6 | 13.6 | -1 |
| Р2 | 82.8 | 1.2 | 0.014 | 17.8 | -17.8 | -1 |
| Р3 | -107.4 | 5.6 | -0.05 | -15.7 | 15.7 | -1 |
| Р4 | 92.9 | -20 | -0.22 | 13.5 | -13.5 | -1 |
| Р5 | -78.3 | 34.7 | -0.44 | -11.4 | 11.4 | -1 |
| Р6 | 63.7 | -49 | -0.77 | 9.3 | -9.3 | -1 |
| С1 | -56.3 | -0.1 | 0.002 | -6.7 | 6.7 | -1 |
| С2 | -56.5 | -0.3 | 0.005 | -6.7 | 6.7 | -1 |
| С3 | -56.5 | -0.3 | 0.005 | -6.7 | 6.7 | -1 |
-
Расчет главной фермы первого варианта.
-
Верхний пояс:
-
Схема нагружения и исходные данные:
Pz=278.5 кН;
L2=1200 мм;
D=56.2 кН;
DG=6.7 кН;
ρ=0.013;
Материал: ВСт3сп;
Расчетная группа по СНиП: 7-я.
Рис. 5.1. Схема нагружения верхнего пояса главной фермы.
-
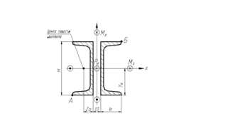
Расчетная схема:
Х, Y - центральные оси сечения;
Z0 – координаты центра тяжести швеллера;
Н – высота швеллера;
b – ширина полки швеллера.
Рис. 5.2. Расчетная схема поперечного сечения верхнего пояса.
-
Допускаемые напряжения при статическом нагружении:
где [σ]р – допускаемое напряжение при растяжении;
Характеристики
Тип файла документ
Документы такого типа открываются такими программами, как Microsoft Office Word на компьютерах Windows, Apple Pages на компьютерах Mac, Open Office - бесплатная альтернатива на различных платформах, в том числе Linux. Наиболее простым и современным решением будут Google документы, так как открываются онлайн без скачивания прямо в браузере на любой платформе. Существуют российские качественные аналоги, например от Яндекса.
Будьте внимательны на мобильных устройствах, так как там используются упрощённый функционал даже в официальном приложении от Microsoft, поэтому для просмотра скачивайте PDF-версию. А если нужно редактировать файл, то используйте оригинальный файл.
Файлы такого типа обычно разбиты на страницы, а текст может быть форматированным (жирный, курсив, выбор шрифта, таблицы и т.п.), а также в него можно добавлять изображения. Формат идеально подходит для рефератов, докладов и РПЗ курсовых проектов, которые необходимо распечатать. Кстати перед печатью также сохраняйте файл в PDF, так как принтер может начудить со шрифтами.















