образец (1041328)
Текст из файла
М
инистерство образования Российской Федерации
МОСКОВСКИЙ ГОСУДАРСТВЕННЫЙ ТЕХНИЧЕСКИЙ УНИВЕРСИТЕТ
имени Н. Э. БАУМАНА
ФАКУЛЬТЕТ МТ (Машиностроительные технологии)
КАФЕДРА МТ7(Оборудование и технологии сварки
РАСЧЕТНО-ПОЯСНИТЕЛЬНАЯ записка
к курсовому проекту
«Сварные конструкции»
Студент: Вовчук Р.И. Гр. МТ7 – 83
Консультант: Выборнов А.П. Дата: ,
МОСКВА 2004.
-
Аннотация.
Целью данного курсового проекта является анализ двух вариантов изготовления сварных пространственных узлов главной фермы мостового крана. Первый вариант рассчитан и спроектирован исходя из условия удобства сборки и сварки. Второй исходя из условия минимизации концентрации напряжений в сварных швах пространственных узлов.
-
Построение линий влияния.
-
Определение опорных реакций:
Составим уравнение моментов относительно точки В (см. Рис. 2.1.):
где 1 – единичная сила (далее Е. С.);
Х – координата положения Е. С.;
RA – реакция в точке А;
L – пролет фермы.
Составим уравнение моментов относительно точки А:
где RB – реакция в точке В.
-
Линия влияния стержня Н4:
-
Е. С. правее точки 7/:
Составим уравнение моментов относительно точки 7/ (см. Рис. 2.1):
где 34 – усилие в стержне Н4 направленное из точки 3 в точку 4;
L1=0,7 м – длина крайних стержней верхнего пояса;
L2=1.4 м – длина остальных стержней нижнего пояса;
W=1.7 м – высота стоек вертикальной фермы.
Рис. 2.1. Построение линий влияния.
-
Е. С. левее точки 7/:
Составим уравнение моментов относительно точки 7/:
где 43 – усилие в стержне Н4 направленное из точки 4 в точку 3.
-
Линия влияния стержня В8:
-
Е. С. правее точки 8/:
Составим уравнение моментов относительно точки 4:
где 7/8/ – усилие в стержне В8 направленное из точки 7/ в точку 8/.
-
Е. С. левее точки 8/:
Составим уравнение моментов относительно точки 4:
где 8/ 7/– усилие в стержне В8 направленное из точки 8/ в точку 7/.
-
Линия влияния стержня Р8:
-
Е. С. правее точки 8/:
Составим уравнение проекций сил на вертикальную ось:
где 7/4 – усилие в стержне Р8 направленное из точки 7/ в точку 4.
-
Е. С. левее точки 7/:
Составим уравнение проекций сил на вертикальную ось:
где 47/ – усилие в стержне Р8 направленное из точки 4 в точку 7/.
-
Линия влияния стержня С2:
Составим уравнение проекций сил на вертикальную ось в точке 2/:
где 2/1 – усилие в стержне С2 направленное из точки 2/ в точку 1.
-
Линия влияния стержня С1:
Составим уравнение проекций сил на вертикальную ось в точке 0/:
где 0/0 – усилие в стержне С1 направленное из точки 0/ в точку 0.
-
Определение усилий в стержнях от распределенной и сосредоточенной нагрузки.
-
Стержень Н4;
-
Усилие от распределенной нагрузки:
где Q=0.36 кН – распределенная нагрузка;
- площадь ограниченная линией влияния (заштрихованная область).
Все координаты (y1…y8) находятся с помощью метода подобия и берутся с учетом своего знака.
-
Усилие от сосредоточенной нагрузки:
а) Максимальное усилие:
где D=168.7 кН – вертикальная сила давления от колес тележки;
б) Минимальное усилие:
-
Стержень В8;
-
Усилие от распределенной нагрузки:
-
Усилие от сосредоточенной нагрузки:
а) Максимальное усилие:
б) Минимальное усилие:
-
Стержень Р8;
-
Усилие от распределенной нагрузки:
где а – координата пресечения линией влияния нуля (находиться методом подобия).
-
Усилие от сосредоточенной нагрузки:
а) Максимальное усилие:
б) Минимальное усилие:
-
Стержень С2;
-
Усилие от распределенной нагрузки:
-
Усилие от сосредоточенной нагрузки:
а) Максимальное усилие:
б) Минимальное усилие:
-
Стержень С1;
-
Усилие от распределенной нагрузки:
-
Усилие от сосредоточенной нагрузки:
а) Максимальное усилие:
б) Минимальное усилие:
-
Усилие в остальных стержнях.
Усилие для остальных стержней от нагрузок действующих на главную и горизонтальную фермы найдены с помощью расчетной программы и представлены в приложении.
-
Определение расчетных усилий в стержнях.
-
Главная ферма:
-
Верхний пояс:
где Nmax – максимальное усилие в стержне;
Nmin – минимальное усилие в стержне;
N(Q) – усилие в стержне от распределенной нагрузки;
N(QG) – усилие в стержне от распределенной горизонтальной нагрузки;
N(DG) – усилие в стержне от горизонтальной инерционной нагрузки;
Nmin(D) – минимальное усилие от силы давления колес тележки в стержне;
Nmax(D) – максимальное усилие от силы давления колес тележки в стержне.
-
Нижний пояс:
-
Раскосы:
-
Стойки:
-
Горизонтальная ферма:
-
Раскосы:
-
Стойки:
-
Коэффициент асимметрии цикла:
-
Результаты расчета.
Результаты расчетов по приведенным выше формулам сведены в таблицу 4.1..
Таблица 4.1. Максимальные и минимальные усилие в стержнях главной и
горизонтальной фермы.
| Стержень | Главная ферма | Горизонтальная ферма | ||||
| Nmax, kH | Nmin, kH | | Nmax, kH | Nmin, kH | | |
| В1 | 0 | 0 | 0 | |||
| В2 | -188.9 | -3.8 | ||||
| В3 | --188.9 | -3.8 | ||||
| В4 | -383.4 | -7.9 | ||||
| В5 | -383.4 | -7.9 | ||||
| В6 | -470.9 | -9.9 | 0.021 | |||
| В7 | -470.9 | -9.9 | 0.021 | |||
| Н1 | 83.4 | 2 | ||||
| Н2 | 254.8 | 6.1 | ||||
| Н3 | 374.7 | 9.14 | ||||
| Н4 | 404.3 | 10.2 | 0.025 | |||
| Р1 | -130.9 | -3.1 | ||||
| Р2 | 133.2 | 3.0 | ||||
| Р3 | -159.1 | -3.3 | -0.03 | |||
| Р4 | 142.2 | 2.6 | ||||
| Р5 | -125.3 | -1.9 | ||||
| Р6 | 108.2 | 1.13 | ||||
| Р7 | -91.3 | -0.4 | ||||
| С1 | -75.1 | -0.1 | ||||
| С2 | -75.5 | -0.5 | 0.006 | |||
| С3 | --75.5 | -0.5 | 0.006 | |||
-
Расчет главной фермы первого варианта.
-
Верхний пояс:
-
Схема нагружения и исходные данные:
Pz=470.9кН;
L2=1500мм;
D=75 кН;
DG=9.00 кН;
ρ=0.021
Материал: ВСт3сп;
Расчетная группа по СНиП: 7-я.
Рис. 5.1. Схема нагружения верхнего пояса главной фермы.
-
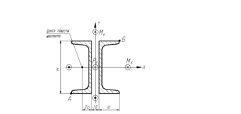
Расчетная схема:
Х, Y - центральные оси сечения;
Z0 – координаты центра тяжести швеллера;
Н – высота швеллера;
b – ширина полки швеллера.
Рис. 5.2. Расчетная схема поперечного сечения верхнего пояса.
-
Допускаемые напряжения при статическом нагружении:
где [σ]р – допускаемое напряжение при растяжении;
m=1.1 – коэффициент неполноты расчета (учитывает влияние горизонтальной фермы);
Ryn=250 МПа – расчетное сопротивление при растяжении;
γm=1.05 – коэффициент надежности по материалу.
-
Допускаемое напряжение при работе на выносливость:
где α – коэффициент учитывающий число циклов нагружения (n=106);
γv – коэффициент учитывающий асимметрию цикла нагружения;
Rv=36 МПа – расчетное сопротивление;
-
Расчетные изгибающие моменты:
где Мх – изгибающий момент относительно оси X;
Му – изгибающий момент относительно оси Y;
-
Подбор типоразмера швеллера:
Типоразмер швеллера выбирался проетным расчетом на выносливость и производились расчеты:
На статическую прочность;
Характеристики
Тип файла документ
Документы такого типа открываются такими программами, как Microsoft Office Word на компьютерах Windows, Apple Pages на компьютерах Mac, Open Office - бесплатная альтернатива на различных платформах, в том числе Linux. Наиболее простым и современным решением будут Google документы, так как открываются онлайн без скачивания прямо в браузере на любой платформе. Существуют российские качественные аналоги, например от Яндекса.
Будьте внимательны на мобильных устройствах, так как там используются упрощённый функционал даже в официальном приложении от Microsoft, поэтому для просмотра скачивайте PDF-версию. А если нужно редактировать файл, то используйте оригинальный файл.
Файлы такого типа обычно разбиты на страницы, а текст может быть форматированным (жирный, курсив, выбор шрифта, таблицы и т.п.), а также в него можно добавлять изображения. Формат идеально подходит для рефератов, докладов и РПЗ курсовых проектов, которые необходимо распечатать. Кстати перед печатью также сохраняйте файл в PDF, так как принтер может начудить со шрифтами.















