моё (1041327)

Файл №1041327 моё (Готовые курсовые проекты неизвестного варианта)моё (1041327)2017-12-26СтудИзба
Просмтор этого файла доступен только зарегистрированным пользователям. Но у нас супер быстрая регистрация: достаточно только электронной почты!

Текст из файла

М
инистерство образования Российской Федерации

МОСКОВСКИЙ ГОСУДАРСТВЕННЫЙ ТЕХНИЧЕСКИЙ УНИВЕРСИТЕТ

имени Н. Э. БАУМАНА


ФАКУЛЬТЕТ МТ (Машиностроительные технологии)

КАФЕДРА МТ7(Оборудование и технологии сварки

РАСЧЕТНО-ПОЯСНИТЕЛЬНАЯ записка

к курсовому проекту

«Сварные конструкции»

Студент: Вовчук Р.И. Гр. МТ7 – 83

Консультант: Выборнов А.П. Дата: ,

МОСКВА 2004.

  1. Аннотация.

Целью данного курсового проекта является анализ двух вариантов изготовления сварных пространственных узлов главной фермы мостового крана. Первый вариант рассчитан и спроектирован исходя из условия удобства сборки и сварки. Второй исходя из условия минимизации концентрации напряжений в сварных швах пространственных узлов.

  1. Построение линий влияния.

    1. Определение опорных реакций:

Составим уравнение моментов относительно точки В (см. Рис. 2.1.):

где 1 – единичная сила (далее Е. С.);

Х – координата положения Е. С.;

RA – реакция в точке А;

L – пролет фермы.

Составим уравнение моментов относительно точки А:

где RB – реакция в точке В.

    1. Линия влияния стержня Н4:

      1. Е. С. правее точки 7/:

Составим уравнение моментов относительно точки 7/ (см. Рис. 2.1):

где 34 – усилие в стержне Н4 направленное из точки 3 в точку 4;

L1=0,7 м – длина крайних стержней верхнего пояса;

L2=1.4 м – длина остальных стержней нижнего пояса;

W=1.7 м – высота стоек вертикальной фермы.



Рис. 2.1. Построение линий влияния.

      1. Е. С. левее точки 7/:

Составим уравнение моментов относительно точки 7/:

где 43 – усилие в стержне Н4 направленное из точки 4 в точку 3.

    1. Линия влияния стержня В8:

      1. Е. С. правее точки 8/:

Составим уравнение моментов относительно точки 4:

где 7/8/ – усилие в стержне В8 направленное из точки 7/ в точку 8/.

      1. Е. С. левее точки 8/:

Составим уравнение моментов относительно точки 4:

где 8/ 7/– усилие в стержне В8 направленное из точки 8/ в точку 7/.

    1. Линия влияния стержня Р8:

      1. Е. С. правее точки 8/:

Составим уравнение проекций сил на вертикальную ось:

где 7/4 – усилие в стержне Р8 направленное из точки 7/ в точку 4.

      1. Е. С. левее точки 7/:

Составим уравнение проекций сил на вертикальную ось:

где 47/ – усилие в стержне Р8 направленное из точки 4 в точку 7/.

    1. Линия влияния стержня С2:

Составим уравнение проекций сил на вертикальную ось в точке 2/:

где 2/1 – усилие в стержне С2 направленное из точки 2/ в точку 1.

    1. Линия влияния стержня С1:

Составим уравнение проекций сил на вертикальную ось в точке 0/:

где 0/0 – усилие в стержне С1 направленное из точки 0/ в точку 0.

  1. Определение усилий в стержнях от распределенной и сосредоточенной нагрузки.

    1. Стержень Н4;

      1. Усилие от распределенной нагрузки:

где Q=0.36 кН – распределенная нагрузка;

 - площадь ограниченная линией влияния (заштрихованная область).

Все координаты (y1…y8) находятся с помощью метода подобия и берутся с учетом своего знака.

      1. Усилие от сосредоточенной нагрузки:

а) Максимальное усилие:

где D=168.7 кН – вертикальная сила давления от колес тележки;

б) Минимальное усилие:

    1. Стержень В8;

      1. Усилие от распределенной нагрузки:

      1. Усилие от сосредоточенной нагрузки:

а) Максимальное усилие:

б) Минимальное усилие:

    1. Стержень Р8;

      1. Усилие от распределенной нагрузки:

где а – координата пресечения линией влияния нуля (находиться методом подобия).

      1. Усилие от сосредоточенной нагрузки:

а) Максимальное усилие:

б) Минимальное усилие:

    1. Стержень С2;

      1. Усилие от распределенной нагрузки:

      1. Усилие от сосредоточенной нагрузки:

а) Максимальное усилие:

б) Минимальное усилие:

    1. Стержень С1;

      1. Усилие от распределенной нагрузки:

      1. Усилие от сосредоточенной нагрузки:

а) Максимальное усилие:

б) Минимальное усилие:

    1. Усилие в остальных стержнях.

Усилие для остальных стержней от нагрузок действующих на главную и горизонтальную фермы найдены с помощью расчетной программы и представлены в приложении.

  1. Определение расчетных усилий в стержнях.

    1. Главная ферма:

      1. Верхний пояс:

где Nmax – максимальное усилие в стержне;

Nmin – минимальное усилие в стержне;

N(Q) – усилие в стержне от распределенной нагрузки;

N(QG) – усилие в стержне от распределенной горизонтальной нагрузки;

N(DG) – усилие в стержне от горизонтальной инерционной нагрузки;

Nmin(D) – минимальное усилие от силы давления колес тележки в стержне;

Nmax(D) – максимальное усилие от силы давления колес тележки в стержне.

      1. Нижний пояс:

      1. Раскосы:

      1. Стойки:

    1. Горизонтальная ферма:

      1. Раскосы:

      1. Стойки:

    1. Коэффициент асимметрии цикла:

    1. Результаты расчета.

Результаты расчетов по приведенным выше формулам сведены в таблицу 4.1..

Таблица 4.1. Максимальные и минимальные усилие в стержнях главной и

горизонтальной фермы.

Стержень

Главная ферма

Горизонтальная ферма

Nmax, kH

Nmin, kH

Nmax, kH

Nmin, kH

В1

0

0

0

В2

-188.9

-3.8

В3

--188.9

-3.8

В4

-383.4

-7.9

В5

-383.4

-7.9

В6

-470.9

-9.9

0.021

В7

-470.9

-9.9

0.021

Н1

83.4

2

Н2

254.8

6.1

Н3

374.7

9.14

Н4

404.3

10.2

0.025

Р1

-130.9

-3.1

Р2

133.2

3.0

Р3

-159.1

-3.3

-0.03

Р4

142.2

2.6

Р5

-125.3

-1.9

Р6

108.2

1.13

Р7

-91.3

-0.4

С1

-75.1

-0.1

С2

-75.5

-0.5

0.006

С3

--75.5

-0.5

0.006

  1. Расчет главной фермы первого варианта.

    1. Верхний пояс:

      1. Схема нагружения и исходные данные:


Pz=470.9кН;

L2=1500мм;

D=75 кН;

DG=9.00 кН;

ρ=0.021

Материал: ВСт3сп;

Расчетная группа по СНиП: 7-я.

Рис. 5.1. Схема нагружения верхнего пояса главной фермы.

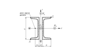
      1. Расчетная схема:


Х, Y - центральные оси сечения;

Z0 – координаты центра тяжести швеллера;

Н – высота швеллера;

b – ширина полки швеллера.

Рис. 5.2. Расчетная схема поперечного сечения верхнего пояса.

      1. Допускаемые напряжения при статическом нагружении:

где [σ]р – допускаемое напряжение при растяжении;

m=1.1 – коэффициент неполноты расчета (учитывает влияние горизонтальной фермы);

Ryn=250 МПа – расчетное сопротивление при растяжении;

γm=1.05 – коэффициент надежности по материалу.

      1. Допускаемое напряжение при работе на выносливость:

где α – коэффициент учитывающий число циклов нагружения (n=106);

γv – коэффициент учитывающий асимметрию цикла нагружения;

Rv=36 МПа – расчетное сопротивление;

      1. Расчетные изгибающие моменты:

где Мх – изгибающий момент относительно оси X;

Му – изгибающий момент относительно оси Y;

      1. Подбор типоразмера швеллера:

Типоразмер швеллера выбирался проетным расчетом на выносливость и производились расчеты:

На статическую прочность;

Характеристики

Тип файла
Документ
Размер
1,93 Mb
Тип материала
Высшее учебное заведение

Тип файла документ

Документы такого типа открываются такими программами, как Microsoft Office Word на компьютерах Windows, Apple Pages на компьютерах Mac, Open Office - бесплатная альтернатива на различных платформах, в том числе Linux. Наиболее простым и современным решением будут Google документы, так как открываются онлайн без скачивания прямо в браузере на любой платформе. Существуют российские качественные аналоги, например от Яндекса.

Будьте внимательны на мобильных устройствах, так как там используются упрощённый функционал даже в официальном приложении от Microsoft, поэтому для просмотра скачивайте PDF-версию. А если нужно редактировать файл, то используйте оригинальный файл.

Файлы такого типа обычно разбиты на страницы, а текст может быть форматированным (жирный, курсив, выбор шрифта, таблицы и т.п.), а также в него можно добавлять изображения. Формат идеально подходит для рефератов, докладов и РПЗ курсовых проектов, которые необходимо распечатать. Кстати перед печатью также сохраняйте файл в PDF, так как принтер может начудить со шрифтами.

Список файлов курсовой работы

Готовые курсовые проекты неизвестного варианта
!Проект
1
L1.frw
L111.frw
_3.frw
_21.frw
________.frw
3
Tihonov4.dwg
Tihonov4.frw
27__350_
______1.DWG
______2.DWG
______2.frw
______3.DWG
28
C_____.DWG
C_____.frw
C______.DWG
C______.frw
L1.DWG
L1.frw
L4.DWG
L4.frw
L4.frw.bak
Свежие статьи
Популярно сейчас
Зачем заказывать выполнение своего задания, если оно уже было выполнено много много раз? Его можно просто купить или даже скачать бесплатно на СтудИзбе. Найдите нужный учебный материал у нас!
Ответы на популярные вопросы
Да! Наши авторы собирают и выкладывают те работы, которые сдаются в Вашем учебном заведении ежегодно и уже проверены преподавателями.
Да! У нас любой человек может выложить любую учебную работу и зарабатывать на её продажах! Но каждый учебный материал публикуется только после тщательной проверки администрацией.
Вернём деньги! А если быть более точными, то автору даётся немного времени на исправление, а если не исправит или выйдет время, то вернём деньги в полном объёме!
Да! На равне с готовыми студенческими работами у нас продаются услуги. Цены на услуги видны сразу, то есть Вам нужно только указать параметры и сразу можно оплачивать.
Отзывы студентов
Ставлю 10/10
Все нравится, очень удобный сайт, помогает в учебе. Кроме этого, можно заработать самому, выставляя готовые учебные материалы на продажу здесь. Рейтинги и отзывы на преподавателей очень помогают сориентироваться в начале нового семестра. Спасибо за такую функцию. Ставлю максимальную оценку.
Лучшая платформа для успешной сдачи сессии
Познакомился со СтудИзбой благодаря своему другу, очень нравится интерфейс, количество доступных файлов, цена, в общем, все прекрасно. Даже сам продаю какие-то свои работы.
Студизба ван лав ❤
Очень офигенный сайт для студентов. Много полезных учебных материалов. Пользуюсь студизбой с октября 2021 года. Серьёзных нареканий нет. Хотелось бы, что бы ввели подписочную модель и сделали материалы дешевле 300 рублей в рамках подписки бесплатными.
Отличный сайт
Лично меня всё устраивает - и покупка, и продажа; и цены, и возможность предпросмотра куска файла, и обилие бесплатных файлов (в подборках по авторам, читай, ВУЗам и факультетам). Есть определённые баги, но всё решаемо, да и администраторы реагируют в течение суток.
Маленький отзыв о большом помощнике!
Студизба спасает в те моменты, когда сроки горят, а работ накопилось достаточно. Довольно удобный сайт с простой навигацией и огромным количеством материалов.
Студ. Изба как крупнейший сборник работ для студентов
Тут дофига бывает всего полезного. Печально, что бывают предметы по которым даже одного бесплатного решения нет, но это скорее вопрос к студентам. В остальном всё здорово.
Спасательный островок
Если уже не успеваешь разобраться или застрял на каком-то задание поможет тебе быстро и недорого решить твою проблему.
Всё и так отлично
Всё очень удобно. Особенно круто, что есть система бонусов и можно выводить остатки денег. Очень много качественных бесплатных файлов.
Отзыв о системе "Студизба"
Отличная платформа для распространения работ, востребованных студентами. Хорошо налаженная и качественная работа сайта, огромная база заданий и аудитория.
Отличный помощник
Отличный сайт с кучей полезных файлов, позволяющий найти много методичек / учебников / отзывов о вузах и преподователях.
Отлично помогает студентам в любой момент для решения трудных и незамедлительных задач
Хотелось бы больше конкретной информации о преподавателях. А так в принципе хороший сайт, всегда им пользуюсь и ни разу не было желания прекратить. Хороший сайт для помощи студентам, удобный и приятный интерфейс. Из недостатков можно выделить только отсутствия небольшого количества файлов.
Спасибо за шикарный сайт
Великолепный сайт на котором студент за не большие деньги может найти помощь с дз, проектами курсовыми, лабораторными, а также узнать отзывы на преподавателей и бесплатно скачать пособия.
Популярные преподаватели
Добавляйте материалы
и зарабатывайте!
Продажи идут автоматически
7021
Авторов
на СтудИзбе
260
Средний доход
с одного платного файла
Обучение Подробнее