записка (1041325)
Текст из файла
Московский Государственный Технический Университет
им. Н. Э. Баумана
Кафедра МТ7
РАСЧЕТНО-ПОЯСНИТЕЛЬНАЯ записка
к курсовому проекту
« ПРоектирование Сварных конструкций»
Выполнил: Юмин А.Н. Гр. МТ 7 – 83
Консультант: Выборнов А.П. Дата: ,
МОСКВА 2006 г.
-
Аннотация.
Целью данного курсового проекта является анализ двух вариантов изготовления сварных пространственных узлов главной фермы мостового крана. Первый вариант рассчитан и спроектирован исходя из условия удобства сборки и сварки (технологический вариант). Второй исходя из условия минимизации концентрации напряжений в сварных швах пространственных узлов и экономии используемого металла (экономический вариант).
-
Построение линий влияния.
-
Линия влияния стержня B11:
-
Груз справа:
Составим уравнение моментов относительно точки А (см. Рис. 1):
где N11 – усилие в стержне B11;
L1=0,5 м – длина первого стержня верхнего пояса;
L2=1.3 м – длина остальных стержней верхнего пояса;
W=2 м – высота стоек вертикальной фермы.
-
Груз слева:
Составим уравнение моментов относительно точки А:
-
Линия влияния стержня H6:
-
Груз справа:
Составим уравнение моментов относительно точки В(см. рис. 1):
где N6 – усилие в стержне Н6;
-
Груз слева:
Составим уравнение моментов относительно точки В:
-
Линия влияния стержня Р11:
-
Груз справа:
Составим уравнение проекций сил на вертикальную ось:
где N11 – усилие в стержне Р11;
-
Груз слева:
Составим уравнение проекций сил на вертикальную ось:
-
Линия влияния стержня С2:
Составим уравнение проекций сил на вертикальную ось в точке 2/:
где N2 – усилие в стержне С2;
-
Линия влияния стержня С1:
Составим уравнение проекций сил на вертикальную ось в точке 0/:
где N1 – усилие в стержне С1.
-
Определение усилий в стержнях от распределенной и сосредоточенной нагрузки.
-
Стержень В11
-
Усилие от распределенной нагрузки:
где Q=0,34 кН – распределенная нагрузка;
- площадь, ограниченная линией влияния .
-
Усилие от сосредоточенной нагрузки:
а) Максимальное усилие:
где D=46,8 кН – вертикальная сила давления от колес тележки;
б) Минимальное усилие:
-
Стержень Н6
-
Усилие от распределенной нагрузки:
-
Усилие от сосредоточенной нагрузки:
а) Максимальное усилие:
б) Минимальное усилие:
-
Стержень Р11;
-
Усилие от распределенной нагрузки:
-
Усилие от сосредоточенной нагрузки:
а) Максимальное усилие:
б) Минимальное усилие:
-
Стержень С2;
-
Усилие от распределенной нагрузки:
-
Усилие от сосредоточенной нагрузки:
а) Максимальное усилие:
б) Минимальное усилие:
-
Стержень С1;
-
Усилие от распределенной нагрузки:
-
Усилие от сосредоточенной нагрузки:
а) Максимальное усилие:
б) Минимальное усилие:
-
Усилие в остальных стержнях.
Усилие для остальных стержней от нагрузок действующих на главную и горизонтальную фермы найдены с помощью расчетной программы и представлены ниже.
-
Определение расчетных усилий в стержнях.
-
Главная ферма:
-
Верхний пояс:
где Nmax – максимальное усилие в стержне;
Nmin – минимальное усилие в стержне;
N(Q) – усилие в стержне от распределенной нагрузки;
N(QG) – усилие в стержне от распределенной горизонтальной нагрузки;
N(DG) – усилие в стержне от горизонтальной инерционной нагрузки;
Nmin(D) – минимальное усилие от силы давления колес тележки в стержне;
Nmax(D) – максимальное усилие от силы давления колес тележки в стержне.
-
Нижний пояс:
-
Раскосы:
-
Стойки:
-
Коэффициент асимметрии цикла:
-
Результаты расчета.
Результаты расчетов по приведенным выше формулам сведены в таблицу 1.
Таблица 3.1. Максимальные и минимальные усилия в стержнях главной и
горизонтальной ферм.
| Стержень | Главная ферма | ||
| Nmax, kH | Nmin, kH | | |
| В1 | 0 | 0 | 0 |
| В2 | -336,7 | -8,3 | 0,0246 |
| В3 | -336,7 | -8,3 | 0,0246 |
| В4 | -758,4 | -18,7 | 0,0246 |
| В5 | -758,4 | -18,7 | 0,0246 |
| В6 | -1069,2 | -26,5 | 0,0247 |
| В7 | -1069,2 | -26,5 | 0,0247 |
| B8 | -1269,6 | -31,7 | 0,0249 |
| B9 | -1269,6 | -31,7 | 0,0249 |
| В10 | -1359,4 | -34,4 | 0,0235 |
| B11 | -1359,4 | -34,4 | 0,0235 |
| Н1 | 149,3 | 4,8 | 0,0321 |
| Н2 | 482 | 13,8 | 0,0286 |
| Н3 | 796,4 | 23 | 0,0288 |
| Н4 Н5 Н6 | 1015,9 1140,6 1170,3 | 29,5 33,4 34,7 | 0,0290 0,0292 0,0296 |
| Р1 | -282,9 | -10,1 | 0,0357 |
| Р2 | 292,1 | 10,1 | 0,0345 |
| Р3 | -361,5 | 1,5 | -0,0041 |
| Р4 | 340,1 | -19,8 | -0,0582 |
| Р5 | -318,7 | 41,2 | -0,129 |
| Р6 | 297,4 | -62,6 | -0,2104 |
| Р7 Р8 Р9 Р10 Р11 | -276 254,7 -233,4 212 -190,6 | 83,9 -105,2 126,6 -148 169,3 | -0,3039 -0,4130 -0,5424 -0,6981 -0,8882 |
| С1 | -168,9 | -0,2 | 0,0011 |
| С2 | -169,9 | -1,2 | 0,007 |
| С3 | -169,9 | -1,2 | 0,007 |
-
Расчет главной фермы первого варианта.
-
Верхний пояс:
-
Схема нагружения и исходные данные:
Pz =1359,4кН;
L2=1600 мм;
D=168,7 кН;
DG=20,2 кН;
ρ=0,0253;
Материал: ВСт3сп;
Расчетная группа по СНиП: 7-я.
Рис. 4.1. Схема нагружения верхнего пояса главной фермы.
-
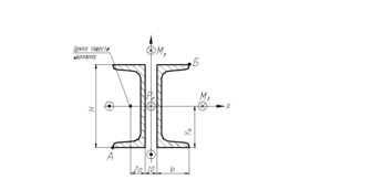
Расчетная схема:
Х, Y - центральные оси сечения;
Z0 – координаты центра тяжести швеллера;
Н – высота швеллера;
b – ширина полки швеллера.
Рис. 4.2. Расчетная схема поперечного сечения верхнего пояса.
-
Допускаемые напряжения при статическом нагружении:
где [σ]р – допускаемое напряжение при растяжении;
m=1.1 – коэффициент неполноты расчета (учитывает влияние вспомогательной фермы);
-
Допускаемое напряжение при расчете на выносливость:
где α – коэффициент, учитывающий число циклов нагружения (n=106);
γv – коэффициент, учитывающий асимметрию цикла нагружения;
Rv=36 МПа – расчетное сопротивление;
-
Расчетные изгибающие моменты:
где Мх – изгибающий момент относительно оси ОX;
Му – изгибающий момент относительно оси ОY;
-
Подбор типоразмера швеллера:
Подбор типоразмера швеллера производится, исходя из условия обеспечения сопротивления усталости. Далее проводятся проверки:
-
На статическую прочность;
-
На устойчивость.
Если требования хотя бы одного из расчетов не выполнялись, то принимался следующий типоразмер швеллера и расчеты производились заново, до тех пор, пока не выполнялись условия всех расчетов.
-
Расчет на сопротивление усталости.
Расчетная площадь сечения:
Принимаем швеллер №36 по ГОСТ 8240-89:
Ашв=53,4∙102 мм2.
-
Проверочный расчет на статическую прочность:
Прочность данного сечения необходимо проверить в двух точках: А, Б
(см. Рис. 4.2.).
Характеристики
Тип файла документ
Документы такого типа открываются такими программами, как Microsoft Office Word на компьютерах Windows, Apple Pages на компьютерах Mac, Open Office - бесплатная альтернатива на различных платформах, в том числе Linux. Наиболее простым и современным решением будут Google документы, так как открываются онлайн без скачивания прямо в браузере на любой платформе. Существуют российские качественные аналоги, например от Яндекса.
Будьте внимательны на мобильных устройствах, так как там используются упрощённый функционал даже в официальном приложении от Microsoft, поэтому для просмотра скачивайте PDF-версию. А если нужно редактировать файл, то используйте оригинальный файл.
Файлы такого типа обычно разбиты на страницы, а текст может быть форматированным (жирный, курсив, выбор шрифта, таблицы и т.п.), а также в него можно добавлять изображения. Формат идеально подходит для рефератов, докладов и РПЗ курсовых проектов, которые необходимо распечатать. Кстати перед печатью также сохраняйте файл в PDF, так как принтер может начудить со шрифтами.















