sevasteev (1041316)
Текст из файла
Московский Государственный Технический Университет
им. Н. Э. Баумана
Кафедра МТ7
РАСЧЕТНО-ПОЯСНИТЕЛЬНАЯ записка
к курсовому проекту
«Сварные конструкции»
Студент: Савостеев Гр. МТ7 – 81
Консультант: Коновалов Дата: ,
МОСКВА 2002.
-
Аннотация.
Целью данного курсового проекта является анализ двух вариантов изготовления сварных пространственных узлов главной и горизонтальной фермы мостового крана. Первый вариант рассчитан и спроектирован исходя из условия удобства сборки и сварки. Второй исходя из условия минимизации концентрации напряжений в сварных швах пространственных узлов.
-
Построение линий влияния.
-
Определение опорных реакций:
Составим уравнение моментов относительно точки В (см. Рис. 2.1.):
где 1 – единичная сила (далее Е. С.);
Х – координата положения Е. С.;
RA – реакция в точке А;
L – пролет фермы.
Составим уравнение моментов относительно точки А:
где RB – реакция в точке В.
-
Линия влияния стержня Н4:
-
Е. С. правее точки 8/:
Составим уравнение моментов относительно точки 7/ (см. Рис. 2.1):
где 34 – усилие в стержне Н4 направленное из точки 3 в точку 4;
L1=0.9 м – длина крайних стержней верхнего пояса;
L2=1.8 м – длина остальных стержней нижнего пояса;
W=2 м – высота стоек вертикальной фермы.
Рис. 2.1. Построение линий влияния.
-
Е. С. левее точки 8/:
Составим уравнение моментов относительно точки 7/:
где 43 – усилие в стержне Н4 направленное из точки 4 в точку 3.
-
Линия влияния стержня В8:
-
Е. С. правее точки 8/:
Составим уравнение моментов относительно точки 4:
где 7/8/ – усилие в стержне В8 направленное из точки 7/ в точку 8/.
-
Е. С. левее точки 8/:
Составим уравнение моментов относительно точки 4:
где 8/7/ – усилие в стержне Н4 направленное из точки 8/ в точку 7/.
-
Линия влияния стержня Р8:
-
Е. С. правее точки 8/:
Составим уравнение проекций сил на вертикальную ось:
где 7/4 – усилие в стержне Р8 направленное из точки 7/ в точку 4.
-
Е. С. левее точки 7/:
Составим уравнение проекций сил на вертикальную ось:
где 47/ – усилие в стержне Р8 направленное из точки 4 в точку 7/.
-
Линия влияния стержня С2:
Составим уравнение проекций сил на вертикальную ось в точке 2/:
где 2/1 – усилие в стержне С2 направленное из точки 2/ в точку 1.
-
Линия влияния стержня С1:
Составим уравнение проекций сил на вертикальную ось в точке 0/:
где 0/0 – усилие в стержне С1 направленное из точки 0/ в точку 0.
-
Определение усилий в стержнях от распределенной и сосредоточенной нагрузки.
-
Стержень Н4;
-
Усилие от распределенной нагрузки:
где Q=0.31 кН – распределенная нагрузка;
- площадь ограниченная линией влияния (заштрихованная область).
Все координаты (y1…y8) находятся с помощью метода подобия и берутся с учетом своего знака.
-
Усилие от сосредоточенной нагрузки:
а) Максимальное усилие:
где D=37.5 кН – вертикальная сила давления от колес тележки;
где LT=2.5 м – расстояние между колесами тележки (база тележки);
б) Минимальное усилие:
-
Стержень В8;
-
Усилие от распределенной нагрузки:
-
Усилие от сосредоточенной нагрузки:
а) Максимальное усилие:
б) Минимальное усилие:
-
Стержень Р6;
-
Усилие от распределенной нагрузки:
где а – координата пресечения линией влияния нуля (находиться методом подобия).
-
Усилие от сосредоточенной нагрузки:
а) Максимальное усилие:
б) Минимальное усилие:
-
Стержень С2;
-
Усилие от распределенной нагрузки:
-
Усилие от сосредоточенной нагрузки:
а) Максимальное усилие:
б) Минимальное усилие:
-
Стержень С1;
-
Усилие от распределенной нагрузки:
-
Усилие от сосредоточенной нагрузки:
а) Максимальное усилие:
б) Минимальное усилие:
-
Усилие в остальных стержнях.
Усилие для остальных стержней от нагрузок действующих на главную и горизонтальную фермы найдены с помощью расчетной программы и представлены в приложении.
-
Определение расчетных усилий в стержнях.
-
Главная ферма:
-
Верхний пояс:
где Nmax – максимальное усилие в стержне;
Nmin – минимальное усилие в стержне;
N(Q) – усилие в стержне от распределенной нагрузки;
N(QG) – усилие в стержне от распределенной горизонтальной нагрузки;
N(DG) – усилие в стержне от горизонтальной инерционной нагрузки;
Nmin(D) – минимальное усилие от силы давления колес тележки в стержне;
Nmax(D) – максимальное усилие от силы давления колес тележки в стержне.
-
Нижний пояс:
-
Раскосы:
-
Стойки:
-
Горизонтальная ферма:
-
Раскосы:
-
Стойки:
-
Коэффициент асимметрии цикла:
-
Результаты расчета.
Результаты расчетов по приведенным выше формулам сведены в таблицу 4.1..
Таблица 4.1. Максимальные и минимальные усилие в стержнях главной и
горизонтальной фермы.
| Стержень | Главная ферма | Горизонтальная ферма | ||||
| Nmax, kH | Nmin, kH | | Nmax, kH | Nmin, kH | | |
| В1 | 0 | 0 | 0 | |||
| В2 | -107.2 | -4.2 | 0.039 | |||
| В3 | -107.2 | -4.2 | 0.039 | |||
| В4 | -211.4 | -8.2 | 0.039 | |||
| В5 | -211.4 | -8.2 | 0.039 | |||
| В6 | -270.8 | -11 | 0,04 | |||
| В7 | -270.8 | -11 | 0,04 | |||
| В8 | -285.8 | -12 | 0.04 | |||
| Н1 | 56.4 | 2.8 | 0.05 | |||
| Н2 | 142 | 6.4 | 0.045 | |||
| Н3 | 212.7 | 9.7 | 0.046 | |||
| Н4 | 244.8 | 11.3 | 0.046 | |||
| Р1 | -73.5 | -4.1 | 0.056 | -10.4 | 10.4 | -1 |
| Р2 | 64.5 | 3.3 | 0.051 | 13.3 | -13.3 | -1 |
| Р3 | -83.5 | 1.3 | -0.02 | -12.1 | 12.1 | -1 |
| Р4 | 76.1 | -8.7 | -0.11 | 11.1 | -11.1 | -1 |
| Р5 | -68.6 | 16.3 | -0.24 | -10 | 10 | -1 |
| Р6 | 61.1 | -24 | -0.39 | 8.9 | -8.9 | -1 |
| Р7 | -53.6 | 31.2 | -0.58 | -7.8 | 7.8 | -1 |
| Р8 | 46.2 | -39 | -0.84 | 6.8 | -6.8 | -1 |
| С1 | -37.6 | -0.1 | 0.003 | -4.5 | 4.5 | -1 |
| С2 | -38.1 | -0.6 | 0.016 | -4.6 | 4.6 | -1 |
| С3 | -38.1 | -0.6 | 0.016 | -4.6 | 4.6 | -1 |
-
Расчет главной фермы первого варианта.
-
Верхний пояс:
-
Схема нагружения и исходные данные:
Pz=285.8 кН;
L2=1800 мм;
D=37.5 кН;
DG=4.5 кН;
ρ=0.04;
Материал: ВСт3сп;
Расчетная группа по СНиП: 7-я.
Рис. 5.1. Схема нагружения верхнего пояса главной фермы.
-
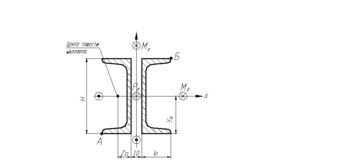
Расчетная схема:
Х, Y - центральные оси сечения;
Характеристики
Тип файла документ
Документы такого типа открываются такими программами, как Microsoft Office Word на компьютерах Windows, Apple Pages на компьютерах Mac, Open Office - бесплатная альтернатива на различных платформах, в том числе Linux. Наиболее простым и современным решением будут Google документы, так как открываются онлайн без скачивания прямо в браузере на любой платформе. Существуют российские качественные аналоги, например от Яндекса.
Будьте внимательны на мобильных устройствах, так как там используются упрощённый функционал даже в официальном приложении от Microsoft, поэтому для просмотра скачивайте PDF-версию. А если нужно редактировать файл, то используйте оригинальный файл.
Файлы такого типа обычно разбиты на страницы, а текст может быть форматированным (жирный, курсив, выбор шрифта, таблицы и т.п.), а также в него можно добавлять изображения. Формат идеально подходит для рефератов, докладов и РПЗ курсовых проектов, которые необходимо распечатать. Кстати перед печатью также сохраняйте файл в PDF, так как принтер может начудить со шрифтами.














