РПЗ (1041241), страница 2
Текст из файла (страница 2)
Линия влияния стержня В–7.
Нагрузка справа, отбрасываем правую часть.
Составим уравнение моментов:
– длина крайних стержней верхнего пояса;
– длина остальных стержней верхнего пояса;
– высота стоек вертикальной фермы.
Нагрузка слева, отбрасываем левую часть.
Составим уравнение моментов относительно точки
3.1.2. Панель нижнего пояса.
Линия влияния стержня Н–4.
Нагрузка справа, отбрасываем правую часть.
Составим уравнение моментов:
Нагрузка слева, отбрасываем левую часть.
Составим уравнение моментов:
3.1.3. Раскос.
Линия влияния стержня Р–7.
Нагрузка справа, отбрасываем правую часть.
Составим уравнение моментов:
Нагрузка слева, отбрасываем левую часть.
Составим уравнение моментов:
3.1.4. Стойки.
Линия влияния стержня С–1.
Составим уравнение проекций сил на вертикальную ось:
Линия влияния стержня С–2.
Составим уравнение проекций сил на вертикальную ось:
3.2. Определение усилий в стержнях от распределенной и сосредоточенной нагрузки.
Стержень В–7.
Усилие от распределенной нагрузки:
, где
– распределенная нагрузка;
– площадь, ограниченная линией влияния (заштрихованная область).
Все координаты (y1...y7) находятся с помощью метода подобия и берутся с учетом своего знака.
Усилие от сосредоточенной нагрузки:
а) Максимальное усилие:
б) Минимальное усилие:
Стержень Н–4.
Усилие от распределенной нагрузки:
, где
– распределенная нагрузка;
–площадь, ограниченная линией влияния (заштрихованная область).
Усилие от сосредоточенной нагрузки:
а) Максимальное усилие:
б) Минимальное усилие:
Стержень Р–7.
Усилие от распределенной нагрузки:
, где
– распределенная нагрузка;
–площадь, ограниченная линией влияния (заштрихованная область).
Усилие от сосредоточенной нагрузки:
а) Максимальное усилие:
б) Минимальное усилие:
Стержень С1.
Усилие от распределенной нагрузки:
, где
– распределенная нагрузка;
–площадь, ограниченная линией влияния (заштрихованная область).
Усилие от сосредоточенной нагрузки:
а) Максимальное усилие:
б) Минимальное усилие:
Стержень С2.
Усилие от распределенной нагрузки:
, где
– распределенная нагрузка;
–площадь, ограниченная линией влияния (заштрихованная область).
Усилие от сосредоточенной нагрузки:
а) Максимальное усилие:
б) Минимальное усилие:
Усилие в остальных стержнях:
Усилие для остальных стержней от нагрузок, действующих на главную и горизонтальные фермы найдены, с помощью расчетной программы и представлены ниже.
3.3. Определение максимальных и минимальных усилий от всех нагрузок.
, где
–максимальное усилие в стержне;
–минимальное усилие в стержне;
–усилие в стержне от распределенной нагрузки;
–усилие в стержне от распределенной горизонтальной нагрузки;
–усилие в стержне от горизонтальной инерционной нагрузки;
–минимальное усилие от силы давления колес тележки в стержне;
–максимальное усилие от силы давления колес тележки в стержне;
Нижний пояс:
Раскосы:
Стойки:
Горизонтальная ферма.
Раскосы:
Стойки:
3.4. Результаты расчетов на ЭВМ усилий во всех стержнях фермы.
Вариант N 2 Гемберг А. Сдан 5/ 4/2012
L= 16.00 P= 250.00 D= 93.70
L1= .80 W= 1.50 DG= 11.20
L2= 1.20 W1= .60 Q= .37
LT= 2.20 WG= 1.00 QV= .11
N= 14 WK= 2.40 QG= .05
УСИЛИЯ В СТЕРЖНЯХ :
Г Л А В Н А Я Ф Е Р М А ВСПОМОГАТЕЛЬНАЯ ГОРИЗОНТАЛЬНАЯ
--------------------------- ------------ --------------------
СТЕР- N(Q) N(D)MAX N(D)MIN СТЕР- N(QV) СТЕР- N(QG) N(DG)
ЖЕНЬ KH KH KH ЖЕНЬ KH ЖЕНЬ KH KH
--------------------------- ------------ --------------------
ВЕРХНИЙ ПОЯС ВЕРХН. ПОЯС ПОЯС ГЛАВНОЙ ФЕРМЫ
B 1 .0 .0 .0 B 1 .0 B 1 .0 .0
B 2 -3.5 -201.5 .0 B 2 -1.0 B 2 -.7 -36.1
B 3 -3.5 -201.5 .0 B 3 -1.0 B 3 -.7 -36.1
B 4 -6.3 -360.7 .0 B 4 -1.9 B 4 -1.3 -64.7
B 5 -6.3 -360.7 .0 B 5 -1.9 B 5 -1.3 -64.7
B 6 -7.7 -430.1 .0 B 6 -2.3 B 6 -1.6 -77.1
B 7 -7.7 -430.1 .0 B 7 -2.3 B 7 -1.6 -77.1
НИЖНИЙ ПОЯС НИЖНИЙ ПОЯС ПОЯС ВСПОМ. ФЕРМЫ
H 1 2.6 150.9 .0 H 1 .8 H 1 .3 15.8
H 2 5.1 292.3 .0 H 2 1.5 H 2 1.0 52.4
H 3 7.2 406.7 .0 H 3 2.1 H 3 1.5 72.9
H 4 7.9 431.0 .0 H 4 2.3 H 4 1.6 77.3
РАСКОСЫ РАСКОСЫ РАСКОСЫ
P 1 -2.9 -172.0 .0 P 1 -.9 P 1 -.5 -25.3
P 2 1.8 120.9 .0 P 2 .5 P 2 .6 28.2
P 3 -2.6 -175.5 13.5 P 3 -.8 P 3 -.4 -25.6
P 4 2.0 157.5 -31.5 P 4 .6 P 4 .3 23.0
P 5 -1.4 -139.5 49.5 P 5 -.4 P 5 -.2 -20.3
P 6 .9 121.5 -67.5 P 6 .3 P 6 .1 17.7
P 7 -.3 -103.5 85.5 P 7 -.1 P 7 .0 -15.1
СТОЙКИ СТОЙКИ СТОЙКИ
C 1 -.1 -93.7 .0 C 1 .0 C 1 .0 -11.2
C 2 -.4 -93.7 .0 C 2 -.1 C 2 -.1 -11.2
C 3 -.4 -93.7 .0 C 3 -.1 C 3 -.1 -11.2
Все табличные величины в кН. В – верхний стержень, Н – нижний стержень, Р – раскос, С – стойка.
4. Проверочные расчеты элементов ферм 1–го варианта.
4.1. Определение расчетного сопротивления при статических нагрузках.
4.1.1. Проверочный расчет на статическую прочность.
Максимальное и минимальное усилия в верхнем поясе
Материал: сталь Ст3сп. Расчетное сопротивление:
Допускаемые напряжение на статическое нагружение:
, где
– коэффициент неполноты расчета.
Допускаемые напряжения на выносливость:
– показатель ассиметрии цикла.
– коэффициент отражает зависимость допускаемых напряжений от показателя ассиметрии цикла.
Для 7–ой группы по СНиП:
– коэффициент зависящий от числа циклов.
Пояс относим к 7 группе элементов по СНиП, тогда расчетное сопротивление:
Первоначальный подбор площади сечения верхнего пояса будем проводить по допускаемым напряжениям на выносливость:
Выбираем швеллер №18У по ГОСТ 8240–97, у которого
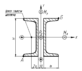
4.1.2. Рассчитаем изгибающие моменты, действующие на стержни верхнего пояса.
Значения моментов:
Схема нагружения сечения верхнего пояса:
Сечение верхнего пояса выполнено из 2 швеллеров.
Рассмотрим швеллер №20У по ГОСТ 8240–97:
– момент инерции швеллера относительно оси х
– момент инерции швеллера относительно оси у
– расстояние от центра тяжести до наружной грани стенки
Момент инерции всего сечения относительно оси х:
Момент инерции всего сечения относительно оси у:
Для точки А:
Для точки Б:
4.1.3. Проверочный расчет на устойчивость.
Работа верхнего пояса на устойчивость соответствует схеме внецентренно сжатой стойки, изгибаемой в двух перпендикулярных плоскостях.
Проверка на устойчивость в плоскости действия max изгибающего момента Мх.
Условие устойчивости:
– площадь всего составного сечения.
Проверка на устойчивость в случае совместного действия изгибающих моментов Мх и Му.
Условие устойчивости:
– площадь всего составного сечения.
Экстраполируем (таблица 74 СНиП):
После всех проведенных проверок для верхнего пояса окончательно выбираем швеллер №20У.
4.2. Подбор сечения стойки.
4.2.1. Первоначальный подбор сечения стойки.
Максимальное и минимальное усилия в верхнем поясе
Материал: сталь Ст3сп. Расчетное сопротивление:
Допускаемые напряжение на статическое нагружение:
, где
–коэффициент неполноты расчета.
Допускаемые напряжения на выносливость:
– показатель ассиметрии цикла.
– коэффициент отражает зависимость допускаемых напряжений от показателя ассиметрии цикла.
– коэффициент, зависящий от числа циклов.
Пояс относим к 7 группе элементов по СНиП, тогда расчетное сопротивление:
Первоначальный подбор площади сечения верхнего пояса будем проводить по допускаемым напряжениям на выносливость:
Выбираем равнобокий уголок с профилем №5 по ГОСТ 8509–97:
4.2.2. Проверка стойки на устойчивость.
Работа стоек на устойчивость соответствует схеме центрально сжатой стойки.
Условие устойчивости:
















