zapiska (1041159), страница 6
Текст из файла (страница 6)
6.1.1.Расчёт подшипников опор входного вала.
Расчёт производится на ЭВМ при помощи ПО MSExel.
Результаты расчёта приведены в таблице 8.1.
Таблица 8.1.
| опора А | опора В | |
| Cr кН | 50.4 | 33.7 |
Опора В должна быть фиксирующей, так как она находится на входе в коробку, а опора А должна быть плавающей.
В качестве подшипника опоры А выбирается шариковый сферический однорядный подшипник SKFN 208 ECMB
В качестве подшипника опоры В выбирается роликовый цилиндрический однорядный подшипник SKF6308
6.1.2.Расчёт подшипников промежуточного вала.
Расчёт производится на ЭВМ при помощи ПО MSExel.
Результаты расчёта приведены в таблице 8.2.
Таблица 8.2
| опора А | опора В | опора С | |
| Cr кН | 46.6 | 35.9 | 103.8 |
Опора С должна быть фиксирующей, а опоры А и В плавающими.
В качестве подшипников опор А и В выбираются роликовые цилиндрические однорядные подшипники SKFNC 2009 ECP
В качестве подшипника опоры С выбирается двухрядный роликовый сферический подшипник SKF 24012 CC/W33
6.1.3.Расчёт подшипников выходного вала.
Расчёт производится на ЭВМ при помощи ПО MSExel.
Результаты расчёта приведены в таблице 8.3.
Таблица 8.3
| опора А | опора В | опора С | |
| Cr кН | 30 | 5.1 | 59.3 |
Опора С должна быть фиксирующей, а опоры А и В плавающими.
В качестве подшипников опор А и В выбираются роликовые цилиндрические однорядные подшипники SKFNU 1013 ECP
В качестве подшипника опоры С выбирается двухрядный роликовый сферический подшипник SKF 22211 E
6.1.4.Расчёт подшипников под паразитной шестернёй.
Cr=41.6 кН
Под паразитную шестерню ставятся два однорядных шариковых сферических подшипника SKF
6.2.Расчёт игольчатых подшипников, устанавливаемых между зубчатыми колёсами и валами.
Игольчатые подшипники, устанавливаемые между колесом и валом рассчитываются на статическую грузоподъёмность, так как в момент их нахождения под нагрузкой они не вращаются.
Минимальная статическая грузоподъёмность, которой должен обладать подшипник определяется по формуле:
Cori=Qi
Результат расчёта приведён в таблице 8.4.
Таблица 8.4
| колесо I | колесо II | колесо 4 | колесо 5 | колесо 6 | колесо 9 | |
| C0r кН | 8.54 | 5.25 | 13.38 | 10.51 | 8.75 | 13.84 |
Выбираются следующие игольчатые подшипники:
Под колёсами I иIISKFK50x55x13.5
Под колёсами 4 и 9 SKFK65x70x16
Под колёсами 5 и 6 SKFK75x80x16
7.Расчёт шлицевых соединений.
Задаются допускаемые напряжения смятия и среза.
[σ]см=140 МПа (для прямобочных шлицов)
[σ]см=140 МПа (для эвольвентных шлицов)
[τ]ср= 50 МПа
Прямобочные шлицы, используемые в данной работе, берутся не стандартные, так как в данном случае это не удобно, значит кроме расчёта на смятие их нужно посчитать на срез.
Эвольвентные шлицы, используемые в зубчатке синхронизатора берутся стандартными, значит их достаточно посчитать на смятие.
Рабочая длина шлицевого соединения из условия не превышения допускаемых напряжений смятия определяется по формуле:
F-площадь сминаемых поверхностей; она определяется по формуле:
(для прямобочных шлицов)
(для эвольвентных шлицов)
rср-радиус по середине высоты зуба; он определяется по формуле:
Величина напряжений среза определяется по следующей формуле:
τср=
7.1.Расчёт шлицевых соединений на входном валу.
7.1.1.Расчёт прямобочных шлицевых соединений на входном валу.
Для соединения входного вала с полумуфтой:
Dв=40 мм, dа=64 мм, T=385.1Н*мм, l=15мм, τср=42 МПа
Обозначение d-6x40H7/f7x15x6H8/f8
Для соединения втулки с эвольвентыми шлицами с валом :
Dв=45мм, dа=40мм, f=мм,T=385.1 Н*м, l=48мм, τср=12.8МПа
Обозначениеd-8x45H7/f7x48x8H8/f8
7.1.2.Расчёт эвольвентных шлицевых соединений на входном валу.
m=3 мм, z=21 мм, rср=63мм, T=385.1 Н*м, l=15 мм
Обозначение 70x3xH9/g9
7.2.Расчёт шлицевых соединений на промежуточном валу.
Шлицевые соединений на промежуточном валу рассчитываются при максимальном действующем моменте, то есть фактически рассчитывается соединение колеса 1 с валом.
На промежуточном валу шлицевыми соединениями соединяются зубчатые колёса с валом.
Для соединения колеса 1 с валом:
Dв=50мм, dа=45мм, T=553Н*м, l=16мм, τср=22.5МПа
Обозначениеd-8x50H7/f7x175x8H8/f8
7.3.Расчёт шлицевых соединений на выходном валу.
7.3.1.Расчёт прямобочных шлицевых соединений.
Для соединения выходного вала с полумуфтой:
Dв=55мм, dа=47мм,T=1175Н*м, l=45мм, τср=31МПа
Обозначение
Для соединения втулки с эвольвентными шлицами с валом:
Dв=65мм, dа=57мм,T=1175Н*м, l=50мм, τср=13МПа
Обозначениеd-8x65H7/f7x50x8H8/f8
7.3.2.Расчёт эвольвентных шлицевых соединений на выходном валу.
m=3 мм, z=27 мм, rср=81мм, T=1175 Н*м, l=15 мм
Обозначение 85x3xH9/g9
8.Расчёт синхронизаторов.
Синхронизаторы обеспечивают предварительное выравнивание угловых скоростей соединяемых пар муфт и шестерен и тем самым безударное включение передач. Применение синхронизаторов значительно упрощает процесс переключения передач.
Весь расчет состоит в определении момента синхронизации, расчет пружин фиксаторов, расчет угла скоса в корпусе инерционного синхронизатора (все синхронизаторы в проектируемой коробке являются инерционными).
Расчет синхронизаторов включает в себя: определение зависимости между усилием нажатия на муфту переключения и временем синхронизации, подсчет удельного давления на конической поверхности трения чтобы убедится в работоспособности синхронизатора.
8.1.Расчёт синхронизатора на входном валу.
Входной вал зубчатой муфтой соединён с главным фрикционом, момент инерции которого много меньше приведённого момента инерции части трансмиссии, находящейся после входного вала, следовательно, задача определения момента синхронизации сводится к простейшей задаче:
«С каким моментом необходимо воздействовать на тело, вращающееся с определённой угловой скоростью, имеющего определённую инерционную характеристику, что бы за определённое время (время синхронизации) его полностью остановить».
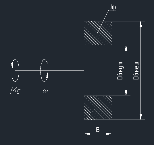
Расчётная схема для определения момента синхронизации приведена на рисунке 10.1.
Рисунок 10.1
Принимается Тс=1.5 с (время синхронизации).
Собственный момент инерции входного вала, по сравнению с моментом инерции главного фрикциона, пренебрежимо мал, поэтому в расчётах он не учитывается.
Принимаются примерные размеры главного фрикциона:
Dвнешний=250 мм
Dвнутренний=180 мм
В=50 мм
Момент инерции главного фрикциона:
Jгф=0.5*m*(Rвнешний2+Rвнутренний2)
Масса главного фрикциона:
m=ρ*V=ρ*0.25*π*(Dвнешний2- Dвнутренний2)*В=9.210 кг
Jгф=0.437 кг*м2
Угловое ускорение ε=2*π*n/60*Тс=83.7 с-2
Момент синхронизации определяется следующим образом:
Мс=Jгф*ε=36.6 Н*м
Зависимость силы синхронизации от момента синхронизации:
Принимается :
α=10° , µ=0.08 , rc=70 мм
Сила синхронизации определяется следующим образом:
Рс=Мс*1000*sin(10°)/0.08*rc=1150 Н
Проверка работоспособности синхронизатора:
=1.5 Мпа<[q]=2..4 МПа
8.2.Расчёт синхронизаторов на выходном валу.
Расчётная схема синхронизатора приведена на рисунке 10.2.
Рисунок 10.2
Сила синхронизации определяется по следующей формуле:
J1-приведённый момент инерции всех кинематически связанных с колесом деталей кпп;
М2-момент сопротивления движению машины;
J2-приведённый момент инерции машины;
8.2.1.Расчёт синхронизатора колёс 4 и 5.
J1=0.0571 кг*м2
J2=6.272 кг*м2
М2=15.7 Н*м
Pс=220 Н
Проверка работоспособности синхронизатора:
q=0.25 МПа
8.2.2.Расчёт синхронизатора колёс 6 и 9.
J1=0.0459 кг*м2
J2=6.272 кг*м2
М2=15.7 Н*м
Pс=185Н
Проверка работоспособности синхронизатора:
q=0.3 МПа
8.3.Расчёт пружин фиксаторов.
Так как во всех синхронизаторах использовано по девять фиксаторов, то, зная усилие синхронизации и раскладывая ее на нормальную и касательную составляющие к конической поверхности колпачка фиксатора, можно получить усилие поджатия пружины:
-угол наклона образующей колпачка фиксатора;
Pn=75 Н
8.4.Расчёт угла скоса в корпусах синхронизаторов.
Для того, чтобы корпус не мог повернуться и палец не перемещался до выравнивания угловых скоростей, необходимо:
, где
Для синхронизатора на входном валу:
, следовательно
Для синхронизатора на выходном валу:















