Введение в алгебру логики (1023553), страница 2
Текст из файла (страница 2)
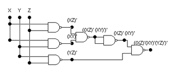
При реализации рассмотренной выше мажоритарной функции fm трех логических переменных получим схему, которая при подаче на ее входы трех сигналов сформирует на выходе сигнал, равный сигналу на большинстве входов (2 из 3 или 3 из 3). Эта схема применяется для восстановления истинного значения одного и того же сигнала, поступающего по трем разным каналам, если возникает ошибка на одном из них.
Р
ис. 1.1. Условные графические обозначения логических элементов
При схемной реализации этой функции на элементах 2И–НЕ необходимо провести следующие преобразования, используя известные формулы де-Моргана.
Для ДНФ
Для КНФ
Для ДНФ получилось более простое выражение, поэтому его и следует взять за основу. Соответствующая схемная реализация приведена на рис. 1.2.
Р
ис.1.2 Схема реализации функции мажоритарного резервирования
8. Контрольные вопросы и задания
-
Какие существуют способы представления функций алгебры логики? Как перейти от одного способа к другому?
-
Сколько можно задать различных логических функций от n переменных? Приведенную формулу докажите.
-
Запишите свойства функций И, ИЛИ, сложения по модулю 2. Как их доказать? Приведите правила де Моргана.
-
Какие методы минимизации логических функций Вам известны? Кратко изложите их суть.
-
Представьте с помощью карты Карно функцию двух, трех, четырех и пяти переменных.
-
Минимизируйте с помощью карты Карно заданную функцию.
-
Докажите, что только с помощью элементов И‑НЕ (только ИЛИ‑НЕ) можно построить любую сколь угодно сложную схему.
-
Какие сигналы нужно подавать на неиспользуемые входы элементов И, ИЛИ, И‑НЕ, ИЛИ‑НЕ, И‑ИЛИ‑НЕ?
-
Какие трудности возникают и как они преодолеваются, если элементы логического базиса имеют ограничение по числу входов? По нагрузочной способности?
-
Какие этапы можно выделить при проектировании логических схем?
-
Синтезируйте в заданном логическом базисе заданную логическую функцию.
-
Что такое частично определенные логические функции? Где они используются? Какой вариант доопределения считается лучшим?















