bzhd_lr (1023159), страница 2
Текст из файла (страница 2)
- 2 Вт*ч/м2 (200 мкВт*ч/см2) – для всех случаев облучения от вращающихся и сканирующих антенн;
- 20 Вт*ч/м2 (2000 мкВт*ч/см2) – для случаев облучения от вращающихся антенн с частотой вращения или сканирования не более 1 Гц и скважностью не менее 50.
Max значение ППЭпд: ППЭпдmax ≤1000 мкВт*ч/см2
В свободном пространстве, без учета влияния земли и посторонних предметов на распространение ЭМП, энергетическая нагрузка при облучении может быть определена по формуле:
ЭН=ППМ*Т=Ризл*G*T/4πr2*L≤ ЭНпд, где
Ризл – мощность, излучаемая антенной, Вт;
G – коэффициент направления действия антенны
Т – время облучения, ч
r – расстояние от антенны до излучающего объекта, м
L – коэффициент ослабления ЭМП на пути распространения (например, экранами)
Принципы защиты от ЭМП
-
Защита снижением мощности Ризл, излучаемой в эфир.
-
Защита соответствующей ориентацией оси главного главного лепестка диафрагмы направленности антенны относительно направления на рабочие места.
-
Защита ограничением времени Т пребывания людей в зоне с повышенной энергетической нагрузкой.
-
Защита увеличением расстояния r от антенны до рабочих мест.
-
Защита увеличением коэффициента ослабления ЭМП L на пути между антенной и рабочими местами путем установк отражающих и поглощающих экранов.
Опыт №1
| Параметры | Расстояние от излучателя до точки измерения, см | |||||||
| 5 | 10 | 20 | 30 | 40 | 50 | 60 | 70 | |
| Р изм,мВт |
|
|
|
|
|
|
|
|
| σ изм,мВт/см |
|
|
|
|
|
|
|
|
| σ расч,мВт/см |
|
|
|
|
|
|
|
|
σизм=Ризм/S, где
Ризм- показания измерителя мощности
S-эффективная площадь раскрытия антенны (40,5см2)
σрасч=P*G/4πx2
Р-10мВт излучаемая мощность
x- расстояние от излучателя до точки измерения, см
G- 30 коэффициент направленности излучения
Лабораторная работа №3
Исследование электроопасности трехфазных сетей.
Цель работы
Изучить используемые в промышленности трехфазные схемы питания потребителей. Ознакомится с возможными вариантами однофазных включений человека в электрическую сеть и методикой оценки опасности таких включений. Изучить критерии электробезопасности.
Сведения из теории
Для питания электропотребителей используется два вида трехфазных сетей : а) с изолированной от земли нейтралью источника питания; б) с заземленной нейтралью.
Опасность поражения человека при однофазном прикосновении в сети с изолированной нейтралью обусловлена распределенными по длине линии параметрами - активной (gиз) и емкостной (b) проводимостями проводов относительно земли.
gиз=1/Rиз b=w*Cф
где -- сопротивление изоляции фазного провода относительно земли, Ом.
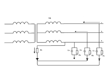
Ток через человека с сопротивлением R замыкается по этим проводимостям на источник питания с фазным напряжением U (рис 1а)
Рис 1 Схемы прохождения токов однофазного прикосновения в трехфазных сетях с изолированной ( а ) и заземленной ( б ) нейтрального источника питания.
В сети с заземленной нетралью ток через человека протекает по цепи, создаваемо в основном сопротивлением рабочего заземлителя Ro.
Для расчета тока через человека Ih используются следущие формулы:
1. В сети с изолированной нейтралью в симметричном режиме, когда сопртивления изоляци и емкости всех трех фаз относительно земли одинаковы
где Rиз - сопротивление изоляции фазного провода относительно земли, Ом;
Rч - сопротивление человека, Ом
Сф - емкость фазного провода относительно земли, Ф
w - частота сети рад/c.
2. В сети с изолированной нейтралью в нессиметричном режиме при прикосновении к фазе а
где ga gb gc проводимости изоляции фаз, См
gh - проводимость тела человека См
3. В сети с заземленной нейтралью
Правила устройства электроустановок ограничивают значение Rо. В сети напряжением 380/220 В Rо = 4 Ом, и им в формуле моно пренебреч (Rh>>Ro)
Тогда
Для оценки опасности полученных в результате расчетов значений тока Ih необходимо воспользоватся критериями электробезопасности, которые установлены ГОСТ 12.1.038-82.
1. Предельно допустимые уровни напряжений прикосноввения, Uпр , В;
2.Предельно допустимые уровни токов через человека Ih, мА;
3. Длительность протекания тока чрез человека tлоп C.
3. ОПИСАНИЕ ЛАБОРАТОРНОГО СТЕНДА
Для проведения лабораторной работы используется стенд налицевой панели
которго изображена принципиальная схема и выведены органы управления. Фазное напряжение Uф = 220 В.
Стенд моделирует два основных выарианта однофазного прикосновения .
Параметры схем могут быть заданы с помощью переключателей выведенных на лицевую панель.
Переключатели Rа, Rb, Rc, Ca, Cb, Cc, изменяют значения сопротивлений изоляции и емкостей фаз соответсвенно.
Переключатель Rh определяет величину сопротивления имитирующего тело человека.
Тумблер Замыкание, переведенный в положение вверх имитирует пробой фазы на корпус электроустановки и одновреммено, касание человека к этому корпусу, формируя тем самым режим однофазного прикосновения.
Перевод тумблера вниз размыкает цепь тока однофазного прикосновения.
Тумблер Ro задает режим нейтрали сети. При положении тумблера вверх нейтраль сети заземлена через сопротивление рабочего заземления, равное 4 Ом. При отключении тумблера Ro сеть имеет изолированную нейтраль.
Кнопка Сеть подает питание на моделируемый участок сети.
4. ПОРЯДОК ВЫПОЛНЕНИЯ РАБОТЫ.
Опыт 1. Сеть с изолированной нейтралью в симметричном режиме.
Расчитать по формулам токи Ih(Rиз) при Cф = 0 и Ih(Cф) при Rиз = . Исходные данные для расчета взять из таблиц 1 и 2, а результаты занести в эти же таблицы.
Изменения Rиз, снять экспериментальную зависимость Ih(Rиз) при Cф = 0. Результаты занести в таблицу 1.
Установить значение Rиз стремящееся к бесконечности. Изменяя величину Сф, снять экспериментальную зависимость Ih(Cф). Результаты занести в таблицу 2.
Таблица 1
| Cф, мкФ | 0 | ||||
| Rиз, кОм | 1 | 2 | 5 | 10 | 400 |
| Ih эксп,мА | 130 | 105 | 60 | 40 | 0 |
| Ihрасч,мА | 165 | 132 | 83 | 51 | 2 |
Таблица 2
Опыт 2. Сеть с изолированной нейтралью в несимметричном режиме.
Таблица 3
| Ra | Rb | Rc | Ih эксп | Ih расч |
| R1 | R2 | R3 | 95 | 117 |
| R3 | R1 | R2 | 105 | 56 |
| R2 | R3 | R1 | 98 |
Значения сопротивлений R1,R2,R3 задаются преподавателем. Емкость фаз относительно земли Сф =0.
Зная эти величины, рассчитать по формуле (4) токи однофазного прикосновения в несимметричном режиме. При этом сопротивлениям Ra, Rb, Rc поочередно присваивается значения R1, R2, R3 с помощью переключателей Ra, Rb, Rc.
В соответствии со строками таблицы 3 измерить токи однофазного прикосновения в несимметричном режиме. Результаты занести в таблицу 3. R1, R2, R3 задаются преподавателем.
















