Бланк ЛР (1022020)
Текст из файла
ЖУРНАЛ
ЛАБОРАТОРНЫХ РАБОТ ПО
ЭЛЕКТРОТЕХНИКЕ
(работы №№ 1, 2, 3, 4, 6, 7)
Лаборатория №333
Студент _______________________
Группа ____________
Курс ______
Выполнено _______________ Сдано _______________
ЛАБОРАТОРНАЯ РАБОТА №1
ИССЛЕДОВАНИЕ ЛИНЕЙНОЙ ЦЕПИ ПОСТОЯННОГО ТОКА
Измерительные приборы
Таблица 1.1.
| Наименование прибора | Предел измерения | Цена деления |
ОПЫТ 1
Исследование последовательного соединения резисторов
Электрическая схема опыта
Экспериментальные данные
Таблица 1.2.
| Опыт | Расчет | ||||||||||||
| I, | U, | U1, B | U2, B | U3, B | P, | R1, Oм | R2, Oм | R3, Oм | Rэк, Oм | Р1, Вт | Р2, Вт | Р3, Вт | Р, |
Расчетные формулы:
ОПЫТ 2
Исследование параллельного соединения резисторов
Электрическая схема опыта
Экспериментальные данные
Таблица 1.3.
| Опыт | Расчет | |||||||||||
| U, | I, | I1, | I2, | I3, | G1, | G2, | G3, | Gэк, | Р1, | Р2, | Р3, | Р, |
Расчетные формулы:
ОПЫТ 3
Снятие вольт-амперных характеристик ламп накаливания и оценка класса точности приборов
Электрическая схема опыта
Экспериментальные данные
Таблица 1.4.
| U, В | 50 | 100 | 150 | 200 | 50 | 100 | 150 | 200 |
| I, А | ||||||||
| R, Ом |
Эталонная вольт-амперная характеристика лампы накаливания
График зависимости U=f(I)
Выводы по работе: _______________________________________________________
________________________________________________________________________
________________________________________________________________________
Выполнено _______________ Сдано _______________
ЛАБОРАТОРНАЯ РАБОТА №2
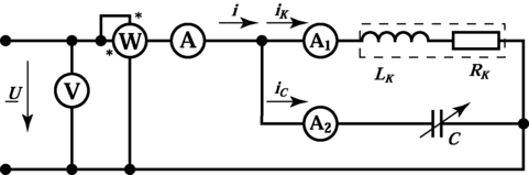
ИССЛЕДОВАНИЕ НЕРАЗВЕТВЛЕННОЙ ЦЕПИ ОДНОФАЗНОГО СИНУСОИДАЛЬНОГО ТОКА ПРИ ПОСЛЕДОВАТЕЛЬНОМ СОЕДИНЕНИИ ЭЛЕМЕНТОВ R, L И C
Электрическая схема опыта
Результаты измерений и вычислений
Таблица 2.1.
| № пп. | С, | Измерено | Вычислено | |||||||
| U, В | I, А | P, Вт | UK, В | UC, В | Z, Ом | XC, Ом | cos | | ||
| 1. | ||||||||||
| 2. | ||||||||||
| 3. | ||||||||||
| 4. | ||||||||||
| 5. | ||||||||||
Расчетные формулы
По результатам измерений для режима, близкого к резонансному,
рассчитать параметры ветви с катушкой:
Таблица 2.2.
| ZK, Ом | RK, Ом | XK, Ом | LK, Гн | cos K | K |
Расчетные формулы
Построить по результатам опытов графики зависимомтей I, UL, UC, cos от
изменения емкости С.
Построить векторные диаграммы.
Выводы по работе: ____________________________________________________
____________________________________________________________________
____________________________________________________________________
Выполнено _______________ Сдано _______________
ЛАБОРАТОРНАЯ РАБОТА №3
ИССЛЕДОВАНИЕ РАЗВЕТВЛЕННОЙ ЦЕПИ ОДНОФАЗНОГО СИНУСОИДАЛЬНОГО ТОКА ПРИ ПАРАЛЛЕЛЬНОМ СОЕДИНЕНИИ ВЕТВЕЙ С ЭЛЕМЕНТАМИ R, L И C
Электрическая схема опыта
Результаты измерений и вычислений
Таблица 3.1.
| № пп. | С, | Измерено | Вычислено | |||||||
| U, В | I, А | P, Вт | IK, А | IC, А | Y, См | ВС, См | cos | | ||
| 1. | ||||||||||
| 2. | ||||||||||
| 3. | ||||||||||
| 4. | ||||||||||
| 5. | ||||||||||
По результатам измерений для режима, близкого к резонансному,
рассчитать параметры ветви с катушкой:
Таблица 3.2.
| YK, См | GK, См | BK, См | RK, Ом | cos K | K |
Расчетные формулы:
Графики зависимости I, Iк, Ic, cos от емкости C
Векторные диаграммы.
Выводы по работе: _______________________________________________________
________________________________________________________________________
________________________________________________________________________
Выполнено _______________ Сдано _______________
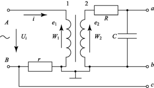
ЛАБОРАТОРНАЯ РАБОТА №4
свойства магнитных цепей электротехнических устройств
Электрическая схема опыта
| W1 – исследуемая катушка с магнитопроводом; W2 – вспомогательная обмотка; RC – интегрирующая цепь; r – малое сопротивление. |
Порядок построения
Снять с помощью осциллографа кривые
и
.
Определить угол сдвига фаз δ между i и Ф (δ – угол магнитного запаздывания)
________________________________________________________________ t
Снять с помощью осциллографа петлю гистерезиса и в соответствии с приведенным выше порядком построения построить кривую
, кривую
и определить δ.
Выполнено _______________ Сдано _______________
ЛАБОРАТОРНАЯ РАБОТА №6
Испытание однофазного трансформатора
Паспортные данные трансформатора:
SH=250ВА, U1H=220В, U2H=24В, f=50Гц, I1H=1,15А, I2H=10А
Опыт №1 «Холостой ход»
Электрическая схема опыта
Таблица 6.1.
| Измеренные величины | Вычисленные величины | ||||||
| U10=Uн,В | I10, А | P0, Вт | U20, В | К | Z12, Ом | R12, Ом | X12, Ом |
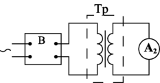
Опыт №2 «Короткое замыкание»
Электрическая схема опыта
Таблица 6.2.
| Измеренные величины | Вычисленные величины | ||||||||
| U1K, В | I1=I1н, А | Pк, Вт | I2=I2н, А | Zк, Ом | RК, Ом | XK, Ом | UK, % | UKА, % | UKP, % |
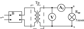
Опыт №3 «Испытание трансформатора под нагрузкой»
Электрическая схема опыта
Таблица 6.3.
| № | Измеренные величины | Вычисленные величины | |||||
| U1, В | I1, А | P1, Вт | U2, В | I2, А | P2, Вт | η, % | |
| 1 | |||||||
| 2 | |||||||
| 3 | |||||||
| 4 | |||||||
| 5 | |||||||
Выводы по работе: _______________________________________________________
________________________________________________________________________
Выполнено _______________ Сдано _______________
ЛАБОРАТОРНАЯ РАБОТА №7
ИССЛЕДОВАНИЕ трехфазного асинхронного двигателя с короткозамкнутым ротором, тормозящий момент на валу которого создаЕт генератор постоянного тока
Электрическая схема опыта
Характеристики
Тип файла документ
Документы такого типа открываются такими программами, как Microsoft Office Word на компьютерах Windows, Apple Pages на компьютерах Mac, Open Office - бесплатная альтернатива на различных платформах, в том числе Linux. Наиболее простым и современным решением будут Google документы, так как открываются онлайн без скачивания прямо в браузере на любой платформе. Существуют российские качественные аналоги, например от Яндекса.
Будьте внимательны на мобильных устройствах, так как там используются упрощённый функционал даже в официальном приложении от Microsoft, поэтому для просмотра скачивайте PDF-версию. А если нужно редактировать файл, то используйте оригинальный файл.
Файлы такого типа обычно разбиты на страницы, а текст может быть форматированным (жирный, курсив, выбор шрифта, таблицы и т.п.), а также в него можно добавлять изображения. Формат идеально подходит для рефератов, докладов и РПЗ курсовых проектов, которые необходимо распечатать. Кстати перед печатью также сохраняйте файл в PDF, так как принтер может начудить со шрифтами.
















