отчет по ИВТ (Счётчик) (1017081), страница 2
Текст из файла (страница 2)
2. Строим 2-ую таблицу в соответствии с модулем и шагом.
| Q3 | Q2 | Q1 | Q0 | |
| 0 | 0 | 1 | 1 | 1 |
| 1 | 1 | 0 | 0 | 0 |
| 2 | 1 | 0 | 0 | 1 |
| 3 | 1 | 0 | 1 | 0 |
| 4 | 1 | 0 | 1 | 1 |
| 5 | 0 | 0 | 0 | 0 |
| 6 | 0 | 0 | 0 | 1 |
Замечание:
Оставшиеся пустые строчки во 2-ой таблице мы помечаем * (звездочками)
3. Строим 3-ю таблицу, сравнивая значения 1-ой и 2-ой таблицы в соответствии с правилом:
Если 1 и 1 => 0
Если 1 и 0 или 0 и 1 => 1
| T3 | T2 | T1 | T0 | |
| 0 | 0 | 1 | 1 | 1 |
| 1 | 1 | 0 | 0 | 1 |
| 2 | 1 | 0 | 1 | 1 |
| 3 | 1 | 0 | 0 | 1 |
| 4 | 1 | 1 | 1 | 1 |
| 5 | 0 | 1 | 0 | 1 |
| 6 | 0 | 1 | 1 | 1 |
Вычисления
-
Выписываем строчки из первой таблицы, которые соответствуют единицам функции
из третьей таблицы. Сразу упорядочим строки по количеству единиц.
0001 0001
0010 0010
0011 0100
0100 1000
1000 0011
1001 1001
1010 1010
1011 1100
1100 1011
1101 1101
1110 1110
1111 1111
-
Произведем первое объединение строк каждых предыдущих и последующих групп. После объединения, упорядочим строки по положению «Х».
00Х1 001Х
Х001 100Х
001Х 101Х
Х010 110Х
Х100 111Х
100Х 00Х1
10Х0 10Х0
1Х00 10Х1
Х011 11Х0
10Х1 11Х1
1Х01 1Х00
101Х 1Х01
1Х10 1Х10
110Х 1Х11
11Х0 Х001
1Х11 Х010
11Х1 Х100
111Х Х011
-
Произведем второе объединение строк и вычеркнем повторяющиеся, оставив лишь одну.
Х01Х Х01Х
10ХХ 10ХХ
1Х0Х 1Х0Х
1Х1Х 1Х1Х
11ХХ 11ХХ
Х0Х1 Х0Х1
10ХХ 1ХХ0
1ХХ0 1ХХ1
1ХХ1 Х100
11ХХ
1Х0Х
1ХХ0
1ХХ1
1Х1Х
Х0Х1
Х01Х
Х100
-
Произведем третье объединение строк и, опять же, вычеркнем повторяющиеся, оставив лишь одну.
Х01Х
Х100
1ХХХ
Х0Х1
Итоговая функция:
-
Теперь, произведем те же действия по данному алгоритму для функций:
.
-
0000 0000 2) 0Х00 010Х 3) 01ХХ 01ХХ
0100 0100 010Х 011Х Х10Х Х10Х
0101 0101 01Х0 101Х Х11Х Х11Х
0110 0110 Х100 110Х 1Х1Х 1Х1Х
0111 1001 01Х1 111Х 11ХХ 11ХХ
1001 1010 Х101 01Х0 01ХХ Х1Х0
1010 1100 011Х 01Х1 Х1Х0 Х1Х1
1011 0111 Х110 10Х1 Х1Х1 1ХХ1
1100 1011 10Х1 11Х0 1ХХ1 0Х00
1101 1101 1Х01 11Х1 11ХХ
1110 1110 101Х 0Х00 1ХХ1
1111 1111 1Х10 1Х01 1Х1Х
110Х 1Х10 0Х00
11Х0 1Х11 Х10Х
Х111 Х100 Х1Х0
1Х11 Х101 Х1Х1
11Х1 Х110 Х11Х
111Х Х111
4) Х1ХХ Х1ХХ
Х1ХХ 1Х1Х
1Х1Х 1ХХ1
Х1ХХ 0Х00
1ХХ1
0Х00
-
0000 0000 2) 00Х0 110Х 3) 11ХХ 11ХХ
0010 0010 0Х00 111Х 0ХХ0 0ХХ0
0100 0100 Х000 00Х0 Х0Х0 Х0Х0
0110 1000 0Х10 01Х0 Х1Х0 Х1Х0
1000 0110 Х010 10Х0 1ХХ0 1ХХ0
1010 1010 01Х0 11Х0 11ХХ ХХ00
1100 1100 Х100 11Х1 0ХХ0 ХХ10
1101 1101 10Х0 0Х00 ХХ00
1110 1110 1Х00 0Х10 ХХ10
1111 1111 Х110 1Х00 1ХХ0
1Х10 1Х10 Х0Х0
110Х Х000 ХХ00
11Х0 Х010 ХХ10
11Х1 Х100 Х1Х0
111Х Х110
4) ХХХ0 ХХХ0
ХХХ0 11ХХ
ХХХ0
11ХХ
-
0000 0000 2) 000Х 000Х 3) 00ХХ ХХ10
0001 0001 00ХО 001Х 0Х0Х Х10Х
0010 0010 0Х00 010Х Х00Х Х1Х0
0011 0100 Х000 100Х 0Х1Х ХХ11
0100 1000 00Х1 011Х Х01Х Х1Х1
0101 0011 0Х01 101Х 01ХХ Х11Х
0110 0101 Х001 110Х Х10Х
0111 0110 001Х 111Х 10ХХ
1000 1001 0Х10 00Х0 1Х0Х
1001 1010 Х010 00Х1 Х11Х
1010 1100 010Х 01Х0 1Х1Х
1011 0111 01Х0 10Х0 11ХХ
1100 1011 Х100 01Х1 00ХХ
1101 1101 100Х 10Х1 0ХХ0
1110 1110 10Х0 11Х0 Х0Х0
1111 1111 1Х00 11Х1 0ХХ1
0Х11 0Х00 Х0Х1
Х011 0Х01 01ХХ
01Х1 0Х10 Х1Х0
Х101 1Х00 10ХХ
011Х 0Х11 1ХХ0
Х110 1Х01 Х1Х1
10Х1 1Х10 1ХХ1
1Х01 1Х11 11ХХ
101Х Х000 0Х0Х
1Х10 Х010 0ХХ0
110Х Х100 ХХ00
11Х0 Х011 0ХХ1
Х111 Х101 ХХ01
1Х11 Х110 0Х1Х
11Х1 Х111 ХХ10
111Х 1Х0Х
1ХХ0
ХХ11
1ХХ1
1Х1Х
Х0Х0
ХХ00
Х01Х
4) 00ХХ Х0ХХ 5) Х0ХХ
10ХХ 1ХХХ 1ХХХ
11ХХ 0ХХХ 0ХХХ
0Х0Х ХХ0Х ХХ0Х
0Х1Х ХХ1Х ХХ1Х
1Х0Х 1ХХХ Х1ХХ
1Х1Х Х0ХХ ХХХ0
Х00Х ХХ0Х ХХХ1
Х01Х ХХ1Х
Х10Х Х1ХХ
Х11Х 0ХХХ
0ХХ0 ХХХ0
0ХХ1 ХХХ1
1ХХ0 1ХХХ
1ХХ1 Х0ХХ
Х0Х0 ХХХ0
Х0Х1 ХХХ1
Х1Х1 Х1ХХ
Х1Х0 ХХХ0
ХХ00 ХХ1Х
ХХ10
ХХ11
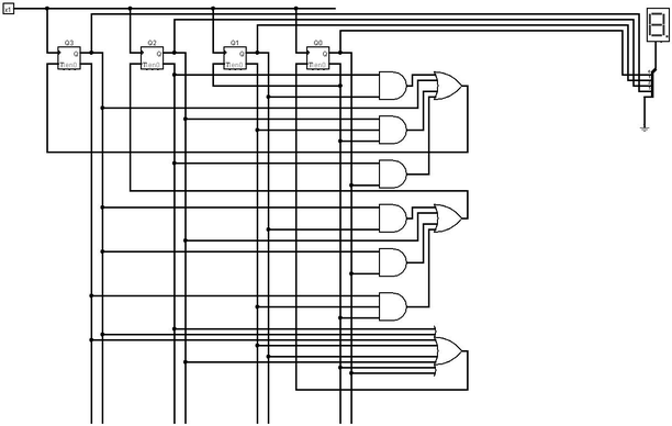
О
кончание. Схема работающего счетчика.
из третьей таблицы. Сразу упорядочим строки по количеству единиц.
.















