rpd000016297 (1011100), страница 3
Текст из файла (страница 3)
Описание: Принципиальные схемы двигательных установок КА РБ. ОСобенности систем питания.
-
Практические занятия
1.2.1. Физические условия космического полета (АЗ: 2, СРС: 1)
Форма организации: Практическое занятие
Описание: Влияние физических условий полета на конструкции и траектории КА.
1.3.1. Основные системы ЛА (АЗ: 2, СРС: 1)
Форма организации: Практическое занятие
Описание: Основы устройства и основные системы космических аппаратов и разгонных блоков. Назначение и состав основных бортовых систем
1.3.2. Понятие о компоновке ЛА и РБ (АЗ: 4, СРС: 2)
Форма организации: Практическое занятие
Описание: Определение конструктивно-компоновочной схемы КА и РБ. Факторы, определяющие ККС КА и РБ. Влияние типа применяемой ДУ на ККС КА и РБ.
1.3.3. Системы энергопитания (АЗ: 4, СРС: 2)
Форма организации: Практическое занятие
Описание: Особенности систем энергопитани и область их применения.Схемы ДУ. Системы обеспечения многократного запуска в невесомости. Особенности топливных отсеков. Управление работой ЖРД. Системы энергопитания КА и РБ. Общие принципы систем энергопитания.
1.3.4. Системы бортового радиокомплекса (АЗ: 4, СРС: 2)
Форма организации: Практическое занятие
Описание: Основные элементы систем и их характеристики. Требования к системам. Области применения систем. Система обеспечения теплового режима. Назанчение и классификация систем. Факторы космического полета и защита от них космических устройств.
1.3.5. Устройство СА (АЗ: 2, СРС: 1)
Форма организации: Практическое занятие
Описание: Устройство и конструктивные особенности СА.
2.2.1. Изучение конструкции и функционального назначения основных систем пилотируемого орбитального ЛА. (АЗ: 4, СРС: 2)
Форма организации: Практическое занятие
Описание: Изучение конструкции и функционального назначения основных систем пилотируемого орбитального КА.
2.2.2. Изучение конструкции и функционального назначения основных систем разгонного блока (АЗ: 4, СРС: 2)
Форма организации: Практическое занятие
Описание: Изучение конструкции и функционального назначения основных систем РБ
2.2.3. Основы теории ракетного движения (АЗ: 2, СРС: 1)
Форма организации: Практическое занятие
Описание: Условие эксплуатации и воздействия окружающей среды на конструкцию ракеты.
2.2.4. Общие сведения о структурных схемах и сотаве бортовых систем РТС (АЗ: 4, СРС: 2)
Форма организации: Практическое занятие
Описание: Сравнительный анализ конструктивно-компоновочной схемы современных РТС с различными типами двигательных установок. Двигательные установки РТС.
2.2.5. Ракетный блок с ЖРД (АЗ: 4, СРС: 2)
Форма организации: Практическое занятие
Описание: Основные элементы и особенности компоновки ракетного блока с ЖРД
-
Лабораторные работы
1.3.1. Изучение конструкции и функционального назначения основных систем разгонного блока (АЗ: 4, СРС: 3)
Форма организации: Лабораторная работа
Прикрепленные файлы: МР Устройство изделия Л9.doc
Описание: Основные системы и характеристики КА и РБ
1.3.2. Изучение конструкции и функционального назначения основных систем пилотируемых орбитальных ЛА (АЗ: 4, СРС: 4)
Форма организации: Лабораторная работа
Прикрепленные файлы: МР Устройство изделия Л9.doc
Описание: Основные конструкционные элементы и системы КА.
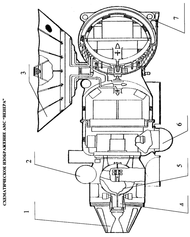
1.3.3. Изучение конструкции и функционального назначения основных систем межпланетного ЛА (АЗ: 4, СРС: 3)
Форма организации: Лабораторная работа
Прикрепленные файлы: МР Устройство изделия В.doc
Описание: Межпланетные автоматические станции.
1.3.4. Изучение конструкции и функционального назначения основных систем межпланетного ЛА (АЗ: 4, СРС: 4)
Форма организации: Лабораторная работа
Прикрепленные файлы: МР Устройство изделия М.doc
Описание: Межпланетные космические станции
2.1.1. Изучение конструкци и функционального назначения основных систем РТС, работающего по вытеснительной системе подачи (АЗ: 4, СРС: 2)
Форма организации: Лабораторная работа
Прикрепленные файлы: МР Устройство изделия 5.doc
Описание: Основные системы РТС
2.1.2. Изучение конструкции и функционального назначения основных систем второй ступени жидкостных БР (АЗ: 4, СРС: 2)
Форма организации: Лабораторная работа
Прикрепленные файлы: МР Устройство изделия Р7 (НБПискарева).doc
Описание: Системы жидкостных БР
2.1.3. Изучение конструкции и функционального назначения основных систем РТС (АЗ: 4, СРС: 2)
Форма организации: Лабораторная работа
Прикрепленные файлы: МР Устройство изделия 6.doc
2.1.4. Изучение конструкции и функционального назначения основных систем РТС с РДТТ (АЗ: 4, СРС: 2)
Форма организации: Лабораторная работа
Прикрепленные файлы: МР Устройство изделия 9.doc
Описание: Основные системы на основе ракетных двигателей твердого топлива
-
Типовые задания
Приложение 3
к рабочей программе дисциплины
«Основы устройства ракет »
Прикрепленные файлы
МР Устройство изделия Л9.doc
МИНИСТЕРСТВО ОБРАЗОВАНИЯ И НАУКИ РОССИЙСКОЙ ФЕДЕРАЦИИ
МОСКОВСКИЙ АВИАЦИОННЫЙ ИНСТИТУТ
(НАЦИОНАЛЬНЫЙ ИССЛЕДОВАТЕЛЬСКИЙ УНИВЕРСИТЕТ)
Кафедра 601 «Космические системы и ракетостроение»
Методические рекомендации
по выполнению лабораторной работы
«Устройство изделия "Л9"»
Составлено: Малышев Г.В..
Составлено: Зернов В.И.
Утверждено на заседании кафедры 601
13 февраля 2014 г.
(дата)
Зав. кафедрой ___________ Алифанов О.М.
(подпись)
Москва
2014
МР Устройство изделия В.doc
МИНИСТЕРСТВО ОБРАЗОВАНИЯ И НАУКИ РОССИЙСКОЙ ФЕДЕРАЦИИ
МОСКОВСКИЙ АВИАЦИОННЫЙ ИНСТИТУТ
(НАЦИОНАЛЬНЫЙ ИССЛЕДОВАТЕЛЬСКИЙ УНИВЕРСИТЕТ)
Кафедра 601 «Космические системы и ракетостроение»
Методические рекомендации
по выполнению лабораторной работы
Составлено: Малышев Г.В..
Составлено: Зернов В.И.
Утверждено на заседании кафедры 601
13 февраля 2014 г.
(дата)
Зав. кафедрой ___________ Алифанов О.М.
(подпись)
Москва
2014
МР Устройство изделия М.doc
МИНИСТЕРСТВО ОБРАЗОВАНИЯ И НАУКИ РОССИЙСКОЙ ФЕДЕРАЦИИ
МОСКОВСКИЙ АВИАЦИОННЫЙ ИНСТИТУТ
(НАЦИОНАЛЬНЫЙ ИССЛЕДОВАТЕЛЬСКИЙ УНИВЕРСИТЕТ)
Кафедра 601 «Космические системы и ракетостроение»
Методические рекомендации
по выполнению лабораторной работы
«Устройство изделия "М"»
Составлено: Малышев Г.В..
Составлено: Зернов В.И.
Утверждено на заседании кафедры 601
13 февраля 2014 г.
(дата)
Зав. кафедрой ___________ Алифанов О.М.
(подпись)
Москва
2014
МР Устройство изделия 9.doc
МИНИСТЕРСТВО ОБРАЗОВАНИЯ И НАУКИ РОССИЙСКОЙ ФЕДЕРАЦИИ
МОСКОВСКИЙ АВИАЦИОННЫЙ ИНСТИТУТ
(НАЦИОНАЛЬНЫЙ ИССЛЕДОВАТЕЛЬСКИЙ УНИВЕРСИТЕТ)
Кафедра 601 «Космические системы и ракетостроение»
Методические рекомендации
по выполнению лабораторной работы
Составлено: Гущин В.Н.
Составлено: Кузнецов А.А..
Составлено: Зернов В.И.
Утверждено на заседании кафедры 601
13 февраля 2014 г.
(дата)
Зав. кафедрой ___________ Алифанов О.М.
(подпись)
Москва
2014
МР Устройство изделия 5.doc
МИНИСТЕРСТВО ОБРАЗОВАНИЯ И НАУКИ РОССИЙСКОЙ ФЕДЕРАЦИИ
МОСКОВСКИЙ АВИАЦИОННЫЙ ИНСТИТУТ
(НАЦИОНАЛЬНЫЙ ИССЛЕДОВАТЕЛЬСКИЙ УНИВЕРСИТЕТ)
Кафедра 601 «Космические системы и ракетостроение»
Методические рекомендации
по выполнению лабораторной работы
«Устройство изделия 5»
Составлено: Гущин В.Н.
Составлено: Зернов В.И.
Утверждено на заседании кафедры 601
13 февраля 2014 г.
(дата)
Зав. кафедрой ___________ Алифанов О.М.
(подпись)
Москва
2014
МР Устройство изделия Р7 (НБПискарева).doc
МИНИСТЕРСТВО ОБРАЗОВАНИЯ И НАУКИ РОССИЙСКОЙ ФЕДЕРАЦИИ
МОСКОВСКИЙ АВИАЦИОННЫЙ ИНСТИТУТ
(НАЦИОНАЛЬНЫЙ ИССЛЕДОВАТЕЛЬСКИЙ УНИВЕРСИТЕТ)
Кафедра 601 «Космические системы и ракетостроение»
Методические рекомендации
по выполнению лабораторной работы
«Устройство изделия 7»
Составлено: Пискарева Н.Б.
Составлено: Михайлов Ю.В.
Составлено: Перелыгин Б.П.
Составлено: Паничкин Н.И.
Утверждено на заседании кафедры 601
13 февраля 2014 г.
(дата)
Зав. кафедрой ___________ Алифанов О.М.
(подпись)
Москва
2014
МР Устройство изделия 6.doc
МИНИСТЕРСТВО ОБРАЗОВАНИЯ И НАУКИ РОССИЙСКОЙ ФЕДЕРАЦИИ
МОСКОВСКИЙ АВИАЦИОННЫЙ ИНСТИТУТ
(НАЦИОНАЛЬНЫЙ ИССЛЕДОВАТЕЛЬСКИЙ УНИВЕРСИТЕТ)
Кафедра 601 «Космические системы и ракетостроение»
Методические рекомендации
по выполнению лабораторной работы
«Устройство изделия 6»
Составлено: Гущин В.Н.
Составлено: Зернов В.И.
Утверждено на заседании кафедры 601
13 февраля 2014 г.
(дата)
Зав. кафедрой ___________ Алифанов О.М.
(подпись)
Москва
2014
















