rpd000007660 (1011086), страница 7
Текст из файла (страница 7)
| ВАРИАНТ 21 | ОТВЕТЫ | |||
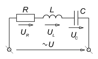
| 1 | Какое из приведенных соотношений для цепи синусоидального переменного тока содержит ошибку? | 1. 1 | ||
| 2. 2 | ||||
| 3. 3 | ||||
| 4. 4 | ||||
| 2 | Какое значение напряжения измеряет вольтметр электромагнитной системы? 1 – мгновенное; 2 – действующее; 3 – среднее; 4 – амплитудное. | 1. 1 | ||
| 2. 2 | ||||
| 3. 3 | ||||
| 4. 4 | ||||
| 5. Другое | ||||
| 3 | Указать векторную диаграмму для последовательного соединения R, L, C при XC = XL. | 1. 1 | ||
| 2. 2 | ||||
| 3. 3 | ||||
| 4. 4 | ||||
| 5. Другое | ||||
| 4 | Определить напряжение UL, если: UR =30 В, UC = 20 В, U = 50 В, XL > XC. | 1. 90 В | ||
| 2. 80 В | ||||
| 3. 110 В | ||||
| 4. 60 В | ||||
| 5. Другое | ||||
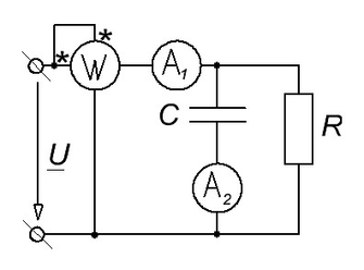
| 5 | Определить величины сопротивлений R и XC, если приборы показывают: P = 80 Вт, I1 =5 А, I2 = 3 А. | 1. 6 Ом 8 Ом | ||
| 2. 5 Ом 6,7 Ом | ||||
| 3. 6,7 Ом 5 Ом | ||||
| 4. 8 Ом 6 Ом | ||||
| 5. Другое | ||||
| ВАРИАНТ 22 | ОТВЕТЫ | |||
| 1 | Укажите формулу расчета активной мощности цепи синусоидального переменного тока. 1 – u∙i 2 – U∙I 3 – U∙I∙cos φ 4 – U∙I∙sin φ | 1. 1 | ||
| 2. 2 | ||||
| 3. 3 | ||||
| 4. 4 | ||||
| 5. Другое | ||||
| 2 | Как расположен на векторной диаграмме при резонансе напряжений вектор напряжения на емкости относительно вектора тока? 1 – совпадает с I 2 – отстает от I на π/2 3 – опережает I на π/2 4 – опережает от I на π/4 | 1. 1 | ||
| 2. 2 | ||||
| 3. 3 | ||||
| 4. 4 | ||||
| 5. Другое | ||||
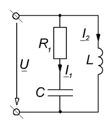
| 3 | Определить величину тока при последовательном соединении катушки индуктивности и идеального конденсатора, если: U = 120 В, XL = XC = RK = 24 Ом. | 1. 12 А | ||
| 2. 10 А | ||||
| 3. 6 А | ||||
| 4. 5 А | ||||
| 5. Другое | ||||
| 4 | Укажите на диаграмме, построенной для цепи с параллельным соединением катушки и идеального конденсатора, вектор тока в ветви с емкостью. | 1. 1 | ||
| 2. 2 | ||||
| 3. 3 | ||||
| 4. 4 | ||||
| 5. 5 | ||||
| 5 | Какая векторная диаграмма соответствует схеме: | 1. 1 | ||
| 2. 2 | ||||
| 3. 3 | ||||
| 4. 4 | ||||
| ВАРИАНТ 23 | ОТВЕТЫ | |||
| 1 | Укажите формулу расчета мгновенной мощности цепи синусоидального переменного тока. 1 – u∙i 2 – U∙I 3 – U∙I∙cos φ 4 – U∙I∙sin φ | 1. 1 | ||
| 2. 2 | ||||
| 3. 3 | ||||
| 4. 4 | ||||
| 5. Другое | ||||
| 2 | Как расположен на векторной диаграмме при резонансе напряжений вектор подводимого напряжения относительно вектора тока? 1 – совпадает с I 2 – отстает от I на π/2 3 – опережает I на π/2 4 – опережает от I на π/4 | 1. 1 | ||
| 2. 2 | ||||
| 3. 3 | ||||
| 4. 4 | ||||
| 5. Другое | ||||
| 3 | Определить величину тока при последовательном соединении катушки индуктивности и идеального конденсатора, если: U = 120 В, XL = XC = RK = 10 Ом. | 1. 12 А | ||
| 2. 10 А | ||||
| 3. 6 А | ||||
| 4. 5 А | ||||
| 5. Другое | ||||
| 4 | Какая векторная диаграмма соответствует схеме: | 1. 1 | ||
| 2. 2 | ||||
| 3. 3 | ||||
| 4. 4 | ||||
| 5 | Укажите на диаграмме, построенной для цепи с параллельным соединением катушки и идеального конденсатора, вектор тока в неразветвленной части цепи. | 1. 1 | ||
| 2. 2 | ||||
| 3. 3 | ||||
| 4. 4 | ||||
| 5. 5 | ||||
| ВАРИАНТ 24 | ОТВЕТЫ | ||
| 1 | По какой формуле рассчитывается сопротивление цепи при резонансе токов? | 1. 1 | |
| 2. 2 | |||
| 3. 3 | |||
| 4. 4 | |||
| 5. Другое | |||
| 2 | Как изменится напряжение на конденсаторе в режиме резонанса при последовательном соединении катушки и конденсатора, если увеличить активное сопротивление катушки в два раза? 1 – не изменится 2 – уменьшится в два раза 3 – уменьшится в четыре раза 4 – увеличится в два раза | 1. 1 | |
| 2. 2 | |||
| 3. 3 | |||
| 4. 4 | |||
| 5. Другое | |||
| 3 | Укажите условие, при котором реактивная мощность катушки больше реактивной мощности конденсатора при последовательном соединении катушки и конденсатора: 1 – R < XC 2 – R > XL 3 – XL > XC 4 – XC > XL | 1. 1 | |
| 2. 2 | |||
| 3. 3 | |||
| 4. 4 | |||
| 5. Другое | |||
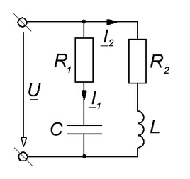
| 4 | Определить ток в емкости при параллельном соединении резистора и конденсатора, если ток в резисторе 6 мА, а в неразветвленной части цепи 10 мА. | 1. 4 мА | |
| 2. 16 мА | |||
| 3. 8 мА | |||
| 4. 15 мА | |||
| 5. Другое | |||
| 5 | Укажите векторную диаграмму цепи с параллельным соединением катушки и идеального конденсатора при BC < G < BL. | 1. 1 | |
| 2. 2 | |||
| 3. 3 | |||
| 4. 4 | |||
| 5. Другое | |||
| ВАРИАНТ 25 | ОТВЕТЫ | |||||
| 1 | Запишите закон изменения i, если: u = 120 sin (3140·t + 150), R = 8 Ом, L = 3,18 мГн, C = 79,5 мкФ. | 1. | ||||
| 2. | ||||||
| 3. | ||||||
| 4. | ||||||
| 5. Другое | ||||||
| 2 | Определите сопротивление R/ и XL/ эквивалентной цепи, если R = 4 Ом, XL =3 Ом. | 1. 6,25 Ом 8,33 Ом | ||||
| 2. 8,33 Ом 6,25 Ом | ||||||
| 3. 5,25 Ом 5,25 Ом | ||||||
| 4. 1,75 Ом 2,33 Ом | ||||||
| 5. Другое | ||||||
| 3 | Какая векторная диаграмма соответствует схеме: | 1. 1 | ||||
| 2. 2 | ||||||
| 3. 3 | ||||||
| 4. 4 | ||||||
| 5. Другое | ||||||
| 4 | Как изменится активная мощность, потребляемая цепью, если емкость С увеличится? | 1. Увели-чится | ||||
| 2. Умень-шится | ||||||
| 3. Не из-менится | ||||||
| 5 | Чему равен угол сдвига между U и I, если: R = 10 Ом, XС =17,3 Ом. | 1. 300 | ||||
| 2. – 300 | ||||||
| 3. 600 | ||||||
| 4. - 600 | ||||||
| 5. Другое | ||||||
















