раздел 3(20-40) (1004331), страница 3
Текст из файла (страница 3)
3.2.1 Расчет армирования столбов береговой опоры
Расчет армирования столбов береговой опоры производится в программе «Beton_V1.1». Данная программа осуществляет расчет бетонных и железобетонных сечений на прочность, устойчивость и трещиностойкость согласно требованиям СНиП 2.05.03-84*. Поперечное сечение рассчитываемого столба приведено на рисунке 3.6.
Рисунок 3.6 – Поперечное сечение рассчитываемого столба
Исходные данные для расчета приведены на рисунках 3.7. Результаты расчета приведены на рисунке 3.8.
Рисунок 3.7 – Исходные данные
Рисунок 3.8 – Результаты расчета
На основании результатов расчета, можно сделать вывод, что 22 стержня арматуры А400 диаметром 22 мм достаточно для обеспечения условий прочности и трещиностойкости. Расположение продольной арматуры в сечении приведено на рисунке 3.9.
Опалубочный и арматурный чертежи столба приведены на листе №5.
Рисунок 3.9 – Расположение продольной арматуры в сечении столба
3.2.2 Расчет армирования столбов промежуточной опоры
Расчет армирования столбов береговой опоры производится в программе «Beton_V1.1». Данная программа осуществляет расчет бетонных и железобетонных сечений на прочность, устойчивость и трещиностойкость согласно требованиям СНиП 2.05.03-84*. Поперечное сечение рассчитываемого столба приведено на рисунке 3.10.
Рисунок 3.10 – Поперечное сечение рассчитываемого столба
Исходные данные для расчета приведены на рисунках 3.11. Результаты расчета приведены на рисунке 3.12.
Рисунок 3.11 – Исходные данные
Рисунок 3.12 – Результаты расчета
На основании результатов расчета, можно сделать вывод, что 22 стержня арматуры А400 диаметром 22 мм достаточно для обеспечения условий прочности и трещиностойкости. Расположение продольной арматуры в сечении приведено на рисунке 3.13.
Опалубочный и арматурный чертежи столба приведены на листе №5.
Рисунок 3.13 – Расположение продольной арматуры в сечении столба
3.3 Расчет пролетного строения
В соответствии с заданием на дипломное проектирование необходимо произвести расчет железобетонного пролетного строения под нагрузку А14 Н14.
В данном дипломном проекте производятся только основные расчеты, определяющие количество арматуры в нижнем поясе: расчет на прочность, расчет на трещиностойкость.
Габарит пролетного строения Г-8 + 2х0,75. Общее число полос на мосту - 2. Ширина проезжей части - 6м, ширина полос безопасности - 1м.
Поперечное сечение пролетного строения приведено на рисунке 3.14.
Расчетные характеристики бетона и арматуры приведены в таблице 3.8
Рис. 3.14. Поперечное сечение пролетного строения.
Таблица 3.8–Расчетные характеристики бетона и арматуры.
| Вид сопротивления | Бетон В40 | Арматура В1400 | ||
| Условное обозначе-ние | Расчетная характерис-тика, МПа | Условное обозначе-ние | Расчетная характерис- тика, МПа | |
| При расчетах по предельным состояниям первой группы | ||||
| Сжатие осевое (призменная прочность) | Rb | 20 | - | - |
| Растяжение осевое | Rbt | 1,25 | Rp | 1055 |
| При расчетах по предельным состояниям второй группы | ||||
| Растяжение осевое | Rbt, ser | 2,1 | Rp, ser | 1335 |
| Сжатие осевое (призменная прочность) для расчетов по предотвращению образования трещин при предварительном напряжении и монтаже | Rb. mc1 | 23 | - | - |
| Сжатие осевое (призменная прочность) для расчетов по предотвращению образования трещин на стадии эксплуатации | Rb. mc2 | 19,6 | - | - |
| Модуль упругости | Eb | 3,24х104 | Ep | 1,9х105 |
3.3.1. Определение коэффициента поперечной установки
Коэффициент поперечной установки определяется для каждой балки по методу внецентренного сжатия. Метод внецентренного сжатия дает сравнительно точную картину распределения нагрузок между главными балками в пролетных строениях с достаточно жесткими поперечными балками (диафрагмами) и для сравнительно узких мостов B / L ≤ 0.5 .
Для определения коэффициента поперечной установки, пролетное строение загружается нагрузками по трем схемам: нагрузка А14 без ограничения габарита с нагрузкой на один тротуар; нагрузка А14 при временном стеснении габарита; нагрузка Н14.
Все схемы и расчеты приведены в приложении Г
Результаты определения коэффициента поперечной установки приведены в таблице 3.9.
Таблица 3.9. –Коэффициента поперечной установки
| Схема загружения | Коэффициент поперечной установки | ||||||
| Балка №1 | Балка №2 | Балка №3 | |||||
| Для полосы | Для тележки | Для полосы | Для тележки | Для полосы | Для тележки | ||
| Схема №1 | 0,377 | 0,362 | 0,399 | 0,337 | 0,400 | 0,320 | |
| Схема №2 | 0,555 | 0,512 | 0,380 | 0,326 | 0,400 | 0,320 | |
| Схема №3 | - | 0,275 | - | 0,230 | - | 0,200 | |
3.3.2. Расчет балки №1
Расчетная схема пролетного строения представлена в виде балки на двух опорах под нагрузкой А14 и Н14 . Расчетная схема и линии влияния изгибающих моментов приведены на рисунке 3.15.
Рис. 3.15. Расчетная схема и линии влияния.
Расчет балки и определение расчетных усилий представлены в приложении Д
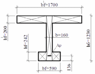
Сложное геометрическое сечение балки для расчетов заменяется простым - двутавровым (п. 3,58 [1]). Схема поперечного сечения балки приведена на рисунке 3.16.
Рис. 3.16. Сечение главной балки: а) фактическое; б) расчетное.
Учитывая размеры фактического сечения, размеры расчетного сечения определятся по формулам:
где
- площадь верхнего вута;
- площадь нижнего вута.
Количество напрягаемой арматуры принимается на 1 пучок больше чем в типовом проекте серии 3.503.1-81 вып. 7-1 Инв. № 100/2.
Принимаются пучки из высокопрочной проволоки В1400 диаметром 5 мм. Количество провок в пучке - 24 шт. Схема пучка приведена на рисунке 3.17.
Рис. 3.17. Схема поперечного сечения пучка напрягаемой арматуры.
Площадь поперечного сечения одного пучка определится по формуле:
где
- количество проволок в пучке;
- диаметр проволок.
Расчетная площадь напрягаемой арматуры определится по формуле:
где
- количество пучков.
Схема размещения напрягаемой арматуры приведена на рисунке 3.18.
Рис. 3.18. Схема размещения напрягаемой арматуры.
Расстояние от нижней грани балки до центра тяжести напрягаемой арматуры определится по формуле:
где
- количество пучков в i-ом горизонтальном ряду арматуры;
- расстояние от нижней грани балки до i-го горизонтального ряда арматуры.
Рабочая высота сечения балки определится по формуле:
3.3.3. Определение геометрических приведенного сечения.
Схема для определения геометрических характеристик приведенного поперечного сечения балки приведено на рисунке 3.19.
Рис. 3.19. Схема для определения геометрических характеристик приведенного сечения.
Геометрические характеристики приведенного сечения для случая натяжения арматуры на упоры определяются, учитывая всю площадь расчетного сечения бетона и площадь напрягаемой арматуры, вводимой с коэффициентом приведения.
Определение геометрических приведенного сечения и проверка нормального сечения в середине пролета балки на прочность по изгибающему моменту приведены в приложении Д.
Расчет по трещиностойкости, расчет по трещиностойкости в стадии эксплуатации при отсутствии временной нагрузки от автотранспорта, расчет по трещиностойкости на стадии обжатия бетона также представлены в приложении Д.
Лист
№ докум.
Подпись
Дата
ВКР 23.05.06. ПЗ – 45М
Изм.
38
Лист















