записка (1002417), страница 2
Текст из файла (страница 2)
Подшипники водила устанавливаются «враспор».
2.5.Конструирование зубчатых колес
При изготовлении деталей возникают погрешности, которые приводят к неравномерному нагружению потоков. Для компенсации этих погрешностей одно из центральных колес делают самоустанавливающимся (плавающим).
В данной конструкции, плавающее звено — центральная ведущая шестерня. В радиальном направлении эта шестерня самоустанавливается по сателлитам. В осевом направлении шестерню фиксируют с одной стороны торцом штыря запрессованного в водило, а с другой — зубчатой муфтой (поз .4) с установленными в ней пружинными кольцами (поз. 42). Делительный диаметр зубчатой муфты принимают для простоты изготовления, равным диаметру d1 центральной шестерни. Диаметр муфты
, принимаем
Ширина зацепления
, принимаем
Толщина неподвижного колеса
где
— ширина зубчатого венца неподвижного колеса (поз. 19). Таким образом
Для уменьшения концентрации нагрузки надо, чтобы сателлиты самоустанавливались по неподвижному центральному колесу. Для этого можно применять радиальные сферические шарикоподшипники.
Колесо внутреннего зацепления воспринимает значительный вращающий момент и должно быть прочно связано с корпусом. Для восприятия момента колесо приклеивается эпоксидным клеем ВК-9.
-
.Расчет соединений
2.6.1 Шпоночные соединения
Соединение призматической шпонкой.
Основные зависимости
Рабочая длинна шпонки
где l и b – длинна и ширина шпонки соответственно.
Требуется проверка шпонки на смятие
Где,
- вращающий момент на валу;
- средний диаметр конического конца вала;
- допускаемое напряжение смятия;
Расчет
1 Соединение быстроходный вал-полумуфта:
Шпонка ГОСТ 23360-78 5x5x32.
(стальная ступица);
Тогда:
Очевидно, что условие не смятия шпонки выполняется.
2 Соединение тихоходный вал-полумуфта:
Шпонка ГОСТ 23360-78 12x8x63.
(стальная ступица);
Тогда:
Очевидно, что условие не смятия шпонки выполняется.
-
Клеевые соединения
Крепление эпицикла к корпусу
Условие прочности соединения:
гдe
-окружная сила в зацеплении сателлит-эпицикл,
- ширина обода эпицикла,
- диаметр обода.Допускаемое напряжение среза
где
для клея ВК-9,
-коэффициент запаса. Таким образом:
надежность соединения обеспечивается.
2.7. Подбор подшипников
2.7.1.Подшипники сателлитов
Подшипники сателлитов являются наиболее нагруженными
-окружная сила (см. приложение 1.2);
-эквивалентная радиальная сила для расчета подшипника при типовом переменном режиме нагружения, где
- коэффициент эквивалентности.
Тогда
Требуемая радиальная динамическая грузоподъемность подшипников сателлитов:
-эквивалентная радиальная нагрузка.
Значения коэффициентов (
(вращается внешнее кольцо),
,
(t<100°C) ) принимаются по рекомендациям [1], стр. 166.
- требуемый ресурс подшипника при заданной надежности (см. приложение 1.2);
и
- относительная частота вращения и число зубьев центральной ведущей шестерни (см. приложение 1.2);
- число зубьев сателлита;
-коэффициент надежности (см. [1], табл. 7.7);
- коэффициент условий применения (см. [1], стр. 253);
- для шариковыхсферических двухрядных подшипников (см. [1], стр. 253);
Таким образом, получаем:
Выбираем шариковый радиальный сферический двухрядный подшипник 1500.
Параметры подшипника:
2.7.2.Подшипники быстроходного вала
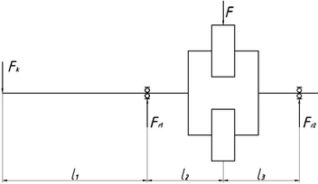
Расчетная схема
Исходные данные для расчета:
Длины участков вала:
Моменты на валах редуктора:
Делительный диаметр зубчатой муфты:
Частота вращения вала:
Определение реакций в опорах вала.
Сила, действующая на вал со стороны зубчатого зацепления:
Консольная сила от муфты на валу:
Реакции в опорах определяем из уравнений статики:
Расчет ведем по наиболее нагруженной опоре, в нашем случае это опора 2:
Определяем эквивалентную радиальную нагрузку:
Определяя коэффициенты, так же как и в предыдущем пункте, получаем:
Задаемся подшипником:
Подшипник 206. Параметры подшипника:
Определяем ресурс подшипника в часах:
Эквивалентная динамическая радиальная нагрузка
Условие выполняется, следовательно, подшипник удовлетворяет поставленным требованиям.
2.7.3.Подшипники тихоходного вала (водила)
Исходные данные для расчета:
Длины участков вала:
Моменты на валах редуктора:
Межосевое расстояние:
Частота вращения вала:
Определение реакций в опорах вала.
Сила, действующая на вал со стороны зубчатого зацепления:
Консольная сила от муфты на валу:
Реакции в опорах определяем из уравнений статики:
Расчет ведем по наиболее нагруженной опоре, в нашем случае это опора 1:
Определяем эквивалентную радиальную нагрузку:
Определяя коэффициенты, так же как и в предыдущем пункте, получаем:
Задаемся подшипником:
Подшипник 214. Параметры подшипника:
Определяем ресурс подшипника в часах:
Эквивалентная динамическая радиальная нагрузка:
Условие выполняется, следовательно, подшипник удовлетворяет поставленным требованиям.
2.8. Конструирование корпусных деталей и крышек подшипников
Корпус редуктора получают методом литья из серого чугуна СЧ15.
Толщина стенки, отвечающая требованиям технологии литья, необходимой прочности и жесткости
конструкции, вычисляется по формуле:
В нашем случае:
принимаю
Конструкцию корпуса планетарного редуктора определяют расположенные в нем детали: центральное колесо, водило, сателлиты. Поэтому в поперечном сечении корпус очерчен рядом окружностей.
Подъем и транспортировка собранного редуктора осуществляется за проушину в верхней части редуктора.
Крышка редуктора крепится к корпусу 6 болтами М8 с шестигранной головкой.
Крышки подшипников водила служат для закрепления наружных колец подшипников в осевом направлении. Крышки выполняются привертными, крепящимися к корпусу шестью болтами М8 с шестигранной головкой. Толщина стенок 12мм – обусловлена необходимостью установки манжетных уплотнений.
Крышка подшипника быстроходного вала крепиться к стакану 5 болтами М8 ГОСТ 17373-8.
Все крышки выполняются из чугуна марки СЧ15.
2.9. Расчет быстроходного вала на статическую прочность.
Вал изготовлен из стали марки 45 , со следующими характеристиками: временное сопротивление
предел текучести
предел текучести при кручении
Минимально допустимый запас прочности по пределу текучести
2.9.1.Определение внутренних силовых факторов
При составлении расчетной схемы учитываем, что условная шарнирная опора для радиального подшипника расположена в середине ширины подшипника.
Горизонтальная плоскость:
Вертикальная плоскость:
Реакции от консольной силы:
Консольная сила была определена при расчете подшипников
Эпюры внутренних силовых факторов приведены на рисунке, при этом крутящий момент численно равен вращающему:
Из рассмотрения эпюр внутренних силовых факторов и конструкции узла следует, что опасными являются сечения:
1 ,2 – места установки подшипников на вал диаметром 40мм: сечение нагружено изгибающим и крутящим моментом; концентратор напряжений – посадка внутреннего кольца подшипника на вал;
3 – место установки полумуфты на вал: сечение нагружено крутящим моментом, концентратор напряжений – шпонка призматическая по ГОСТ 23360-78 (b=6мм, h=6мм);
Определение силовых факторов для опасных сечений
Сечение 1
Изгибающие моменты:
- в плоскости XOZ
- в плоскости YOZ
Суммарный изгибающий момент:
Крутящий момент
Сечение 2
Изгибающий момент:
Крутящий момент
Сечение 3
Крутящий момент
2.9.2.Вычисление геометрических характеристик опасных сечений вала
Сечения 1,2
Сечение 3
2.9.3.Расчет вала на статическую прочность
Вычислим нормальные и касательные напряжения, а также значение общего коэффициента
запаса прочности по пределу текучести в каждом из опасных сечений вала.
Сечение 1
Напряжение изгиба с растяжением (сжатием)
и напряжения кручения
:
где KП=2.2 – коэффициент перегрузки.
Частные коэффициенты запаса прочности по нормальным и касательным напряжениям:
Общий коэффициент запаса прочности по пределу текучести:
Сечение 2
Напряжение изгиба с растяжением (сжатием)
и напряжения кручения
:
Частные коэффициенты запаса прочности по нормальным и касательным напряжениям:
Общий коэффициент запаса прочности по пределу текучести:
Сечение 3
Напряжение изгиба с растяжением (сжатием)
и напряжения кручения
:
Частный коэффициент запаса прочности по касательным напряжениям:
Статическая прочность вала обеспечена: во всех опасных сечениях
2.10.Выбор смазочных материалов и системы смазывания.
Для уменьшения потерь мощности на трение, снижение интенсивности изнашивания трущихся поверхностей, их охлаждения и чистки от продуктов износа, а так же предохранения от заедания, коррозии должно быть предусмотрено надежное смазывание трущихся поверхностей.
2.10.1.Смазывание зубчатых передач
В редукторе применяется картерная система смазки. В корпус редуктора или коробки передач заливают масло так, чтобы венцы колес были в него погружены. Колеса при вращении увлекают масло, разбрызгивая его внутри корпуса. Масло попадает на внутренние стенки корпуса, откуда стекает в нижнюю его часть. Внутри корпуса образуется взвесь частиц масла в воздухе, которая покрывает поверхность расположенных внутри корпуса деталей.
















