расчетно-пояснительная записка (1002335), страница 4
Текст из файла (страница 4)
число зубьев шестерни Z5=12; число зубьев колеса Z6=18; модуль зуба m=5 мм;
угол наклона линии зубьев по делительному цилиндру
=0 град;
параметры инструмента:
=20град,h*a=1,с*=0,25;
Воспользуемся программой ZUB для расчета необходимых коэффициентов и качественных показателей в зависимости от величины смещения режущего инструмента.
Результаты программы ZUB
Выбор коэффициентов смещения.
По этим параметрам строим график по оси абсцисс которого отложим X1,а по оси, ординат - значение
и коэффициентов: перекрытия
, скольжения
, удельного давления
. Добиться того, что бы все качественные показатели одновременно были подходящими трудно. При выборе коэффициента смещение необходимо учитывать.
- проектируемая передача не должна заклинивать;
- коэффициент перекрытия проектируемой передачи должен быть больше допустимого
;
- зубья у проектируемой передачи не должны быть подрезаны и толщина их на окружности вершин должна быть больше допустимой (Sa > [Sa]). Принимаем:
.
Значения коэффициентов X1, X2 должны быть такими, что бы предотвратить все перечисленные явления. Расчетные коэффициенты должны быть выбраны так, чтобы не было подрезания зубьев.
Отсутствие подрезания обеспечивается минимальным, а отсутствие заострения максимальным коэффициентом смещения, должно выполняться неравенство:
X1max > X1 > X1min
Расчетами находим: X1min = 0.298. Максимальный коэффициент смещения получается графическими построениями – как точка пересечения линий
и
.
Находим: X1max = 1.41 .
Определяем значение Х1, пользуясь дополнительным ограничением
. Принимаем:
= 1.1.
Перечисленным ограничениям соответствуют смещения Х1 = 0.3...0.7.
По рекомендации ГОСТ 16532-70 принимаем Х1 = 0.5.
Характеристики зубчатой передачи
Коэффициенты суммы смещений:
Угол зацепления передачи определяется по формуле:
Межосевые расстояния
для положительной зубчатой передачи:
Делительные диаметры шестерни и колеса:
Диаметры основных окружностей:
Начальные диаметры шестерни и колеса:
Коэффициенты воспринимаемого смещения:
Коэффициент уравнительного смещения:
=0,152мм
Диаметры вершин зубьев шестерни и колеса:
73,483мм
Диаметры впадин шестерни и колеса:
Высота зубьев колес:
Толщины зубьев шестерни и колеса по дугам делительных окружностей:
Углы профиля зуба в точке на окружности вершин:
Толщины зубьев по окружности вершин:
Качественные показатели:
Коэффициент торцового перекрытия:
Коэффициенты удельного скольжения:
Коэффициент удельного давления:
Построение станочного зацепления.
Профиль зуба изготовляемого колеса образуется, как огибающая ряда положений исходного производящего контура реечного инструмента в станочном зацеплении. При этом эвольвентная часть профиля зуба образуется прямолинейной частью исходного производящего контура реечного инструмента, а переходная кривая профиля зуба – закругленным участком.
Построения производятся следующим образом:
Проводят делительную d1 и основную db1 окружности, окружности вершин da1 и впадин df1.
Откладывают от делительной окружности с учетом знака смещения x1m и проводят делительную прямую исходного производящего контура реечного инструмента. Эта прямая проходит выше делительной окружности колеса, что соответствует положительному смещению инструмента x1m . На расстоянии ha*m верх и вниз от делительной прямой проводят прямые граничных точек, а на расстоянии (hc*m+C*m) - прямые вершин и впадин; станочно-начальную прямую Q-Q проводят касательной к делительной окружности в точке Р0 (полюс станочного зацепления).
Проводят линию станочного зацепления N1Р0 через полюс станочного зацепления Р0 касательно к основной окружности в точке N1 эта линия образует с прямыми исходного производящего контура инструмента углы
.
Строят исходный производящий контур реечного инструмента так, чтобы ось симметрии впадины совпадала с вертикалью. Для этого от точки пересечения вертикали с делительной прямой откладывают влево по горизонтали отрезок в ¼ шага и через конец его перпендикулярно линии зацепления N1Р0 проводят наклонную прямую, которая образует угол
с вертикалью. Закругленный участок профиля строят как сопряжение прямолинейной части контура с прямой вершин или прямой впадин окружностью радиусом
. Симметрично относительно вертикали РО строят профиль второго исходного производящего контура. Расстояние между одноименными профилями зубьев исходного контура равно шагу р =
Строят профиль зуба проектируемого колеса, касающегося профиля исходного производящего контура.
Для построения ряда последовательных положений профиля зуба исходного производящего контура проводят вспомогательную прямую касательно к окружности вершин. Фиксируют точку пересечения линий с прямолинейной частью профиля инструмента, и центра закругленного участка профиля - точку L. Далее строят круговую сетку, с помощью которой производят обкатку зуба проектируемого колеса исходным производящим контуром. Получают эвольвентный профиль зуба. Далее производят копирование зубьев по делительной окружности.
Построение зубчатой передачи.
Откладывают межосевое расстояние аw и проводят окружности: начальные dw1 dw2, делительные d1, d2 и основные db1, db2, окружности вершин dа1, dа2 и впадин df1, df2,
Начальные окружности касаются в полюсе зацепления. Расстояние между делительными окружностями по осевой линии равно величине воспринимаемого смещения ym. Расстояние между окружностями вершин одного колеса и окружностями впадин другого, измеренное по осевой линии, равно с*m .
Через полюс зацепления касательной к основным окружностям колес проводят линию зацепления. Точки касания N1 и N2 называются предельными точками линии зацепления. Буквами В1 и В2 отмечена активная линия зацепления ,точка В1 – точка начала зацепления , точка В2 - точка конца зацепления.
Зубья шестерни копируют из построения станочного зацепления, а эвольвентную часть профиля зуба колеса получают графическим построением, как траекторию точки прямой при перекатывании ее по основной окружности колеса без скольжения. И переносят в точку контакта зубьев К на линию зацепления. Эвольвентная часть сопрягается с окружностью впадин радиусом 0.4m.
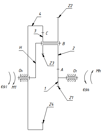
Проектирование планетарного редуктора
Исходные данные:
Число сателлитов-3, требуемое передаточное отношение
Расчет чисел зубьев для данной схемы планетарного механизма произведем с помощью программы «PLANETMAKER» с учетом погрешности отклонения передаточного отношения в
от требуемого.
Оптимальную комбинацию чисел зубьев выберем по условию минимальности габарита передачи.
Получим:
Проверка условий:
Условие соосности записывается в виде:
Условие соседства (при
):
Условия сборки:
где Ц - целое число, П – количество полных оборотов водила для установки следующего сателлита.
Определим геометрические параметры:
Делительные диаметры колес:
Радиус водила:
Графическая проверка
Построим треугольник скоростей.
Передаточное отношение планетарной передачи определим исходя из выполненных графических построений по соотношению:
Лист 4
Проектирование кулачкового механизма
Исходные данные
Соотношения между величинами ускорений толкателя
Ход толкателя кулачкового механизма
φраб=180 град
Заданный закон движения толкателя – прямолинейный симметричный.
Зададимся произвольным относительным ускорением толкателя a1.
Зададим закон изменения относительного ускорения толкателя
Проинтегрировав функцию относительного ускорения толкателя, учитывая непрерывность функции относительной скорости толкателя, найдем закон изменения относительной скорости толкателя
Проинтегрировав функцию относительной скорости толкателя, учитывая непрерывность функции перемещения толкателя, найдем закон перемещения толкателя.
В итоге получаем относительное ускорение толкателя a1=0.05673м.
Построение фазового портрета
Основные размеры механизма определяют с помощью построения фазового портрета
.
Для механизма с поступательно перемещающимся толкателем, его строят в полярной системе координат. По оси S откладывают перемещение толкателя от начала координат вдоль линии перемещения толкателя. Отрезки, соответствующие перемещениям толкателя, откладывают в масштабе.
От полученных точек откладывают отрезки кинематических передаточных функций перпендикулярно линии перемещения толкателя, по направлению угловой скорости вращения кулачка.
Из крайних левой и правой точек от перпендикуляра к лучам отложим допустимые углы давлений
= 30о. Там, где эти прямые пересекутся получится точка О. Расстояние от начала координат до точки 0 и есть минимальный радиус кулачка r0.
Построение центрового и конструктивного профилей кулачка
При графическом построении профиля кулачка применяют метод обращения движения: всем звеньям механизма условно сообщают угловую скорость, равную
. При этом кулачок становится неподвижным, а остальные звенья вращаются с угловой скоростью, равной по величине, но противоположной по направлению угловой скорости кулачка.
При построении профиля кулачка из центра – точки О проводят окружность радиусом r0 . Затем отмечают на окружности заданный рабочий угол кулачка
и делят полученный сектор на части. На каждом полученном радиусе откладывают соответствующее перемещение толкателя в масштабе и соединяют полученные точки плавной кривой. Таким образом, получают центровой профиль кулачка.














