Определите типовые динамические звенья, входящие в пассивный - Ответ на вопрос по ТАУ №322218
-42%
Вопрос
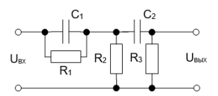
Определите типовые динамические звенья, входящие в пассивный четырехполюсник. C1=1 мкФ; C2=1 мкФ; R1=100 Ом; R2=100 Ом; R3=100 кОм
- Дифференцирующее
- Два дифференцирующих
- Интегрирующее
- Форсирующее
- Два форсирующих
- Инерционное
- Колебательное
- Апериодическое второго порядка
- Консервативное
Ответ

Если нужен другой вариант работы или отдельная задача из любой работы, пишите в комментарии














