Ответ на вопрос по теоретическим основам электротехники №934406: Найти показания амперметров в цепи, если при r=10 Ом; XL=10 Ом; XC=10 Ом и вольтметр показывает напряжение 10 В. А1=1А; А2=1А; А3=2А А1=1А; А2=1А; А3=1,41А А1=1А; А2=1,41А; А3=2,41А А1=1,41А; А2=1,41А; А3=2А Найти показания амперметров - Ответ на вопрос по теоретическим основам электротехники №934406Найти показания амперметров - Ответ на вопрос по теоретическим основам электротехники №934406
2025-08-142025-08-14СтудИзба
Найти показания амперметров - Ответ на вопрос по теоретическим основам электротехники №934406
Вопрос
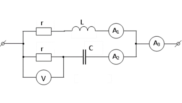
Найти показания амперметров в цепи, если при r=10 Ом; XL=10 Ом; XC=10 Ом и вольтметр показывает напряжение 10 В.
- А1=1А; А2=1А; А3=2А
- А1=1А; А2=1А; А3=1,41А
- А1=1А; А2=1,41А; А3=2,41А
- А1=1,41А; А2=1,41А; А3=2А





















