Ответ на вопрос по теоретическим основам электротехники №934404: Найти параметры катушки (R, L), емкость (С) конденсатора и сопротивление (R1), включенного в цепь, если при резонансе приборы показали: U=250 B; U1 = 254 B; U2 = 190 B; I = 5 A. Частота переменного тока 50Гц. R=10,8Ом; L=0,16Гн; С=8,4 мкФ; R1=39,2Ом R=12,8Ом; L=0,16Гн; С=8,4 мкФ; R1=37,2Ом R=12,8Ом; L=0,12Гн; С=8,4 мкФ; R1=37,2Ом R=12,8Ом; L=0,12Гн; С=4,2 мкФ; R1=37,2Ом Найти параметры катушки (R, - Ответ на вопрос по теоретическим основам электротехники №934404Найти параметры катушки (R, - Ответ на вопрос по теоретическим основам электротехники №934404
2025-08-142025-08-14СтудИзба
Найти параметры катушки (R, - Ответ на вопрос по теоретическим основам электротехники №934404
Вопрос
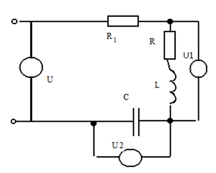
Найти параметры катушки (R, L), емкость (С) конденсатора и сопротивление (R1), включенного в цепь, если при резонансе приборы показали: U=250 B; U1 = 254 B; U2 = 190 B; I = 5 A. Частота переменного тока 50Гц.
- R=10,8Ом; L=0,16Гн; С=8,4 мкФ; R1=39,2Ом
- R=12,8Ом; L=0,16Гн; С=8,4 мкФ; R1=37,2Ом
- R=12,8Ом; L=0,12Гн; С=8,4 мкФ; R1=37,2Ом
- R=12,8Ом; L=0,12Гн; С=4,2 мкФ; R1=37,2Ом





















