Ответ на вопрос по схемотехнике №971135: На схеме представлен дешифратор с двумя входами и четырьмя выходами при каком наборе входных значений (x , x ) будет активизирован выход 3? На схеме представлен дешифратор с двумя входами и - Ответ на вопрос по схемотехнике №971135На схеме представлен дешифратор с двумя входами и - Ответ на вопрос по схемотехнике №971135
2025-09-132025-09-13СтудИзба
На схеме представлен дешифратор с двумя входами и - Ответ на вопрос по схемотехнике №971135
Вопрос
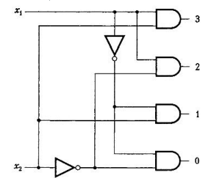
На схеме представлен дешифратор с двумя входами и четырьмя выходами при каком наборе входных значений (x , x ) будет активизирован выход 3?
Ответ

Если нужен другой вариант работы или отдельная задача из любой работы, пишите в комментарии

















