Чему равно значение на выходе Q, если на вход D - Ответ на вопрос по схемотехнике №971127
-37%
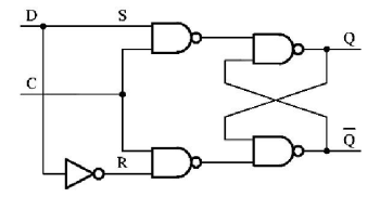
Вопрос
Чему равно значение на выходе Q, если на вход D подается сигнал равный 0, а на вход С сигнал равный 1?
- не определено
- 1
- 0
Ответ

Если нужен другой вариант работы или отдельная задача из любой работы, пишите в комментарии













