Ответ на вопрос по схемотехнике №736185: Сигналы А0=1 и А1=1 обеспечивают обращение к ... Выберите один ответ счётчику 2 счётчику 1 счётчику 0 регистру управляющего слова Сигналы А0=1 и А1=1 обеспечивают обращение к ... - Ответ на вопрос по схемотехнике №736185Сигналы А0=1 и А1=1 обеспечивают обращение к ... - Ответ на вопрос по схемотехнике №736185
2025-06-162025-06-16СтудИзба
Сигналы А0=1 и А1=1 обеспечивают обращение к ... - Ответ на вопрос по схемотехнике №736185
Вопрос
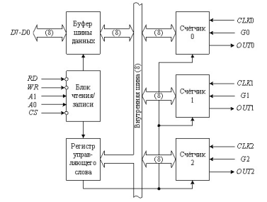
Сигналы А0=1 и А1=1 обеспечивают обращение к ...
Выберите один ответ - счётчику 2
- счётчику 1
- счётчику 0
- регистру управляющего слова
Ответ

Если нужен другой вариант работы или отдельная задача из любой работы, пишите в комментарии
















