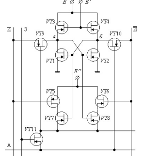
В схеме запоминающего элемента АЗУ транзисторы VT5, - Ответ на вопрос по схемотехнике №736169
-42%
Вопрос
В схеме запоминающего элемента АЗУ транзисторы VT5, VT6, VT7 и VT8 используются ...
Выберите один ответ:- для обеспечения операций записи и считывания
- в качестве нагрузочных сопротивлений
- реализации логической операции "Исключающее ИЛИ"
- для хранения информации
Ответ

Если нужен другой вариант работы или отдельная задача из любой работы, пишите в комментарии















