Ответ на вопрос по схемотехнике №736165: Горизонтальное наращивание памяти - ... Горизонтальное наращивание памяти - ... - Ответ на вопрос по схемотехнике №736165Горизонтальное наращивание памяти - ... - Ответ на вопрос по схемотехнике №736165
2025-06-162025-06-16СтудИзба
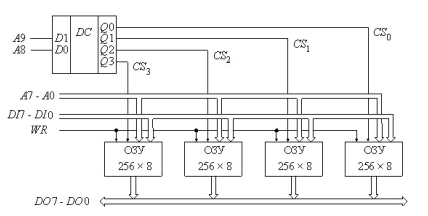
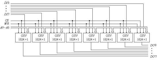
Горизонтальное наращивание памяти - ... - Ответ на вопрос по схемотехнике №736165
Вопрос
Горизонтальное наращивание памяти - ...Ответ

Если нужен другой вариант работы или отдельная задача из любой работы, пишите в комментарии


















