Ответ на вопрос по схемотехнике №736150: Расчётная частота генерации при R = 220 Ом и С = 1 нФ составляет ... Выберите один ответ: 40 кГц 1,3 МГц 2,8 МГц 20 кГц 86 кГц 600 кГц Расчётная частота генерации при R = 220 Ом и С = 1 - Ответ на вопрос по схемотехнике №736150Расчётная частота генерации при R = 220 Ом и С = 1 - Ответ на вопрос по схемотехнике №736150
2025-06-162025-06-16СтудИзба
Расчётная частота генерации при R = 220 Ом и С = 1 - Ответ на вопрос по схемотехнике №736150
Вопрос
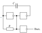
Расчётная частота генерации при R = 220 Ом и С = 1 нФ составляет ...
- 40 кГц
- 1,3 МГц
- 2,8 МГц
- 20 кГц
- 86 кГц
- 600 кГц
Ответ

Если нужен другой вариант работы или отдельная задача из любой работы, пишите в комментарии