Расчётная длительность выходного импульса - Ответ на вопрос по схемотехнике №736146
-42%
Вопрос
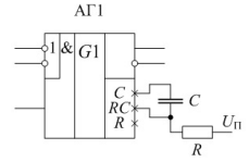
Расчётная длительность выходного импульса одновибратора АГ1, если R = 15 кОм, а С = 33 нФ - ...
Выберите один ответ:- 1,4 мкс
- 11,8 мкс
- 71,5 мкс
- 140 мкс
- 32,5 мкс
- 658 мкс
- 346,5 мкс
Ответ

Если нужен другой вариант работы или отдельная задача из любой работы, пишите в комментарии















