Ответ на вопрос по схемотехнике №736144: Расчётная длительность выходного импульса одновибратора АГ1, если R = 3,3 кОм, а С = 5,1 нФ - ... Выберите один ответ: 658 мкс 346,5 мкс 32,5 мкс 11,8 мкс 71,5 мкс 140 мкс 1,4 мкс Расчётная длительность выходного импульса - Ответ на вопрос по схемотехнике №736144Расчётная длительность выходного импульса - Ответ на вопрос по схемотехнике №736144
2025-06-162025-06-16СтудИзба
Расчётная длительность выходного импульса - Ответ на вопрос по схемотехнике №736144
Вопрос
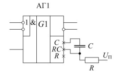
Расчётная длительность выходного импульса одновибратора АГ1, если R = 3,3 кОм, а С = 5,1 нФ - ...
- 658 мкс
- 346,5 мкс
- 32,5 мкс
- 11,8 мкс
- 71,5 мкс
- 140 мкс
- 1,4 мкс
Ответ

Если нужен другой вариант работы или отдельная задача из любой работы, пишите в комментарии