Ответ на вопрос по схемотехнике №736143: Расчётная длительность выходного импульса одновибратора АГ1, если R = 9,1 кОм, а С = 22 нФ - ... Выберите один ответ: 140 мкс 11,8 мкс 658 мкс 32,5 мкс 71,5 мкс 1,4 мкс 346,5 мкс Расчётная длительность выходного импульса - Ответ на вопрос по схемотехнике №736143Расчётная длительность выходного импульса - Ответ на вопрос по схемотехнике №736143
2025-06-162025-06-16СтудИзба
Расчётная длительность выходного импульса - Ответ на вопрос по схемотехнике №736143
Вопрос
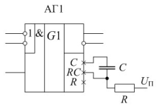
Расчётная длительность выходного импульса одновибратора АГ1, если R = 9,1 кОм, а С = 22 нФ - ...
Выберите один ответ:- 140 мкс
- 11,8 мкс
- 658 мкс
- 32,5 мкс
- 71,5 мкс
- 1,4 мкс
- 346,5 мкс
Ответ

Если нужен другой вариант работы или отдельная задача из любой работы, пишите в комментарии

















