Ответ на вопрос по схемотехнике №736116: Цикл счёта - ... (Z - импульс запуска) Выберите один ответ: от 9 до 2 от А до С от А до 1 от 6 до 2 от 3 до 6 от 9 до 6 от 9 до 4 от 5 до С от 6 до 4 от 5 до 1 от 3 до 2 Цикл счёта - ... (Z - импульс запуска) Выберите один - Ответ на вопрос по схемотехнике №736116Цикл счёта - ... (Z - импульс запуска) Выберите один - Ответ на вопрос по схемотехнике №736116
2025-06-162025-06-16СтудИзба
Цикл счёта - ... (Z - импульс запуска) Выберите один - Ответ на вопрос по схемотехнике №736116
Вопрос
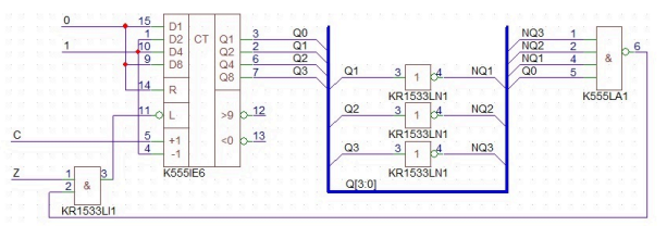
Цикл счёта - ... (Z - импульс запуска)
- от 9 до 2
- от А до С
- от А до 1
- от 6 до 2
- от 3 до 6
- от 9 до 6
- от 9 до 4
- от 5 до С
- от 6 до 4
- от 5 до 1
- от 3 до 2
Ответ

Если нужен другой вариант работы или отдельная задача из любой работы, пишите в комментарии