Ответ на вопрос по схемотехнике №736061: Комбинация входных сигналов, при которой на выходах дешифратора КР1533ИД7 получим следующие выходные сигналы Комбинация входных сигналов, при которой на выходах - Ответ на вопрос по схемотехнике №736061Комбинация входных сигналов, при которой на выходах - Ответ на вопрос по схемотехнике №736061
2025-06-162025-06-16СтудИзба
Комбинация входных сигналов, при которой на выходах - Ответ на вопрос по схемотехнике №736061
Вопрос
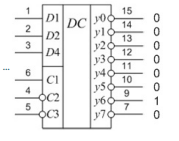
Комбинация входных сигналов, при которой на выходах дешифратора КР1533ИД7 получим следующие выходные сигналы
Ответ

Если нужен другой вариант работы или отдельная задача из любой работы, пишите в комментарии
















