Ответ на вопрос по схемотехнике №736058: В полной эквивалентной схеме инвертора КМОП диоды VD1 – VD3 защищают . Выберите один ответ: выход предыдущего ЛЭ от импульсной перегрузки изоляцию затворов транзисторов VT1 и VT2 от пробоя каналы транзисторов от ошибочной перемены полярности питания выход данного ЛЭ от пробоя В полной эквивалентной схеме инвертора КМОП диоды - Ответ на вопрос по схемотехнике №736058В полной эквивалентной схеме инвертора КМОП диоды - Ответ на вопрос по схемотехнике №736058
2025-06-162025-06-16СтудИзба
В полной эквивалентной схеме инвертора КМОП диоды - Ответ на вопрос по схемотехнике №736058
Вопрос
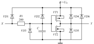
В полной эквивалентной схеме инвертора КМОП диоды VD1 – VD3 защищают .
- выход предыдущего ЛЭ от импульсной перегрузки
- изоляцию затворов транзисторов VT1 и VT2 от пробоя
- каналы транзисторов от ошибочной перемены полярности питания
- выход данного ЛЭ от пробоя
Ответ

Если нужен другой вариант работы или отдельная задача из любой работы, пишите в комментарии