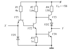
Ответ на вопрос по схемотехнике №736056: В схеме базового стандартного ЛЭ ТТЛ фазорасщепитель обеспечивает работу в противофазе транзисторов ... Выберите один ответ: VT1 и VT2 VT2 и VT4 VT3 и VT4 VT2 и VT3 В схеме базового стандартного ЛЭ ТТЛ фазорасщепитель - Ответ на вопрос по схемотехнике №736056В схеме базового стандартного ЛЭ ТТЛ фазорасщепитель - Ответ на вопрос по схемотехнике №736056
2025-06-162025-06-16СтудИзба
В схеме базового стандартного ЛЭ ТТЛ фазорасщепитель - Ответ на вопрос по схемотехнике №736056
Вопрос
В схеме базового стандартного ЛЭ ТТЛ фазорасщепитель обеспечивает работу в противофазе транзисторов ...
- VT1 и VT2
- VT2 и VT4
- VT3 и VT4
- VT2 и VT3
Ответ

Если нужен другой вариант работы или отдельная задача из любой работы, пишите в комментарии