Если на входе EI напряжение логического "0", то - Ответ на вопрос по схемотехнике №736053
-42%
Вопрос
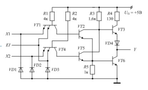
Если на входе EI напряжение логического "0", то транзисторы
Выберите один ответ:- VT1 - открыт, VT4 - закрыт
- VT1 - закрыт, VT4 - закрыт
- VT1 - открыт, VT4 - открыт
- VT1 - закрыт, VT4 - открыт
Ответ

Если нужен другой вариант работы или отдельная задача из любой работы, пишите в комментарии















