Ответ на вопрос по схемотехнике №19945: 5. Определить модуль пересчета М =? 5. Определить модуль пересчета М =? - Ответ на вопрос по схемотехнике №199455. Определить модуль пересчета М =? - Ответ на вопрос по схемотехнике №19945
2024-02-032024-02-03СтудИзба
5. Определить модуль пересчета М =? - Ответ на вопрос по схемотехнике №19945
-47%
Вопрос
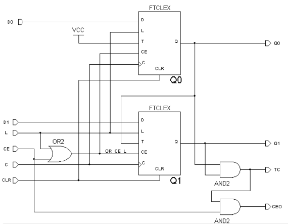
5. Определить модуль пересчета М =?
Ответ

Если нужен другой вариант работы или отдельная задача из любой работы, пишите в комментарии

















