Ответ на вопрос по схемотехнике №19944: 4. Определить модуль пересчета М =? 4. Определить модуль пересчета М =? - Ответ на вопрос по схемотехнике №199444. Определить модуль пересчета М =? - Ответ на вопрос по схемотехнике №19944
2024-02-032024-02-03СтудИзба
4. Определить модуль пересчета М =? - Ответ на вопрос по схемотехнике №19944
-47%
Вопрос
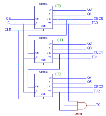
4. Определить модуль пересчета М =?
Ответ

Если нужен другой вариант работы или отдельная задача из любой работы, пишите в комментарии

















