Прочитайте задание и запишите значения сопротивлений в кОм
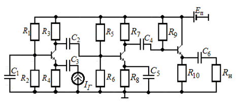
Для схемы усилителя на биполярном транзисторе, приведенной на рисунке, рассчитайте значение сопротивления R1 для обеспечения рабочей точки VT1 по постоянному току: Iко = 2 мА, Uкэо= 5 В. Определите входное сопротивление схемы в области средних частот.
Параметры транзистора VT1: коэффициент усиления тока базы равен 100, крутизна 80мА/В, входная проводимость 800 мкСм.

meimei1337

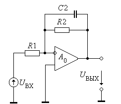
ФНЧ, если R1=1кОм R2=10кОм С2= 15 нФ.

















































