Выберите схему подключения регистра с адресом 0000h к шине - Ответ на вопрос по МПС №1112677
-42%
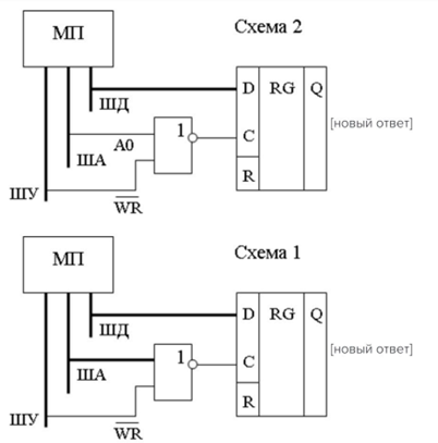
Вопрос
Выберите схему подключения регистра с адресом 0000h к шине процессора для записи данных
Ответ

🎓 Поможем сдать всё — тесты, практику, экзамены, курсовые, дипломы, отчёты! Закроем долги под ключ 🔑 Ведём от первой сессии до диплома 🏆 Работаем с Синергией, МЭИ, МТИ и другими вузами 🤝 Гарантия результата или возврат денег 💰 Пиши! 🚀
meimei1337

















