Ответ на вопрос №65230: Расставьте блоки структурной схемы осциллографа в правильном порядке. Двухтактный усилитель Y Схема формирования синхроимпульса Линия задержки Двухтактный усилитель Х Предварительный усилитель Усилитель Z Генератор пилообразного напряжения Усилитель внутренней синхронизации Входной делитель Расставьте блоки структурной схемы осциллографа в правильном порядке. - Ответ на вопрос №65230Расставьте блоки структурной схемы осциллографа в правильном порядке. - Ответ на вопрос №65230
2024-04-202024-04-20СтудИзба
Расставьте блоки структурной схемы осциллографа в правильном порядке. - Ответ на вопрос №65230
-47%
Вопрос
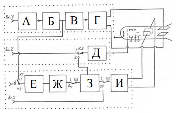
Расставьте блоки структурной схемы осциллографа в правильном порядке.
- Двухтактный усилитель Y
- Схема формирования синхроимпульса
- Линия задержки
- Двухтактный усилитель Х
- Предварительный усилитель
- Усилитель Z
- Генератор пилообразного напряжения
- Усилитель внутренней синхронизации
- Входной делитель
Ответ

Если нужен другой вариант работы или отдельная задача из любой работы, пишите в комментарии